Volvo 245 (1986) – wiring diagrams – cooling fans
Year of productions: 1986
Cooling fans
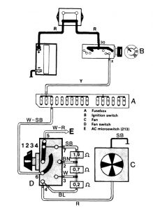
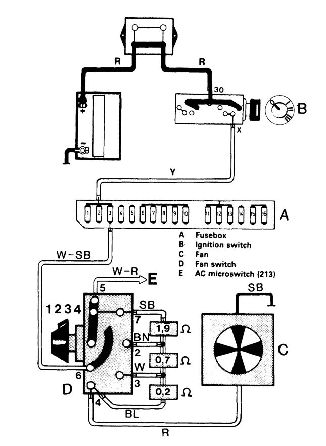
Version 1

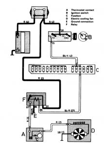
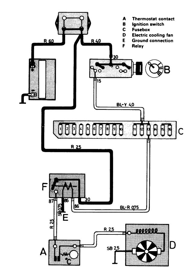
Version 2

Version 3

WARNING: Terminal and harness assignments for individual connectors will vary depending on vehicle equipment level, model, and market.
