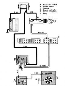
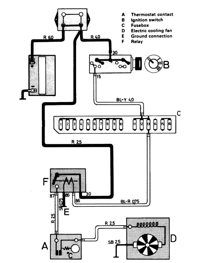
Volvo 244 (1987) – wiring diagrams – cooling fans
Year of productions: 1987
Cooling fans

WARNING: Terminal and harness assignments for individual connectors will vary depending on vehicle equipment level, model, and market.
Copyright © 2026 | MH Magazine WordPress Theme by MH Themes