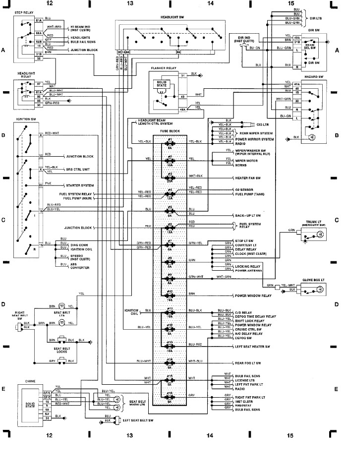
Volvo 240 (1991) – wiring diagrams – Fuse block, Ign SW, Headlt SW, Hazard SW (grid 12 – 15)
Year of productions: 1991
Fuse block, Ign SW, Headlt SW, Hazard SW (grid 12 – 15)

WARNING: Terminal and harness assignments for individual connectors will vary depending on vehicle equipment level, model, and market.

Leave a Reply