Mercedes-Benz C280 (1997) – wiring diagrams – power windows
Year of productions: 1997
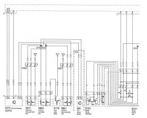
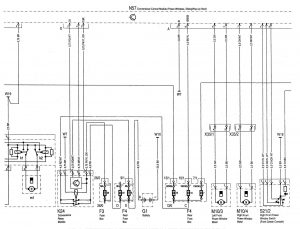
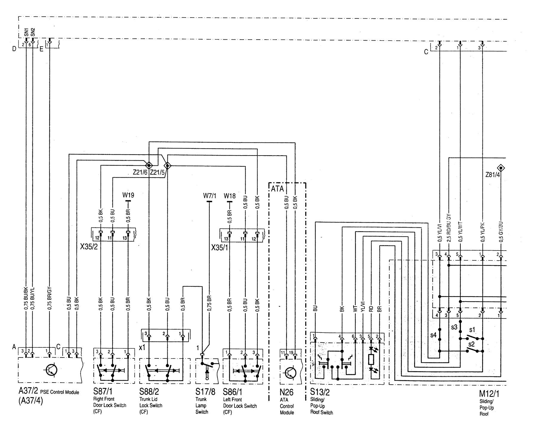
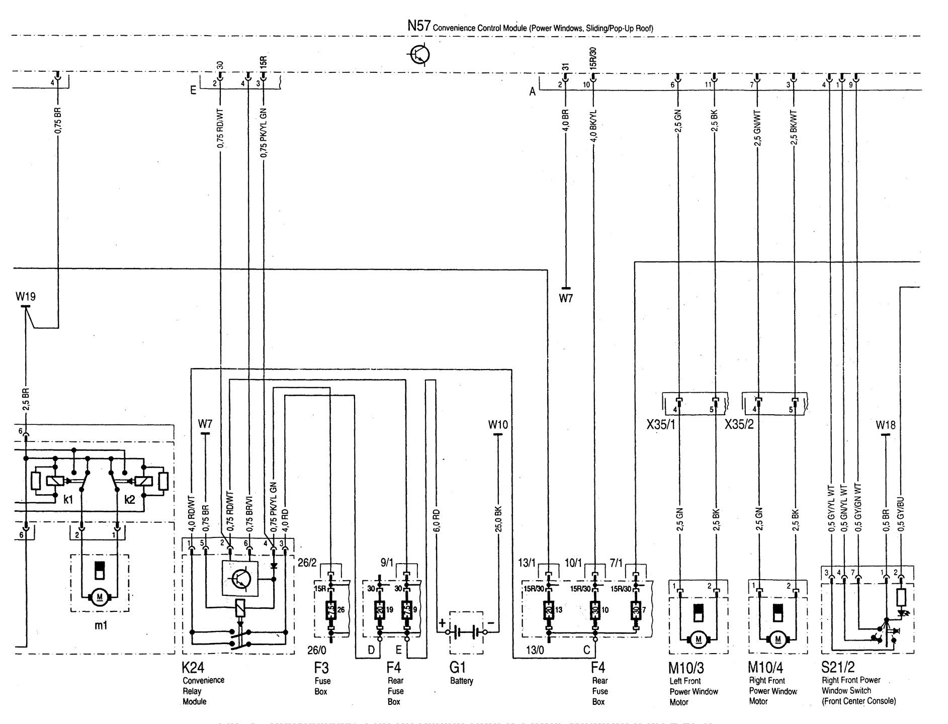
Power windows



| A1 | Instrument cluster |
| A1r1 | Instrument illumination rheostat |
| A37/2 | PSE control module (CL) |
| A37/4 | PSE control module (CL, MVA) |
| F3 | Fuse box (18-fuse, in fuse and relay box F1) |
| F3-26 | Fuse 26, terminal 15R |
| F4 | Rear fuse box (19-fuse, in trunk) |
| F4-7 | Fuse 7, terminal 15RI30 |
| F4-9 | Fuse 9, terminal 30 |
| F4-10 | Fuse 1 0, terminal 15RI30 |
| F4-13 | Fuse 13, terminal 15RI30 |
| F4-19 | Fuse 19, terminal (open) |
| G1 | Battery |
| K24 | Convenience relay module |
| M10/3 | Left front power window motor |
| M10/4 | Right front power window motor |
| M10/5 | Left rear power window motor |
| M10/5×1 | Left rear power window motor connector |
| M10/6 | Right rear pow3r window motor |
| M10/6×1 | Right rear power window motor connector |
| M12/1 | Sliding/pop-up roof |
| M12/1k1 | Sliding/pop-up roof relay |
| M12/1k2 | Sliding/pop-up roof relay |
| M12/1m1 | Sliding/pop-up roof motor |
| M12/1s1 | “Open” position microswitch |
| M12/1s2 | “Up” position microswitch |
| M12/1s3 | “Down” position micro switch |
| M12/1s4 | “Closed” position microswitch |
| N26 | AT A control module |
| N57 | Convenience control module (power windows, sliding/pop-up roof) |
| S13/2 | Sliding/pop-up roof switch |
| S17/8 | Trunk lamp switch |
| S21/1 | Left front power window switch (front center console) |
| S21/2 | Right f.ront power window switch (front center console) |
| S21/3 | Left rear power window switch |
| S21/4 | Right rear power window switch |
| S21/5 | Left rear power window switch (front center console) |
| S21/6 | Right rear power window switch (front center console) |
| S21/7 | Rear power windows safety switch (center console) |
| S86/1 | Left front door lock switch (CF) |
| S87/1 | Right front door lock switch (CF) |
| S88/2 | Trunk lid lock switch (G.F) |
| W7/1 | Ground (right rear taillamp in trunk) |
| W10 | Ground (battery) |
| W18 | Ground (left front seat crossmember) |
| W19 | Ground (right front seat crossmember) |
| Grounds not indicated, components connector are connected on engine block or bodywork | |
| X18 | lnteriorltaillamp harness connector |
| X35/1 | Left front door separation point |
| X35/2 | Right front door separation point |
| X35/3 | Left rear door separation point |
| X35/4 | Right rear door separation point |
| Z21/5 | Trunk lid lock switch 1 connector sleeve (ATAICL) |
| Z21/6 | Trunk lid lock switch 2 connector sleeve (ATAICL) |
| Z81 | Terminal 58d connector sleeve |
| Z81/4 | Terminal 58d connector sleeve (frame floor) |
WARNING: Terminal and harness assignments for individual connectors will vary depending on vehicle equipment level, model, and market.
