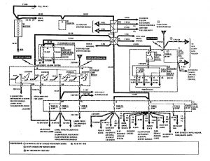
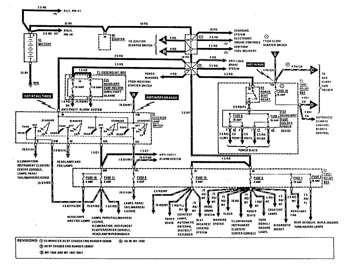
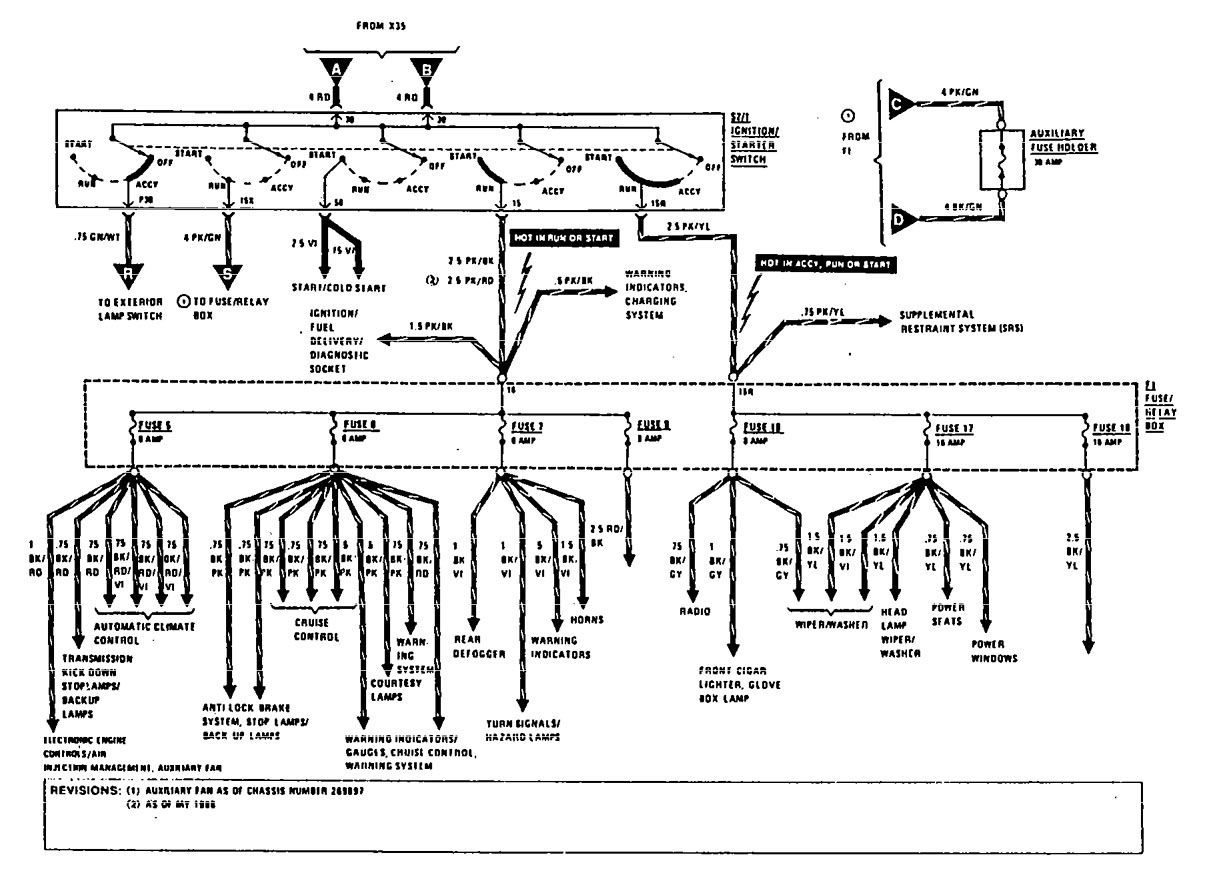
Mercedes-Benz 420SEL (1990) – wiring diagrams – power distribution
Year of productions: 1990
Power distribution
Version 1


Version 2

WARNING: Terminal and harness assignments for individual connectors will vary depending on vehicle equipment level, model, and market.
