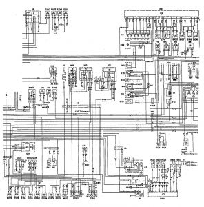
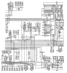
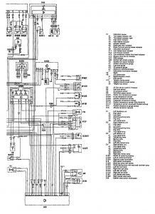
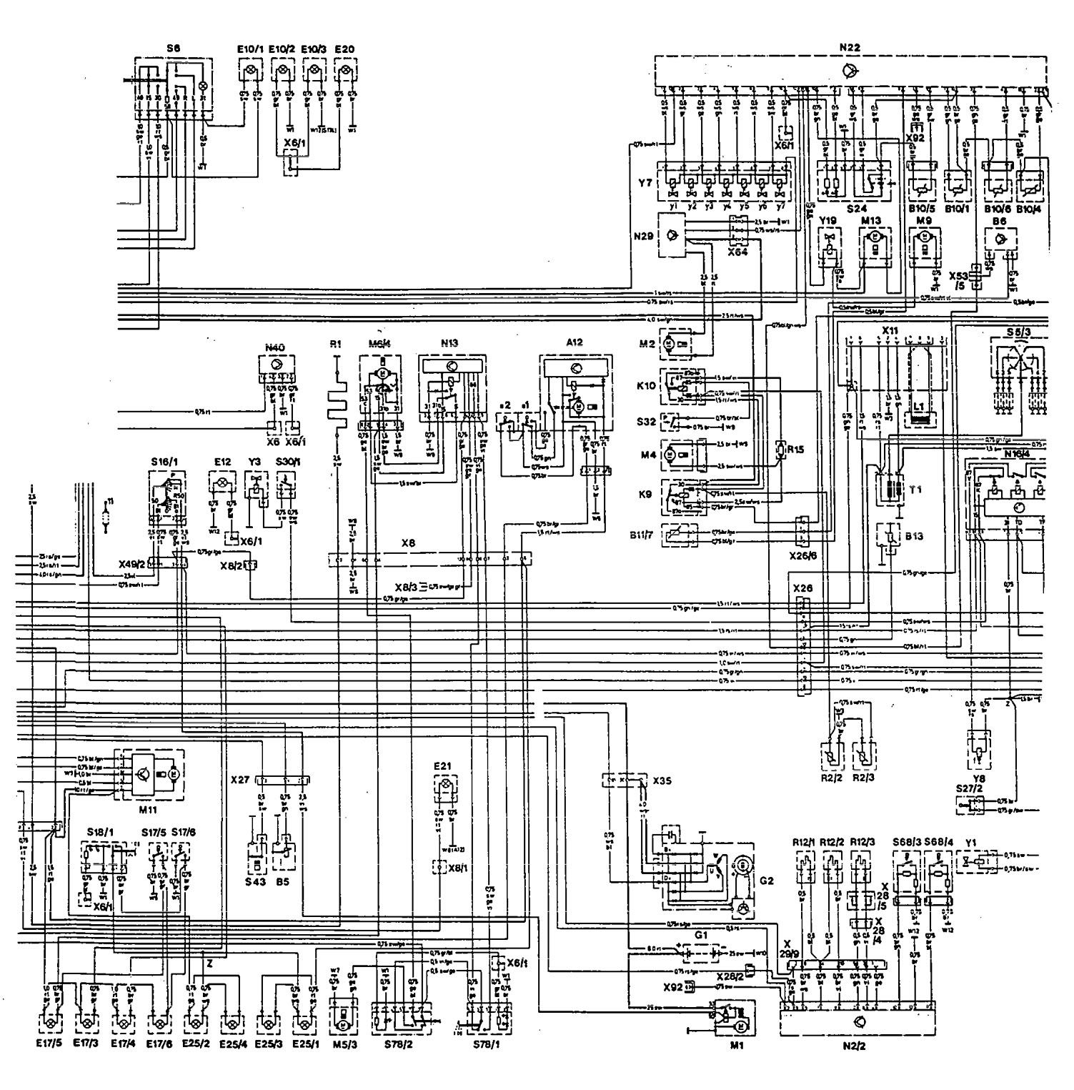
Mercedes-Benz 300TE (1992) – wiring diagrams – ignition
Year of productions: 1992
Ignition
Version 1




Version 2




WARNING: Terminal and harness assignments for individual connectors will vary depending on vehicle equipment level, model, and market.
Year of productions: 1992








WARNING: Terminal and harness assignments for individual connectors will vary depending on vehicle equipment level, model, and market.
Copyright © 2026 | MH Magazine WordPress Theme by MH Themes