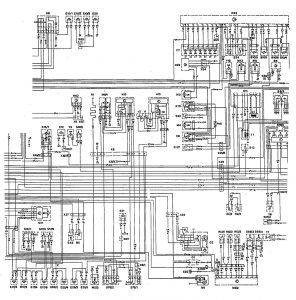
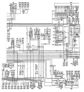
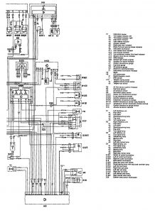
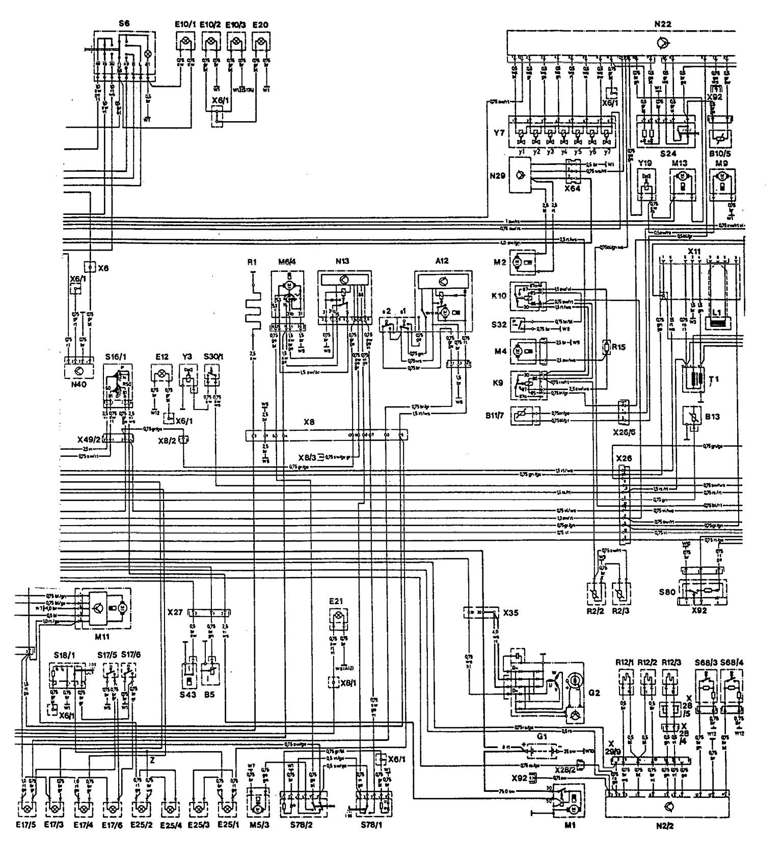
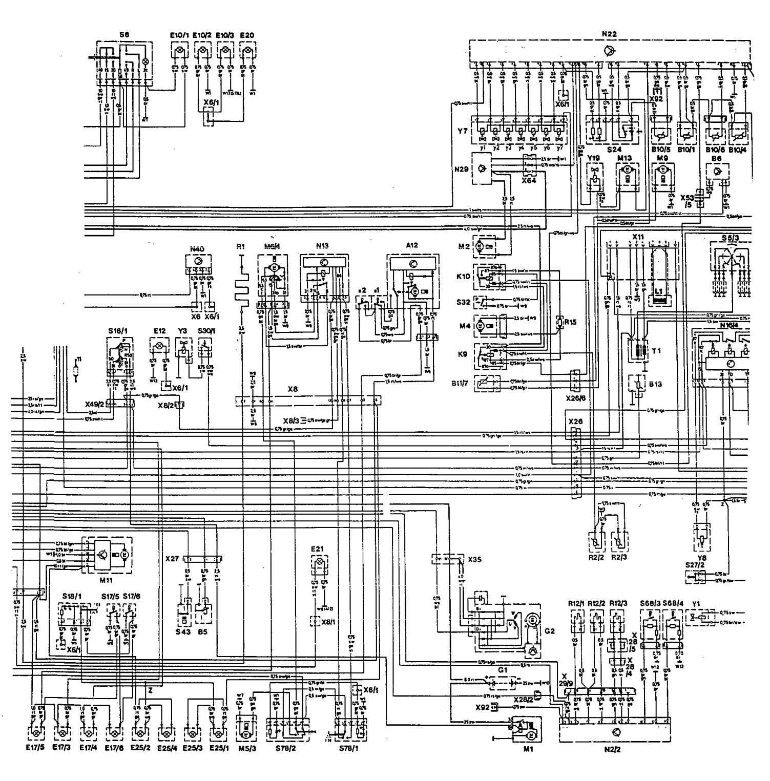
Mercedes-Benz 300TE (1992 – 1993) – wiring diagrams – audible warning system
Year of productions: 1992, 1993
Audible warning system
Version 1




Version 2




WARNING: Terminal and harness assignments for individual connectors will vary depending on vehicle equipment level, model, and market.
