Mercedes-Benz 300TE (1990 – 1991) – wiring diagrams – HVAC Controls
Year of productions: 1990, 1991
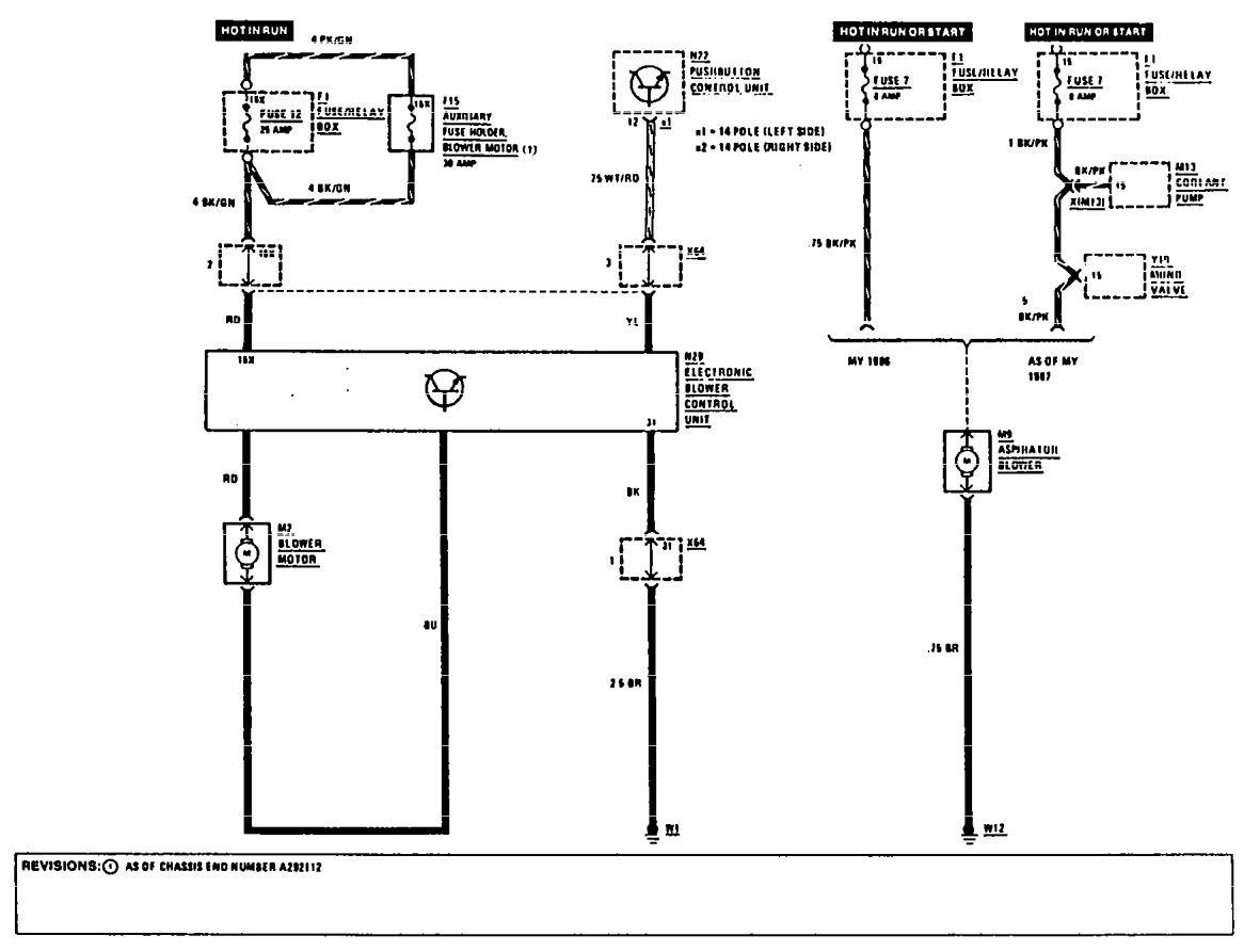
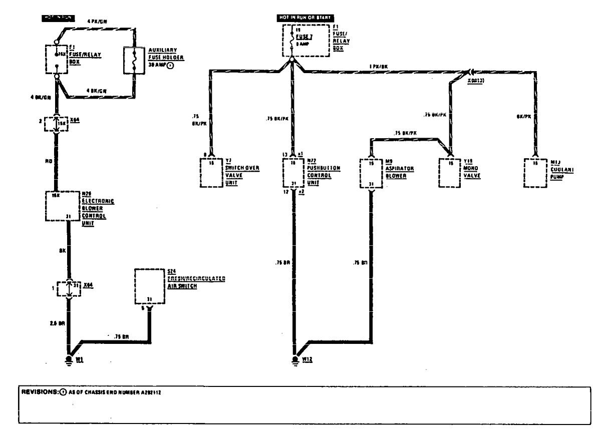
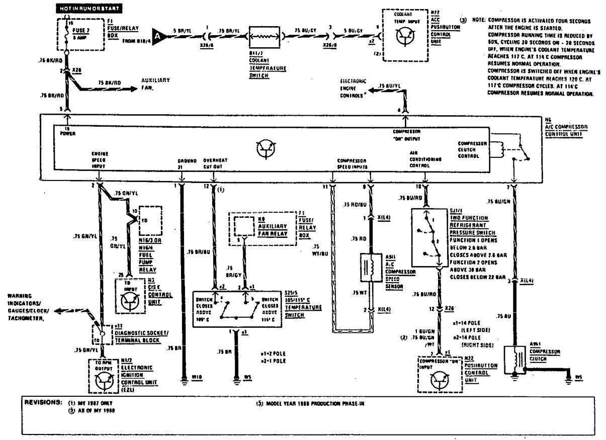
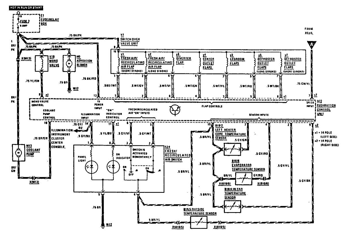
HVAC Controls
Version 1

Version 2

Version 3

Version 4

WARNING: Terminal and harness assignments for individual connectors will vary depending on vehicle equipment level, model, and market.
