Mercedes-Benz 300SE (1991) – wiring diagrams – heated seats

Mercedes-Benz 300SE (1991) – wiring diagrams – heated seats

Year of productions:  1991

Heated seats

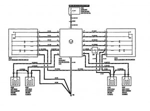
Version 1

Mercedes-Benz 300SE - wiring diagram - heated seats
Mercedes-Benz 300SE – wiring diagram – heated seats

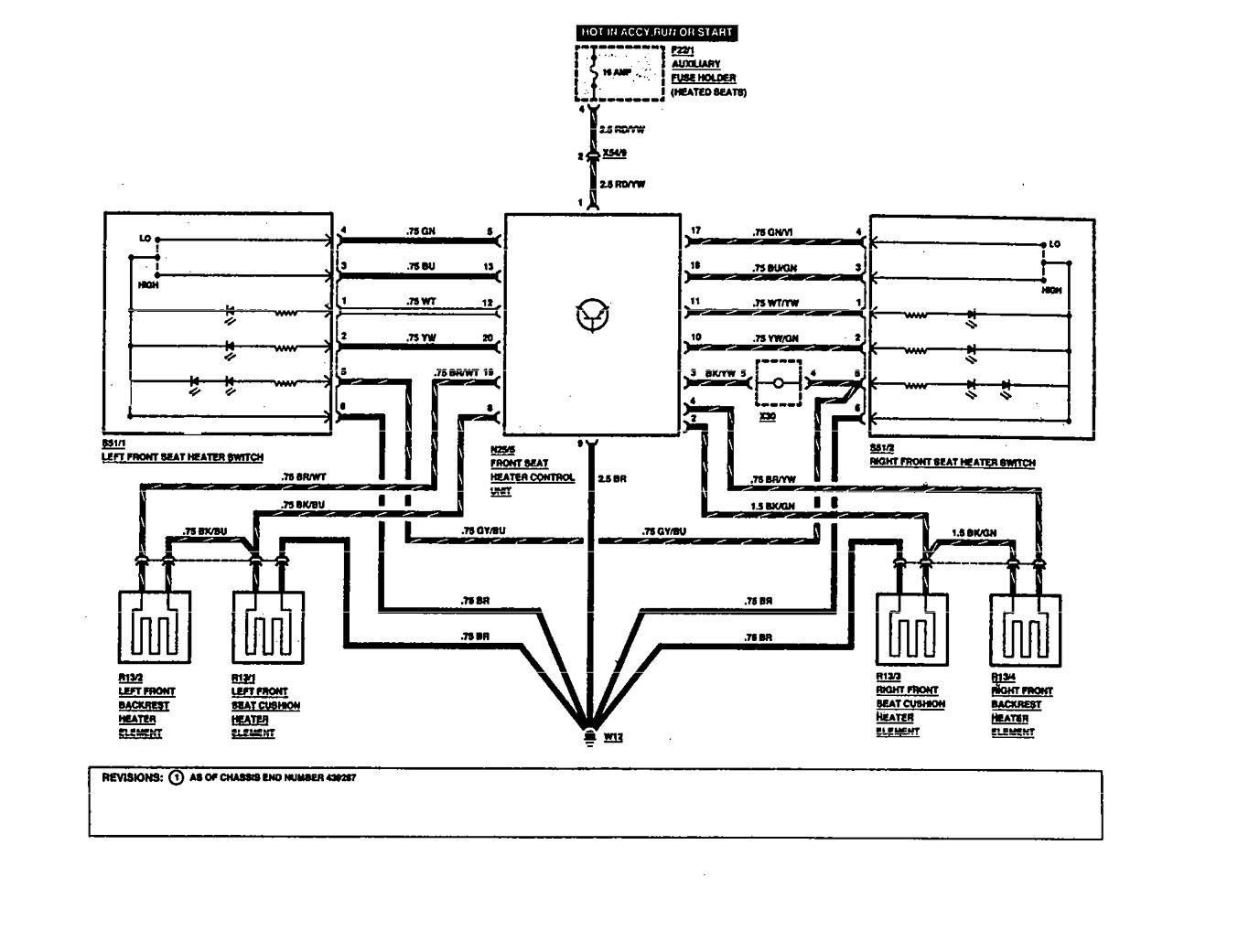
Version 2

Mercedes-Benz 300SE - wiring diagram - heated seats
Mercedes-Benz 300SE – wiring diagram – heated seats

WARNING: Terminal and harness assignments for individual connectors will vary depending on vehicle equipment level, model, and market.