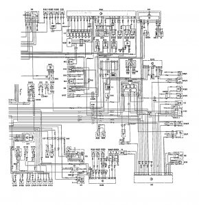
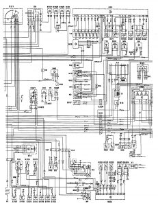
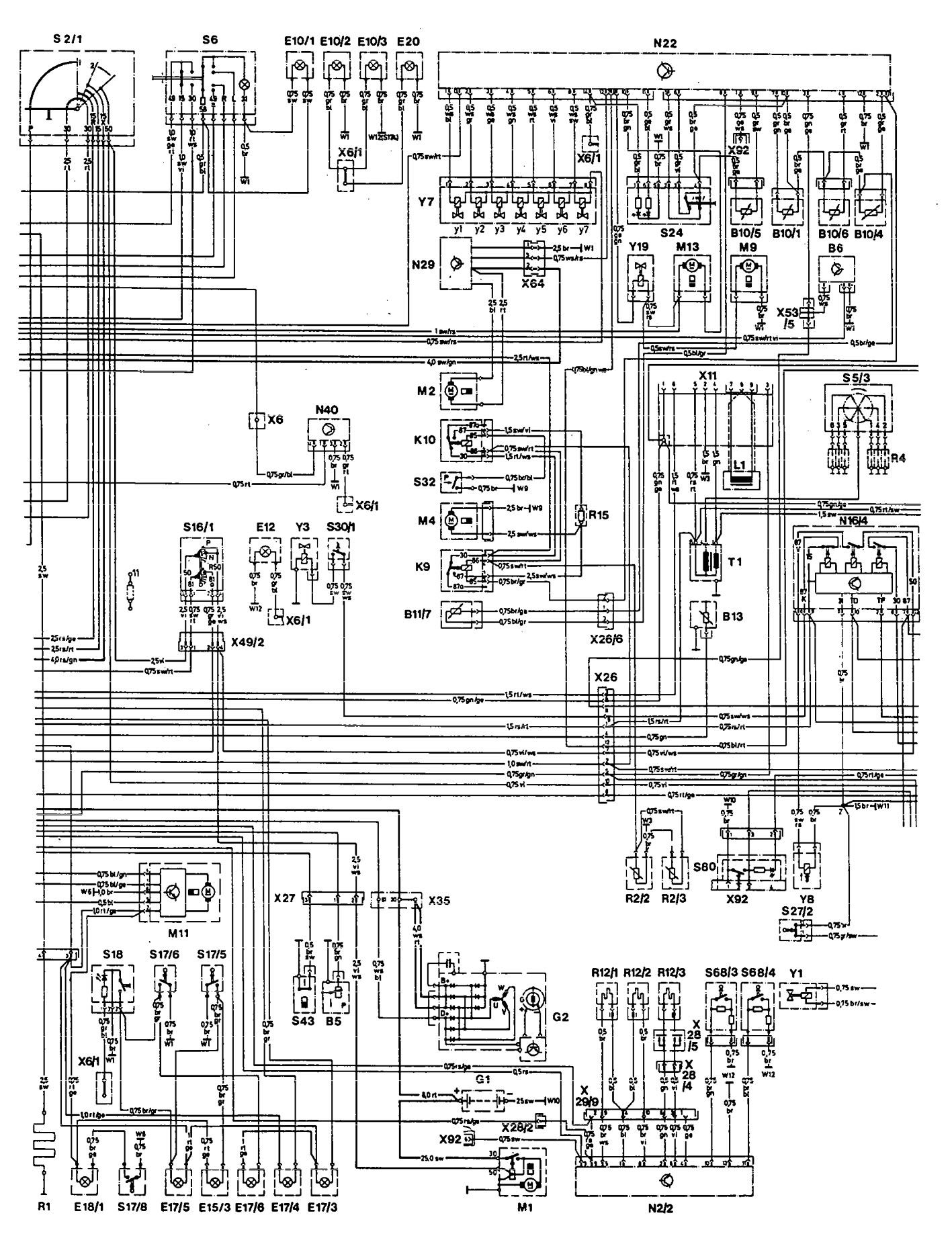
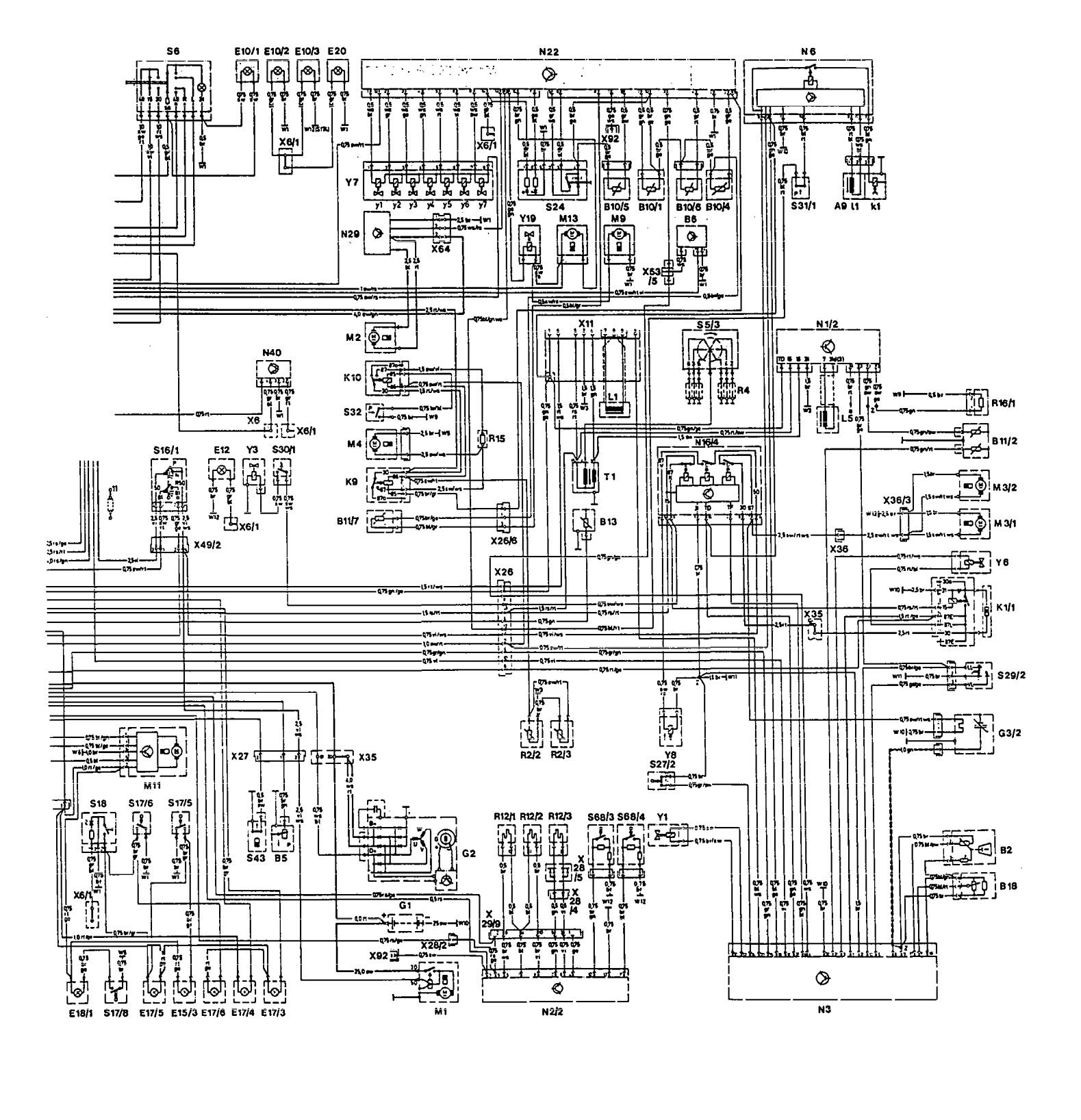
Mercedes-Benz 300E (1993) – wiring diagrams – wiper/washer
Year of productions: 1993
Wiper/washer
Version 1



Version 2




WARNING: Terminal and harness assignments for individual connectors will vary depending on vehicle equipment level, model, and market.
