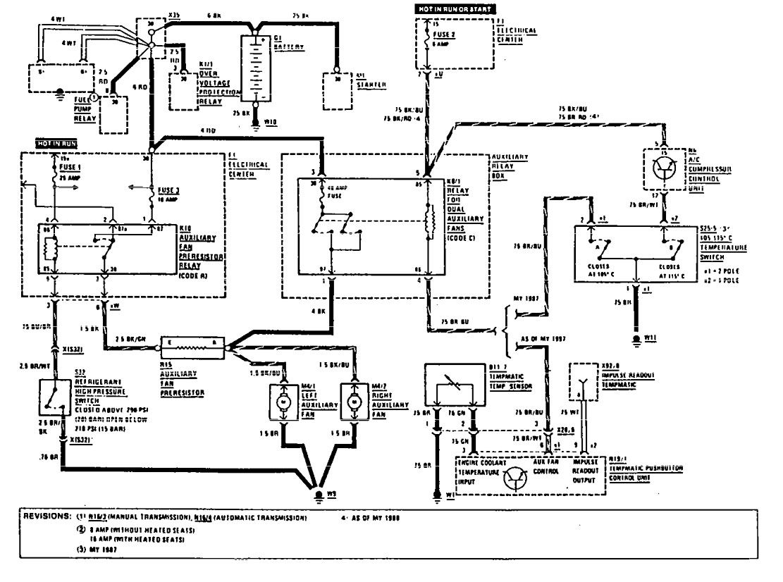
Mercedes-Benz 190E (1990) – wiring diagrams – cooling fans
Year of productions: 1990
Cooling fans

wiring diagram – cooling fans
WARNING: Terminal and harness assignments for individual connectors will vary depending on vehicle equipment level, model, and market.
