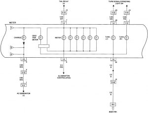
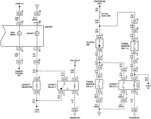
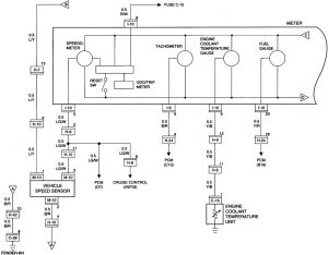
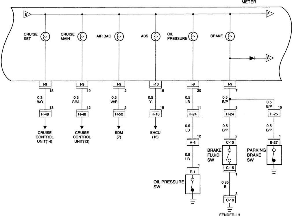
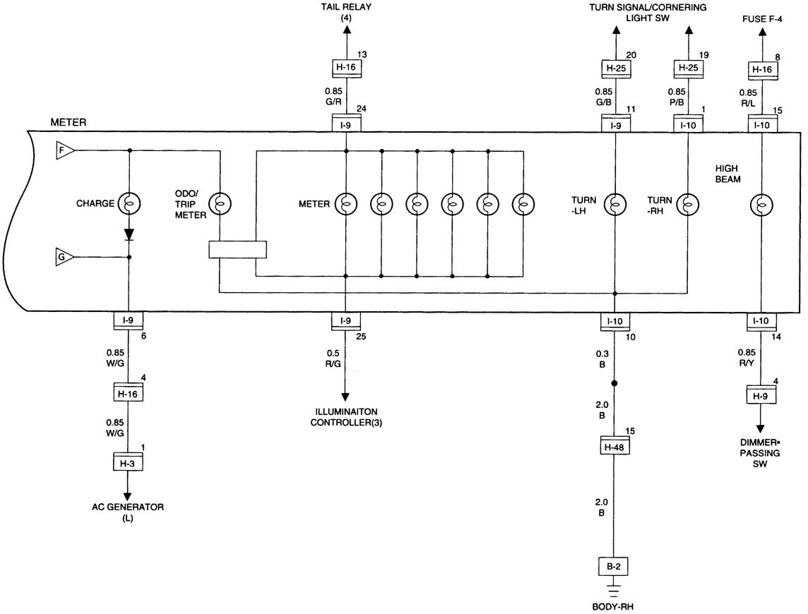
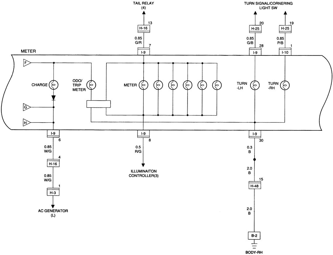
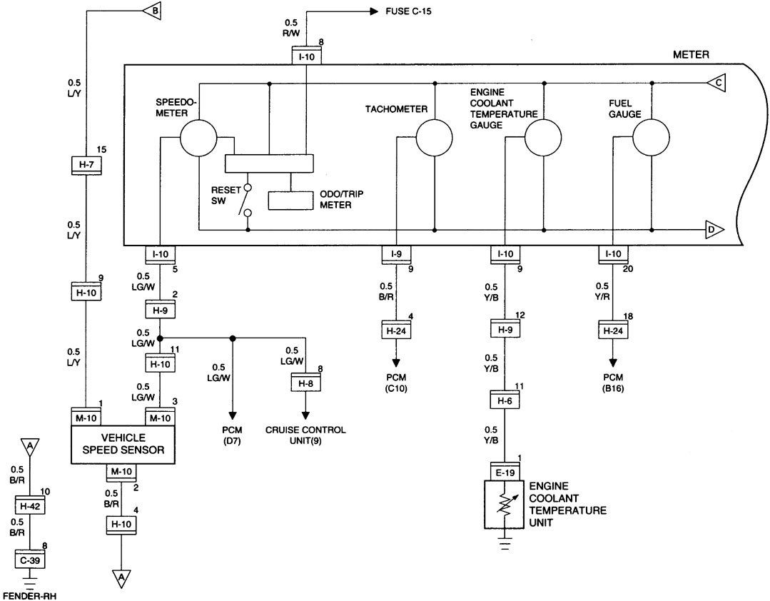
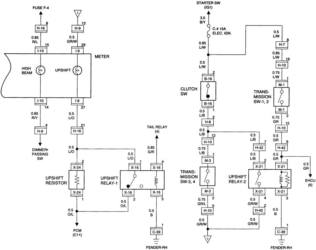
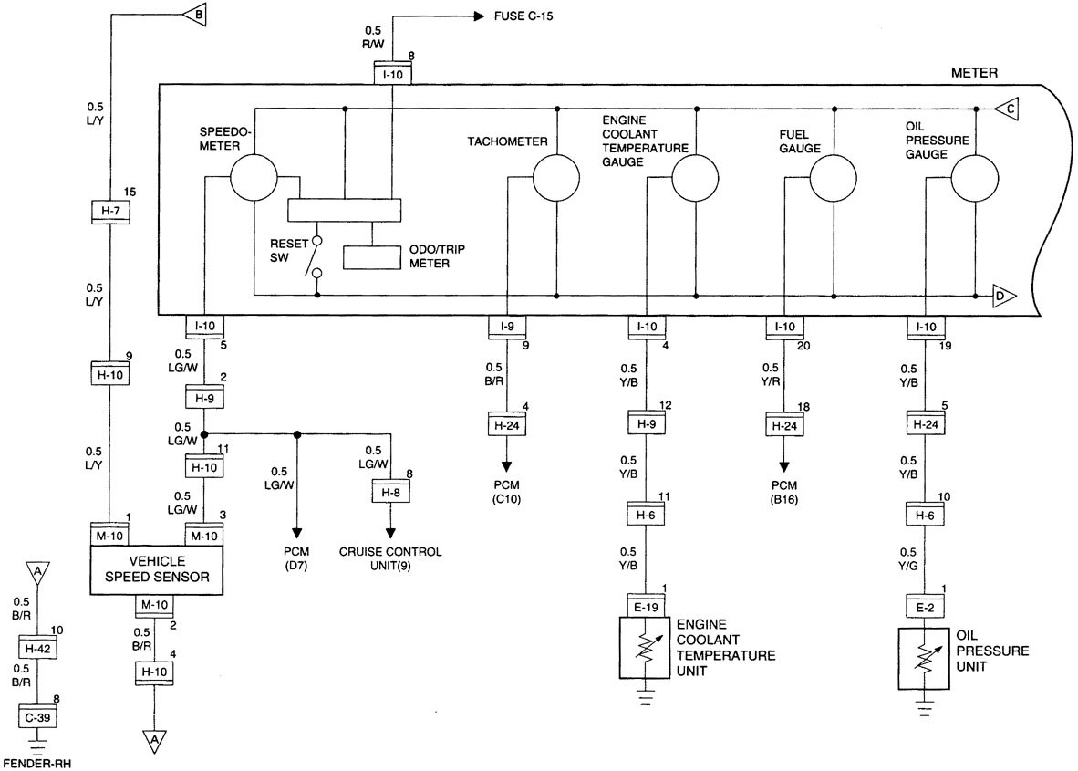
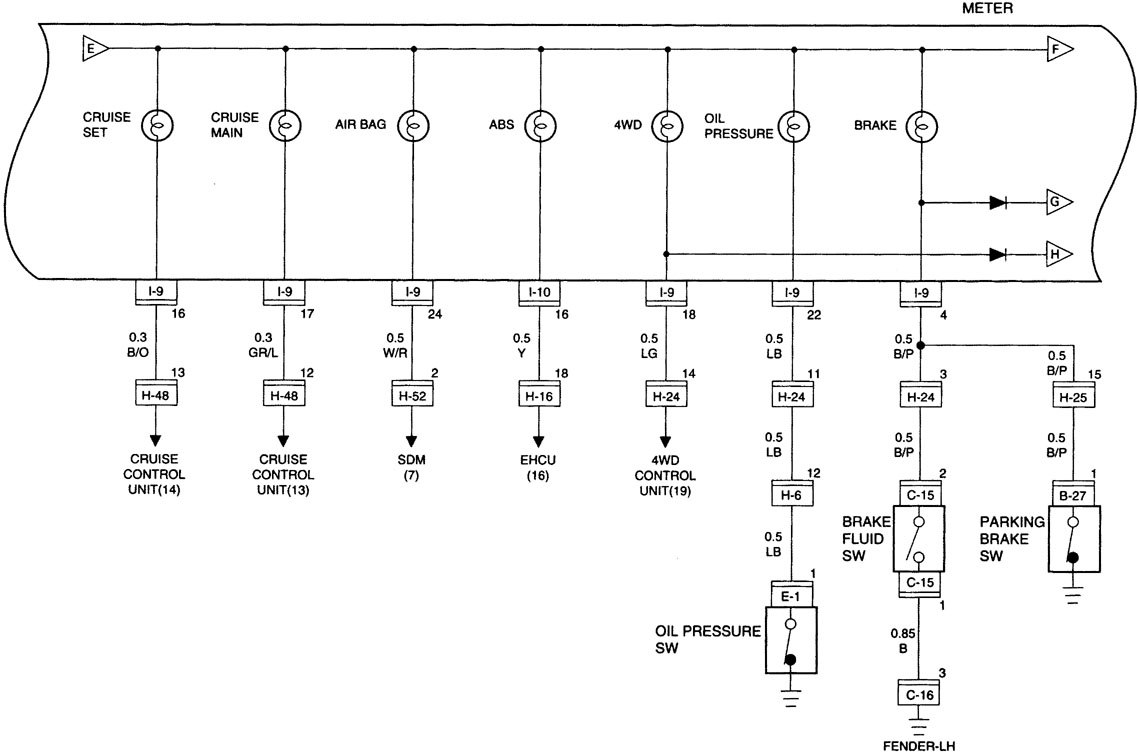
Acura SLX (1998 – 1999) – wiring diagrams – instrumentation
Year of productions: 1998, 1999
Instrumentation
Version 1






Version 2





WARNING: Terminal and harness assignments for individual connectors will vary depending on vehicle equipment level, model, and market.
