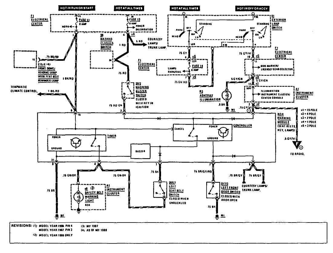
Mercedes-Benz 190E (1990 – 1991) – wiring diagrams – audible warning system
Year of productions: 1990, 1991
Audible warning system

WARNING: Terminal and harness assignments for individual connectors will vary depending on vehicle equipment level, model, and market.
