Kubota M100GX, M110GX, M126GX, M135GX – fuse box diagram
Year of production:
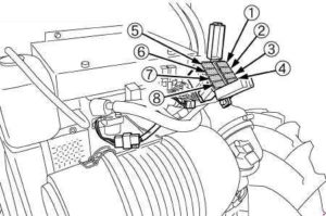
Fuse box diagram

| Number | Ampere ratting [A] | Description |
| 1 | — | — |
| 2 | 10 | ECU (Suspension) |
| 3 | 5 | ECU (Switch) |
| 4 | 20 | Defogger |
| 5 | — | — |
| 6 | 10 | Brake lamp |
| 7 | 5 | Radio |
| 8 | 5 | Air conditioner (Fan control) |
| 9 | 15 | Wiper |
| 10 | 5 | Starter relay |
| 11 | — | — |
| 12 | 5 | Switch (Transmission control) |
| 13 | 5 | Switch (Hitch control) |
| 14 | 10 | ECU (Main) |
| 15 | 5 | Main meter |
| 16 | 5 | 4WD, Bi-speed, Differential lock |
| 17 | 5 | Engine control, PTO valve |
| 18 | 10 | Turn signal |
| 19 | 15 | Loader power aux socket |
| 20 | 5 | LCD monitor |
| 21 | 15 | Work light (Cabin side) |
| 22 | 15 | Work light (Front upper) |
| 23 | — | — |
| 24 | — | — |
| 25 | 10 | Option lamp |
| 26 | 15 | Work light (Rear) |
| 27 | 10 | Work light (Bonnet) |
| 28 | 15 | Seat compressor |
| 29 | 15 | Cigarette socket |
| 30 | 15 | Work light (Option) |
| 31 | — | — |
| 32 | 15 | Head lamp |
| 33 | 30 | Air conditioner fan motor |
| 34 | 10 | Air conditioner compressor |
| 35 | 15 | Tail lamp |
| 36 | 15 | Hazard |
| 37 | 10 | Dome light, Radio |
| 38 | 5 | Horn |
| 39 | 5 | Glow relay |
| 40 | 5 | Back up (ECU, Meter) |
M100GX, M110GX

M126GX, M135GX

| Number | Ampere ratting [A] | Description |
| 1 | 20 | CRS POWER |
M100GX, M110GX

M126GX, M135GX

| Number | Ampere ratting [A] | Description |
| 1 | 40 | Defogger |
| 2 | 30 | Electrical outlet |
| 3 | 40 | Work light (Rear) |
| 4 | 120 | M100GX, M110GX: Engine preheat |
| 40 | M126GX, M135GX: Work light (Hood) Head lamp |
|
| 5 | 40 | M100GX, M110GX: Work light (Hood) Head lamp |
| 60 | M126GX, M135GX: Engine preheat | |
| 6 | 40 | Compressor |
| 7 | 30 | Hazard |
| 8 | 30 | Main key switch |
M100GX, M110GX

M126GX, M135GX

| Number | Ampere ratting [A] | Description |
| 9 | 140 | Alternator |
WARNING: Terminal and harness assignments for individual connectors will vary depending on vehicle equipment level, model, and market.
