Isuzu Rodeo (1994) – fuse box diagram
Year of production: 1994
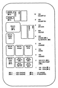
Fuse box diagram


| Number | A | Function |
| 1 | 10 | Ex1enor lights: front park. rear side marker. park. and license lights; dash and console lights |
| 2 | 10 | Brake lights |
| 3 | 10 | Dome and luggage room lights; radio; electronic engine control |
| 4 | 25 | Rear defogger |
| 5 | 20 | Engine control |
| 6 | 15 | Windshield wiper/washer |
| 7 | 10 | Indicators; gauges; turn and hazard lights; power windows |
| 8 | 10 | Charging system: back up lights; electronic engine control |
| 9 | 15 | Ignition system |
| 10 | 10 | Rear wiper/washer |
| 11 | 10 | Starting system |
| 12 | 15 | Cigarette lighter: sound system |
| 13 | 20 | Rear wheel antilock brakes system |
| 14 | 25 | Spare |
| 15 | 10 | Spare |
| 16 | 15 | Spare |
| 17 | 20 | Spare |
WARNING: Terminal and harness assignments for individual connectors will vary depending on vehicle equipment level, model, and market.
