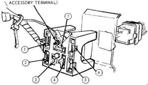
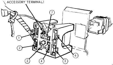
Ford Mustang (1971 – 1973) – fuse box diagram
Year of production: 1971, 1972, 1973
Fuse box
| Fuse | Ampere Rating [A] | Description |
| 1 | 20 | Horns, cigar lighter |
| 2 | 14 | Courtesy, dome, map, luggage & glove compartment lights, seat belt latch relay, clock feed, ignition key warning, headlight buzzer |
| 3 | 4 | Instrument panel, cluster, ash tray & cigar lighter illumination |
| 4 | 14 | Heater & defroster |
| 30 | Air conditioning | |
| 5 | 4 | Instrument & Cluster Lamps, Radio, Heater and A/C Controls, Clock, Ash Tray Lamp |
| 6 | 15 | Back-up lights, radio, windshield washer, turn signal warning system |
| 7 | 20 | Accessory feed, power window relay and rear window defroster |
Circuit Breakers
| Fuse | Circuit(s) protected | Ampere ratting [A] | Location |
| 1 | Headlight Circuit | 12 | Circuit breaker integral with lighting switch |
| 2 | Parking, Marker, License, Tail, & Shift Quadrant Lights, Headlight Warning Relay | 15 | Circuit breaker integral with lighting switch |
| 3 | Stop Lights & Emergency Warning System | 15 | Circuit breaker on relay panel above glove box |
| 4 | Power Windows, Top, Seats & Seat Back Latch, Engine Compartment Light | 20 | Circuit breaker on starter relay |
| 5 | Windshield Wiper | 7 | Circuit breaker integral wiper switch |
| 6 | Power Window & Seat Motors | — | Circuit breaker in motors |
WARNING: Terminal and harness assignments for individual connectors will vary depending on vehicle equipment level, model, and market.

