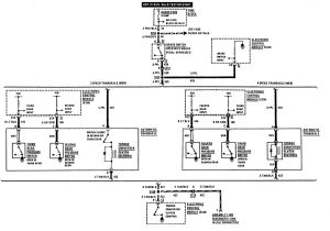
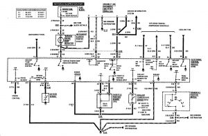
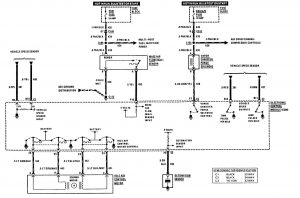
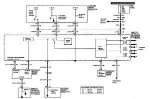
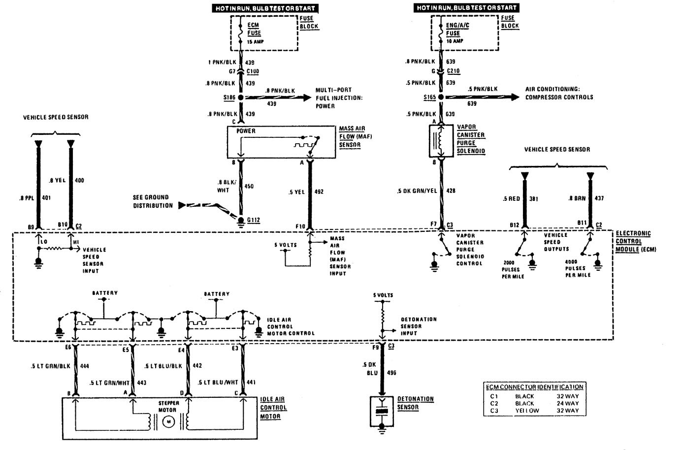
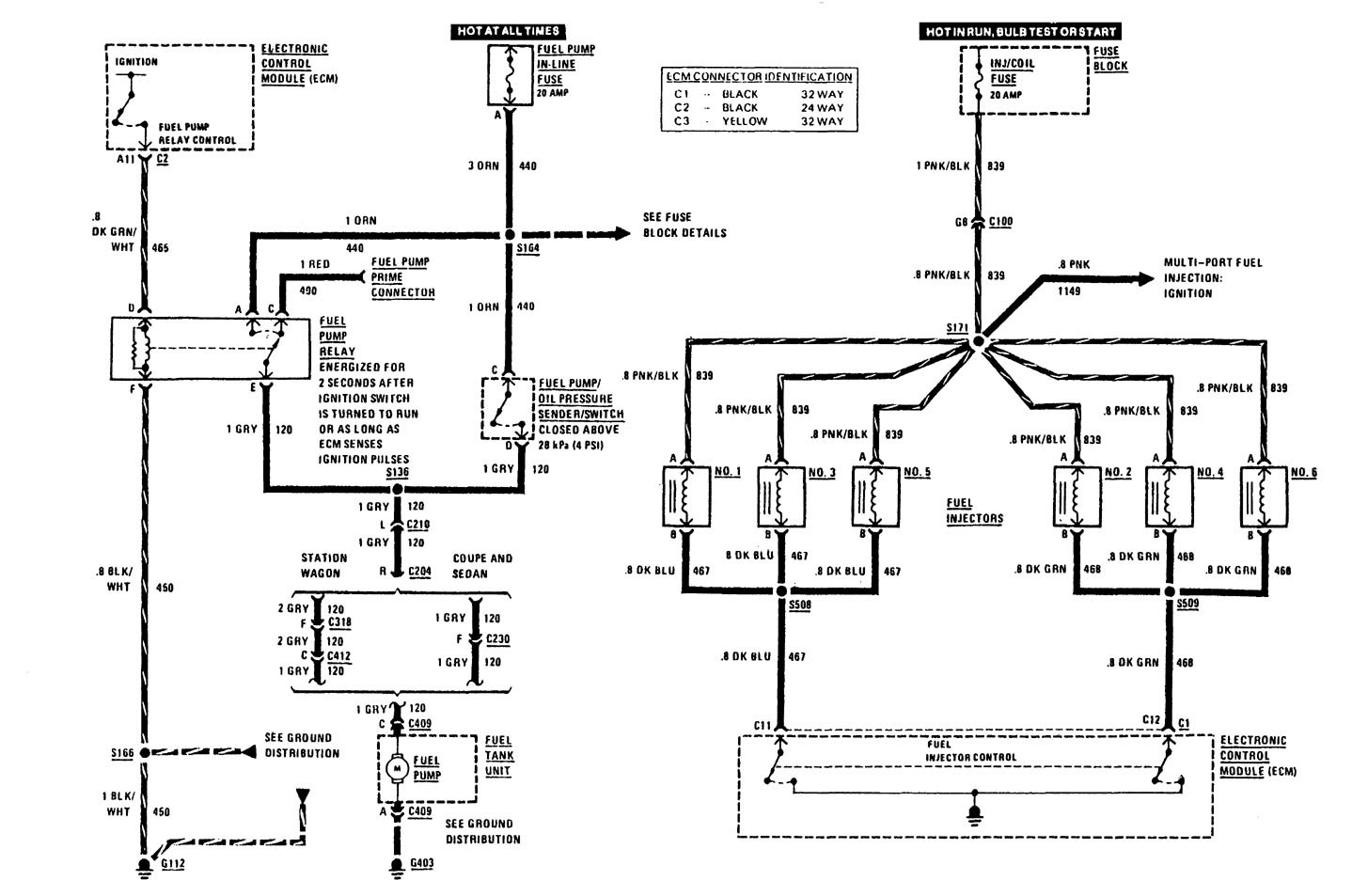
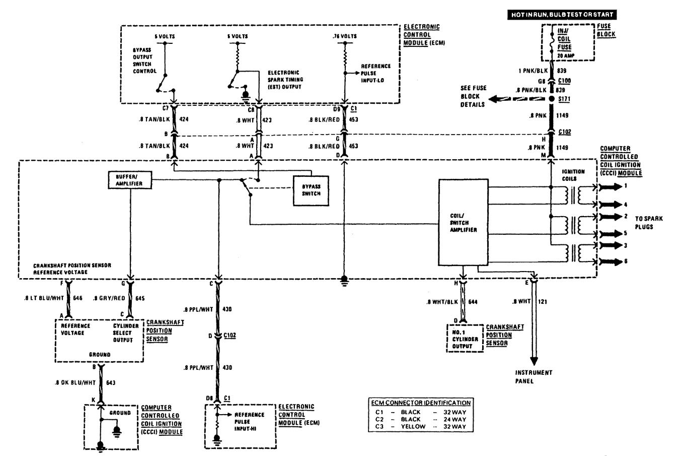
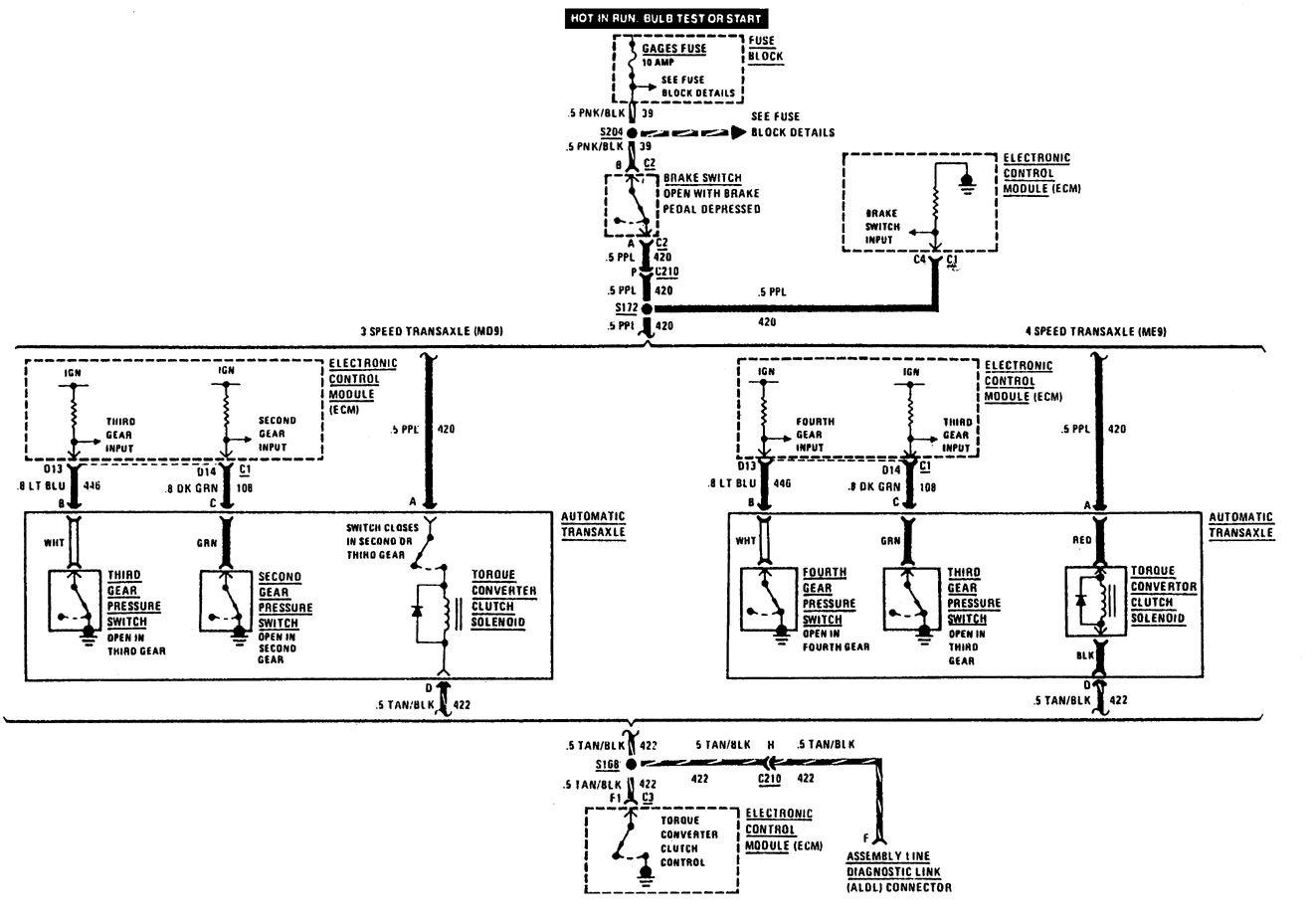
Buick Century (1991) – wiring diagrams – fuel controls
Year of productions: 1991
Fuel controls
Version 1






Version 2

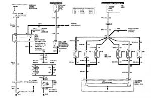
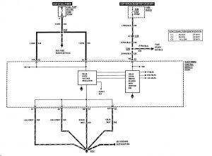
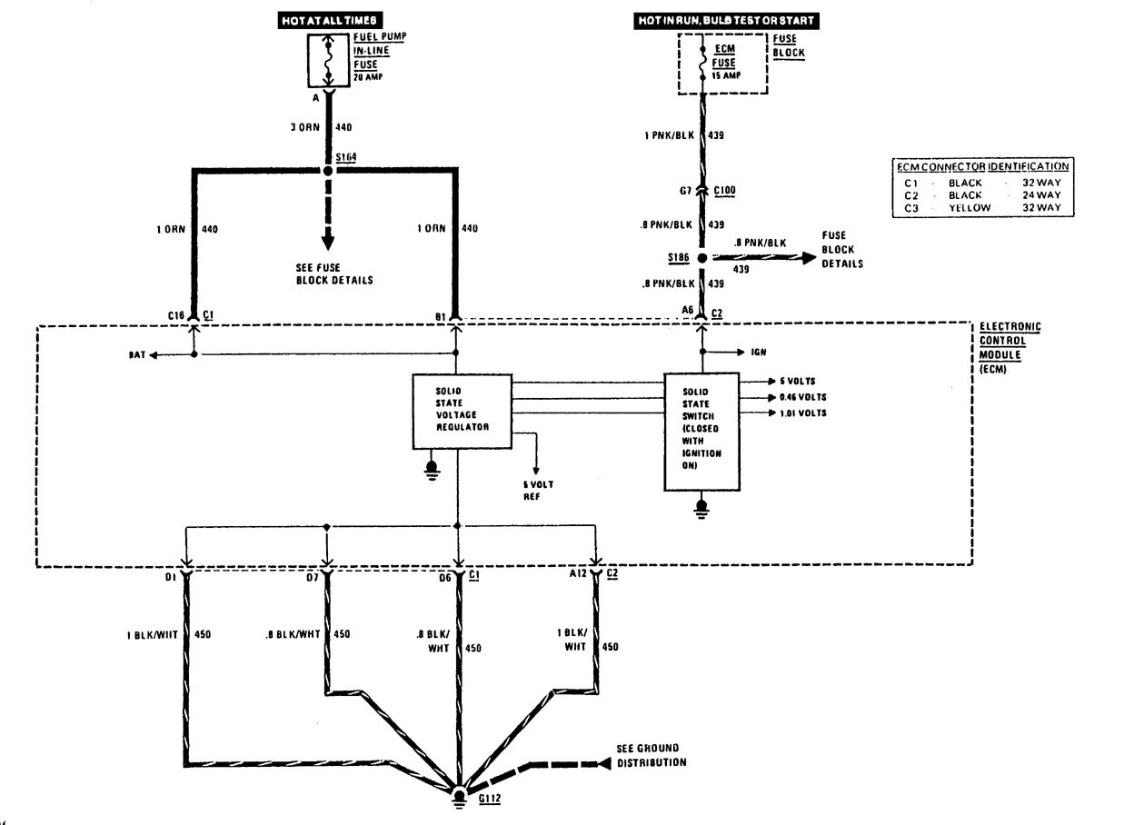
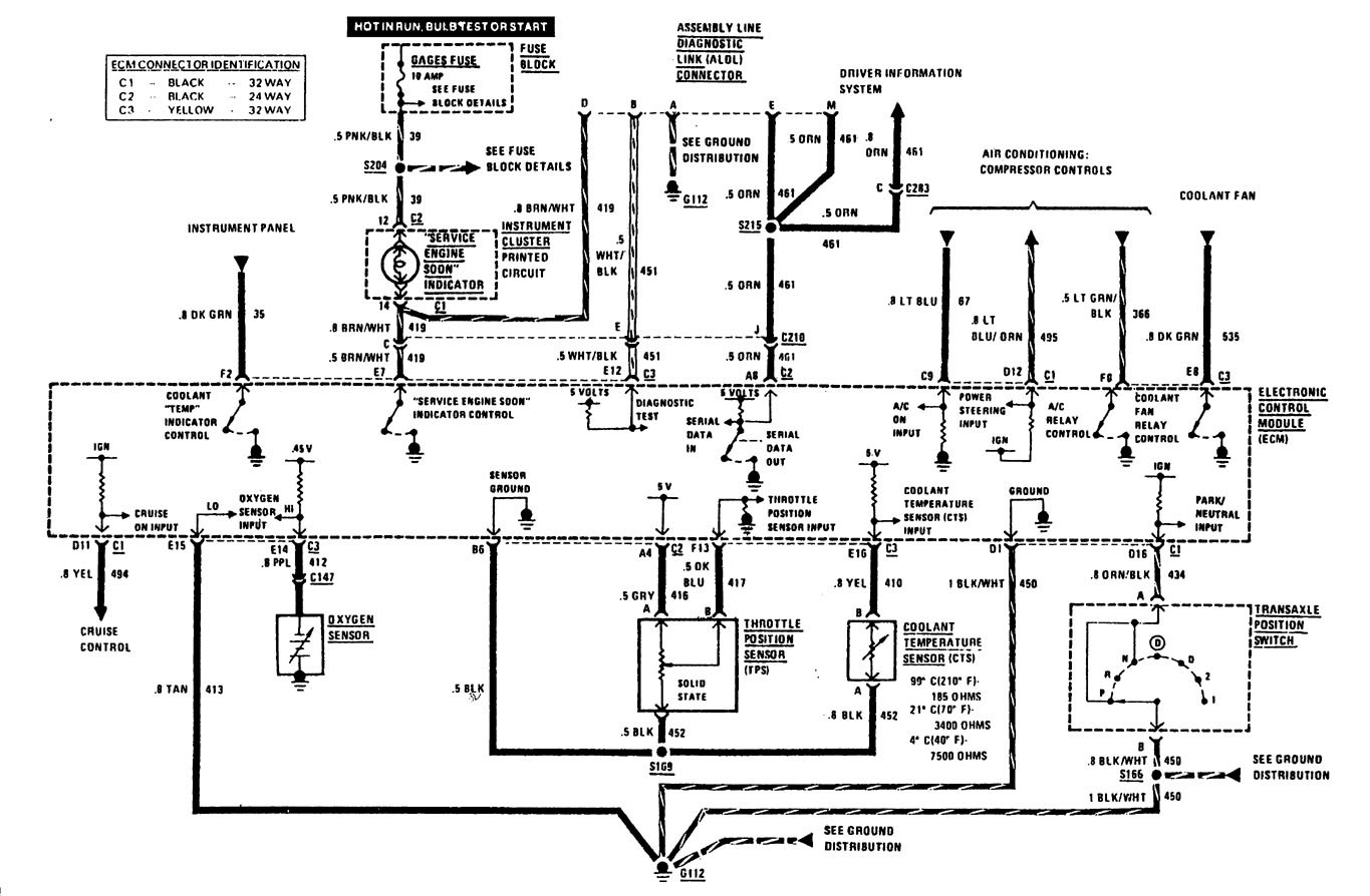
WARNING: Terminal and harness assignments for individual connectors will vary depending on vehicle equipment level, model, and market.
Year of productions: 1991







WARNING: Terminal and harness assignments for individual connectors will vary depending on vehicle equipment level, model, and market.
Copyright © 2026 | MH Magazine WordPress Theme by MH Themes