Buick Century (1990) – wiring diagrams – wiper/washer
Year of productions: 1990
Wiper/washer
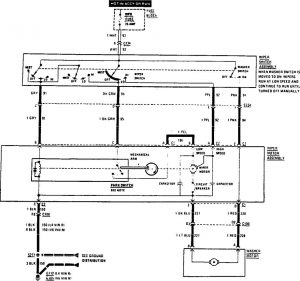
Version 1

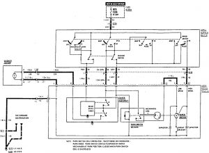
Version 2

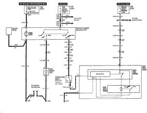
Version 3

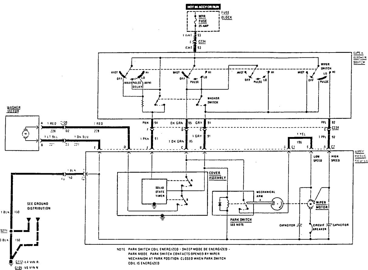
WARNING: Terminal and harness assignments for individual connectors will vary depending on vehicle equipment level, model, and market.
