Acura RL (2005) – wiring diagrams – transmission controls Year of production: 2005 Transmission controls Version 1 Version 2 WARNING: Terminal and harness assignments for individual connectors will vary depending on vehicle equipment level, model, and […]
Acura Vigor (1992) – wiring diagrams – luggage compartment lamps Year of productions: 1992 Luggage compartment lamps WARNING: Terminal and harness assignments for individual connectors will vary depending on vehicle equipment level, model, and market.
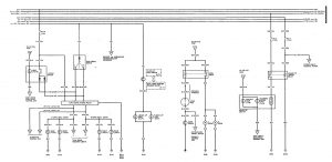
Volvo S70 (1998) – wiring diagrams – air bags Year of productions: 1998 Air bags WARNING: Terminal and harness assignments for individual connectors will vary depending on vehicle equipment level, model, and market.