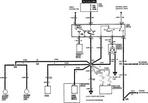
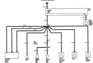
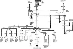
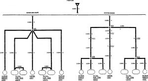
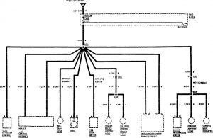
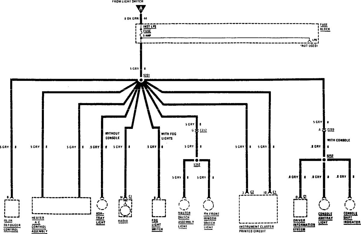
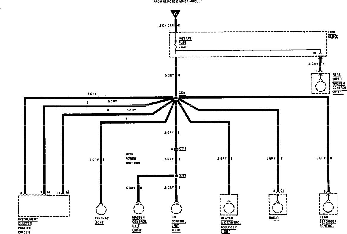
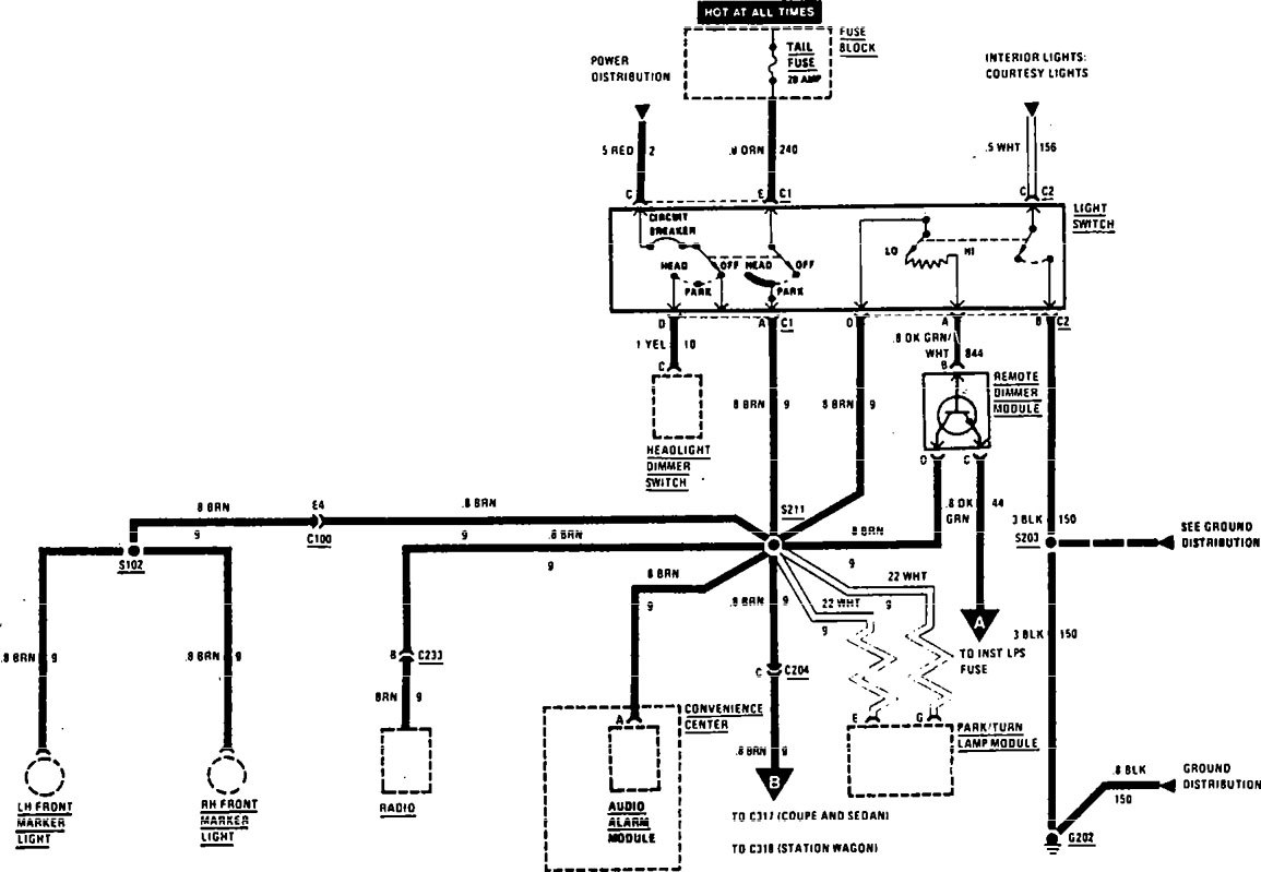
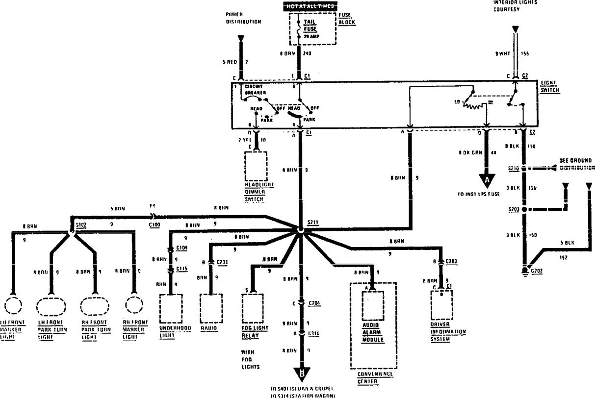
Buick Century (1990) – wiring diagrams – light switch
Year of productions: 1990
Light switch
Version 1


Version 2

Version 3

Version 4



WARNING: Terminal and harness assignments for individual connectors will vary depending on vehicle equipment level, model, and market.
