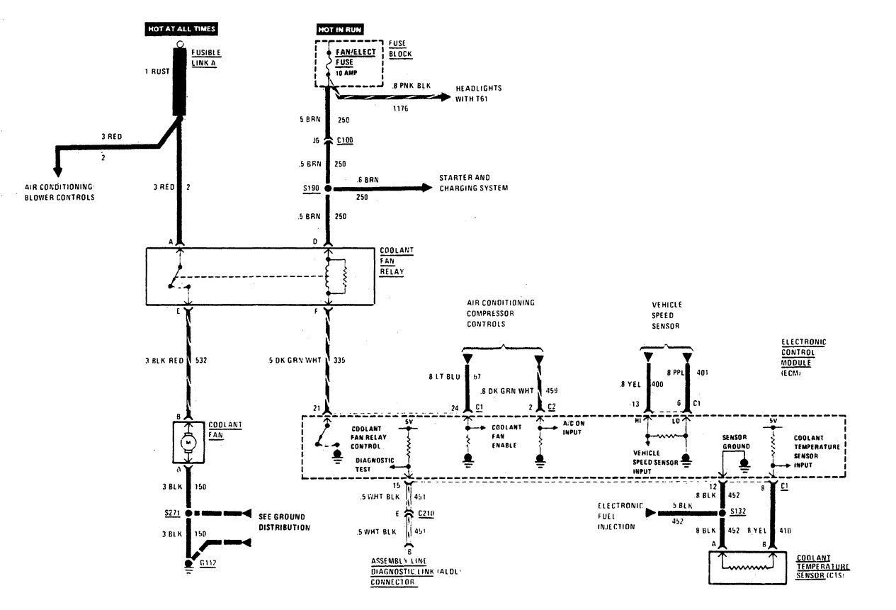
Buick Century (1990) – wiring diagrams – cooling fans

Buick Century (1990) – wiring diagrams – cooling fans

Year of productions:  1990

Cooling fan

Buick Century – wiring diagram – cooling fans

WARNING: Terminal and harness assignments for individual connectors will vary depending on vehicle equipment level, model, and market.