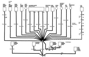
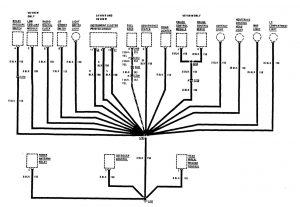
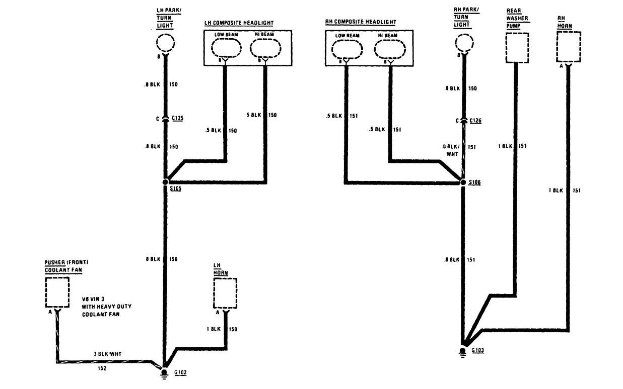
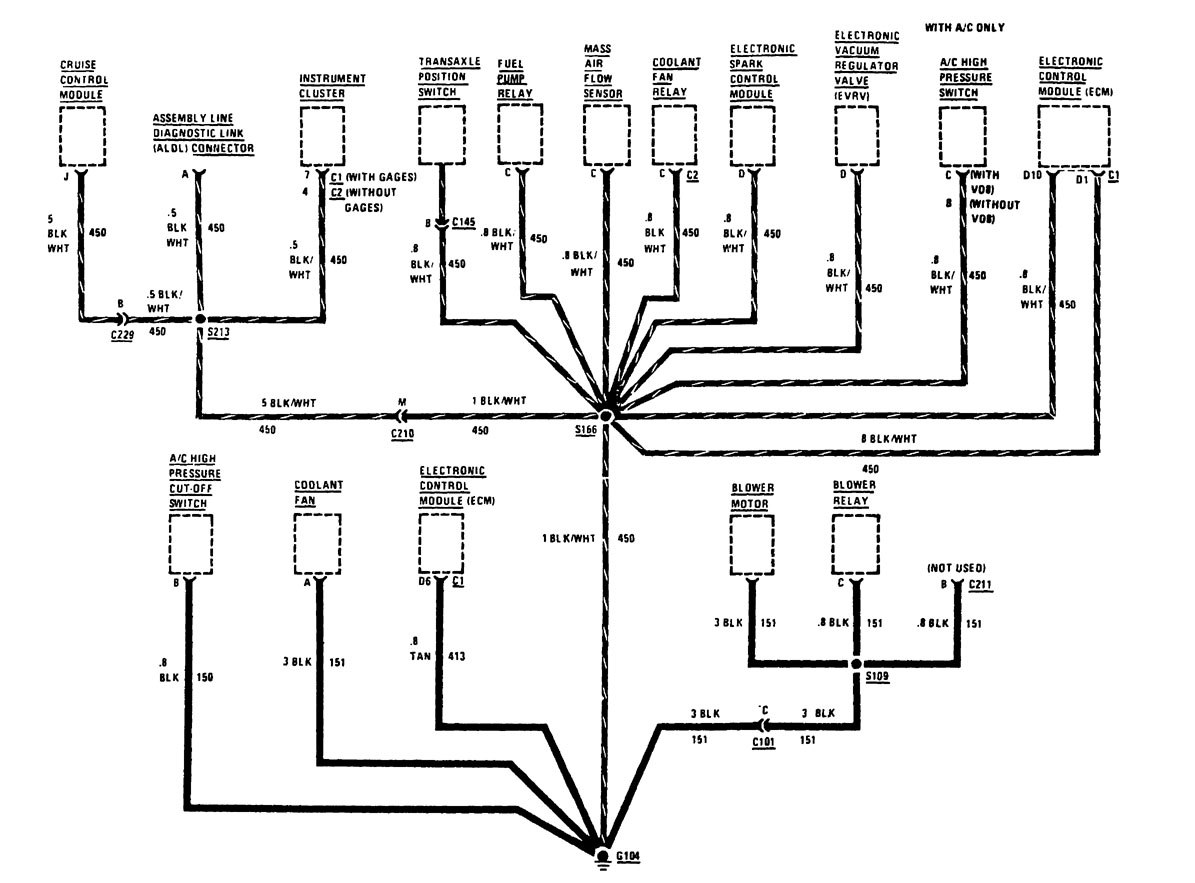
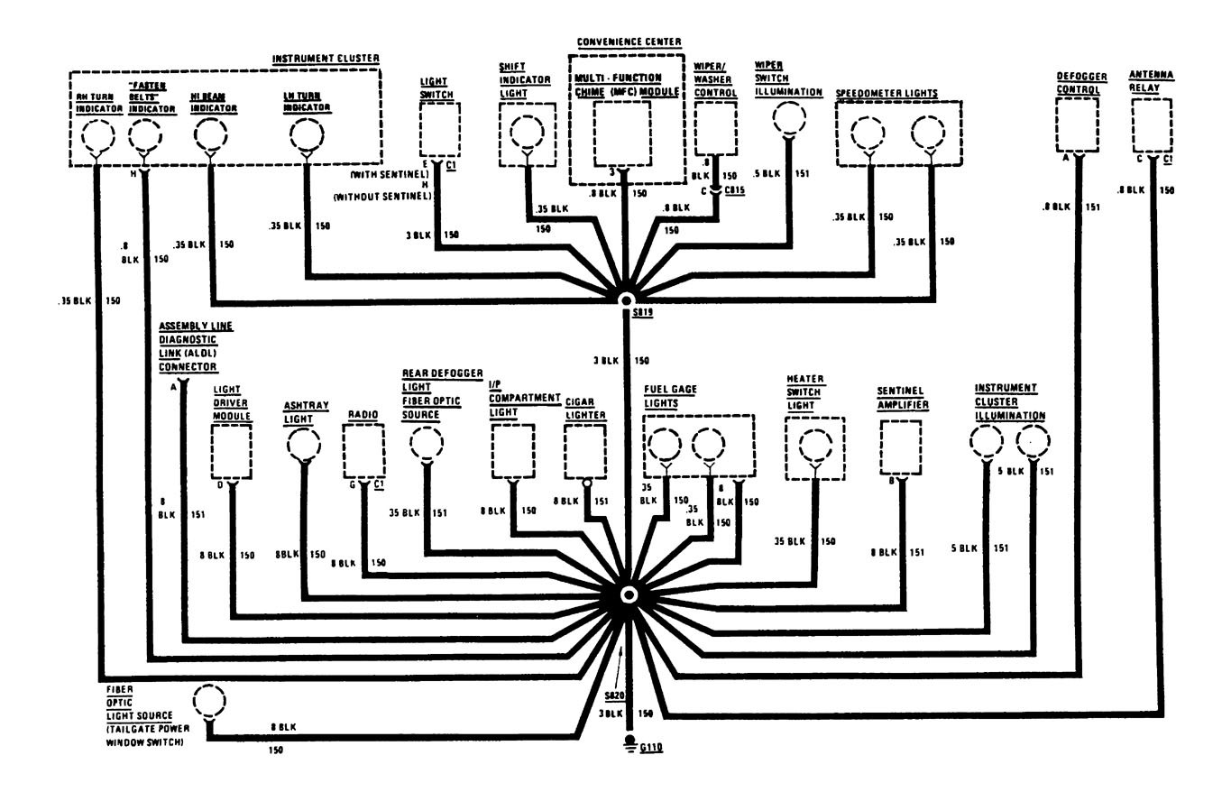
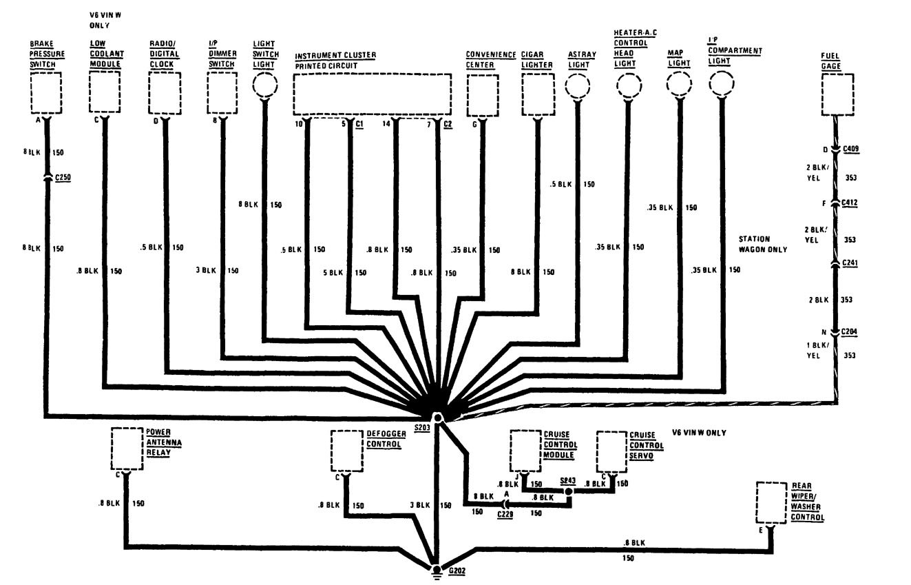
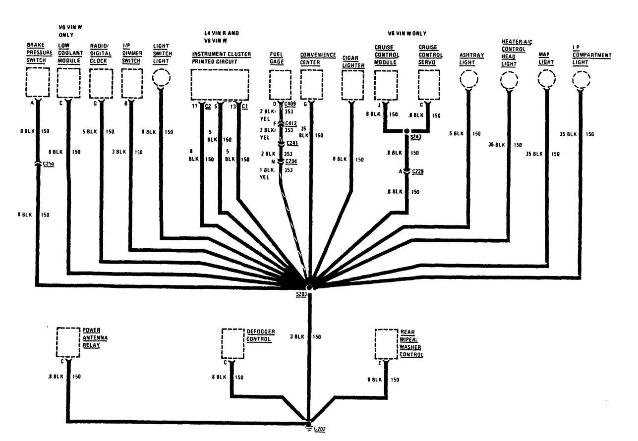
Buick Century (1988) – wiring diagrams – ground distribution
Year of productions: 1988
Ground distribution
Version 1

Version 2

Version 3

Version 4

Version 5

Version 6

Version 7




WARNING: Terminal and harness assignments for individual connectors will vary depending on vehicle equipment level, model, and market.
