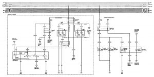
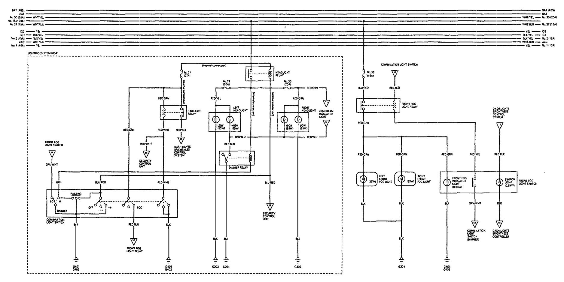
Acura Vigor (1993) – wiring diagrams – headlamps
Year of productions: 1993
Headlamps

WARNING: Terminal and harness assignments for individual connectors will vary depending on vehicle equipment level, model, and market.
Copyright © 2026 | MH Magazine WordPress Theme by MH Themes