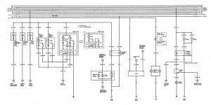
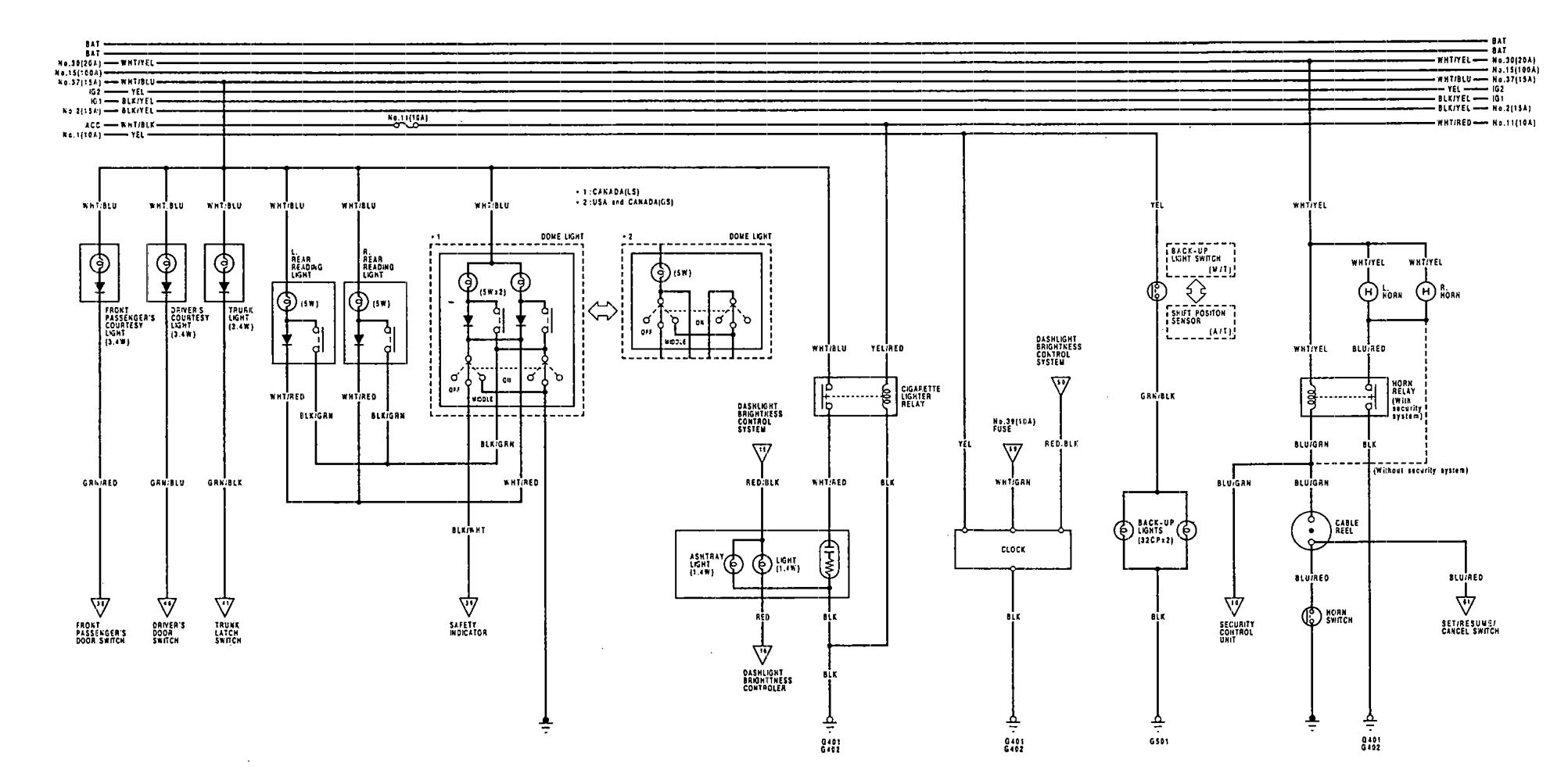
Acura Vigor (1992) – wiring diagrams – luggage compartment lamps
Year of productions: 1992
Luggage compartment lamps

WARNING: Terminal and harness assignments for individual connectors will vary depending on vehicle equipment level, model, and market.
