Acura RL (2008) – wiring diagrams – power seats Year of productions: 2008 Power seats Version 1 Version 2 Version 3 Version 4 Version 5 WARNING: Terminal and harness assignments for individual connectors will vary […]
Volvo 850 (1996 – 1997) – wiring diagrams – turn signal lamp Year of productions: 1996, 1997 Turn signal lamp WARNING: Terminal and harness assignments for individual connectors will vary depending on vehicle equipment level, […]
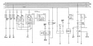
Acura TL (2009 – 2010) – wiring diagrams – speed control Year of productions: 2009, 2010 Speed control WARNING: Terminal and harness assignments for individual connectors will vary depending on vehicle equipment level, model, and […]