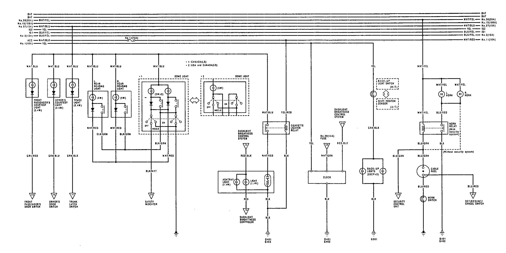
Acura Vigor (1992) – wiring diagrams – cigar lighter
Year of productions: 1992
Cigar lighter

WARNING: Terminal and harness assignments for individual connectors will vary depending on vehicle equipment level, model, and market.
Copyright © 2026 | MH Magazine WordPress Theme by MH Themes