Mercedes-Benz 300TE (1990) – wiring diagrams – instrumentation Year of productions: 1990 Instrumentation WARNING: Terminal and harness assignments for individual connectors will vary depending on vehicle equipment level, model, and market.
Volvo 740 (1990) – wiring diagrams – engine compartment lamp Year of productions: 1990 Engine compartment lamp WARNING: Terminal and harness assignments for individual connectors will vary depending on vehicle equipment level, model, and market.
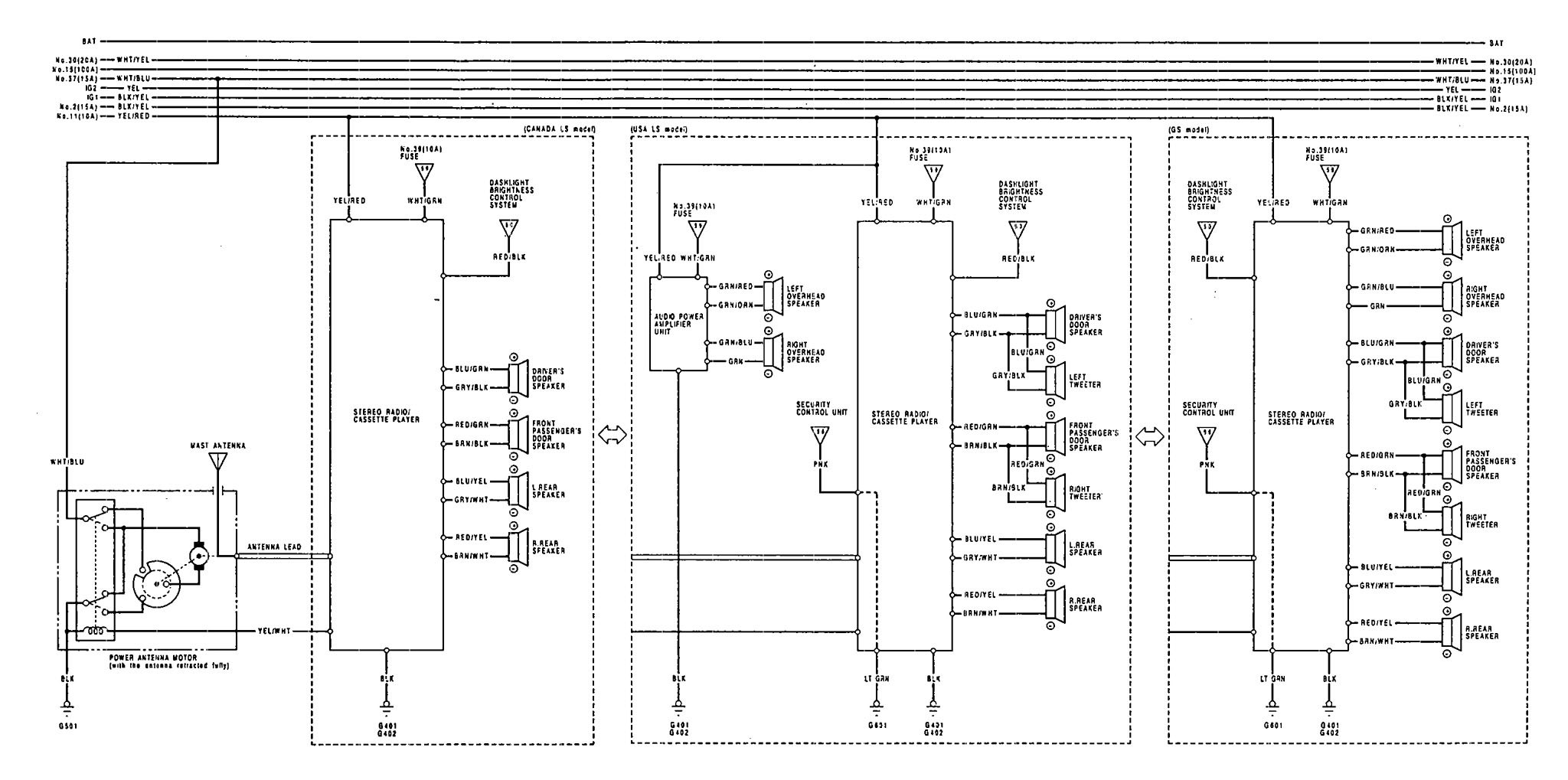
Acura Legend (1991) – wiring system – security/anti-theft Year of productions: 1991 Security/anti-theft WARNING: Terminal and harness assignments for individual connectors will vary depending on vehicle equipment level, model, and market.