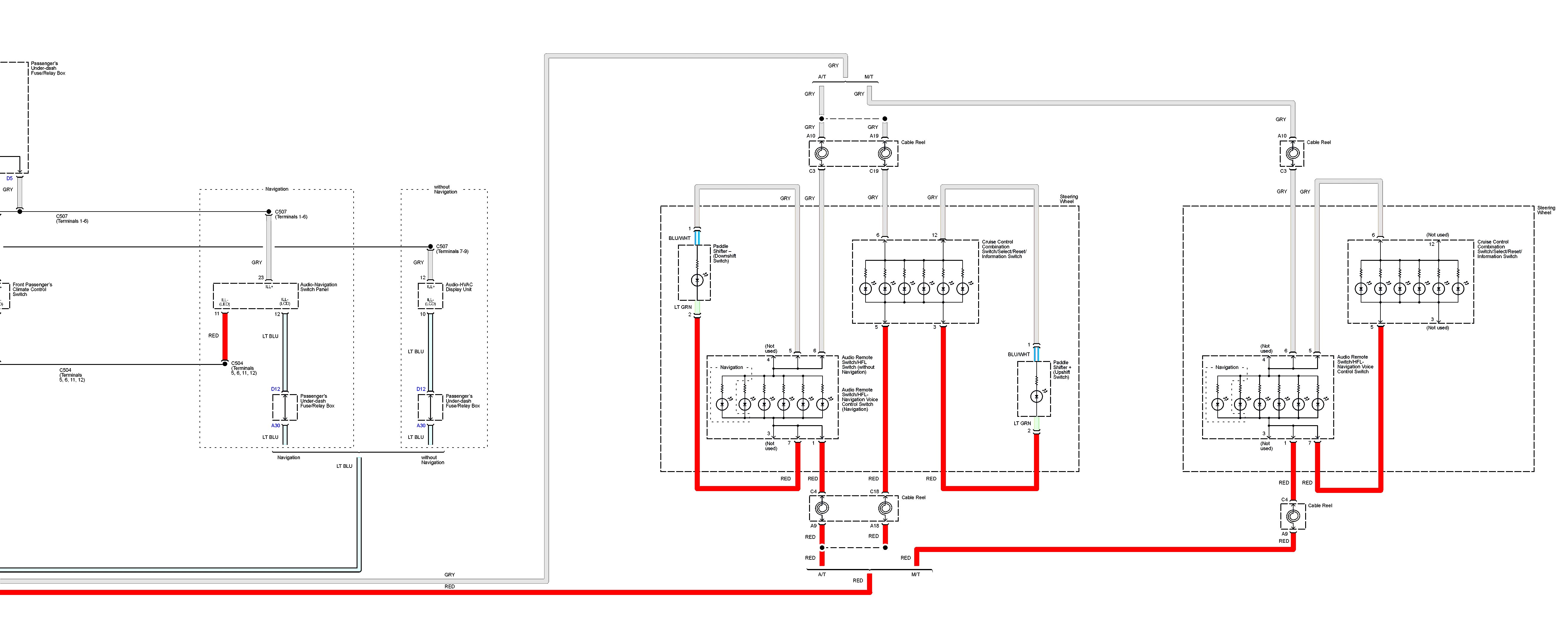
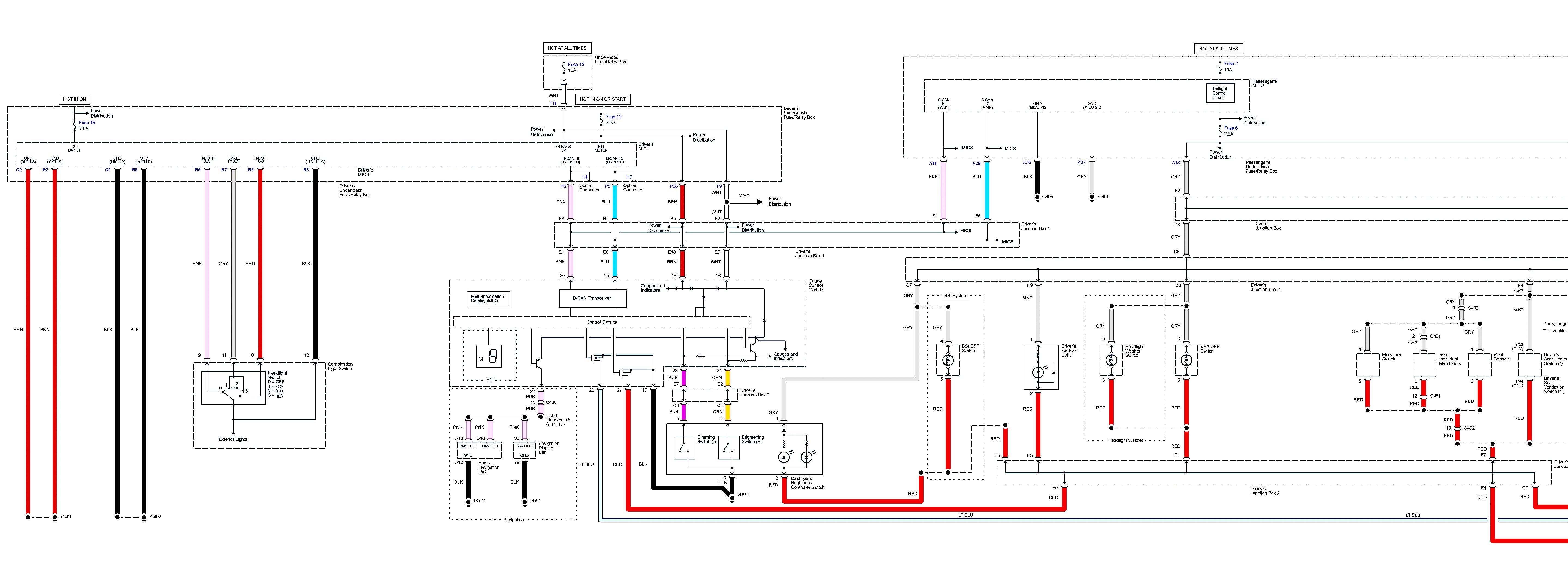
Acura TL (2013 – 2014) – wiring diagrams – instrument panel lamp
Year of productions: 2013, 2014
Instrument panel lamp



WARNING: Terminal and harness assignments for individual connectors will vary depending on vehicle equipment level, model, and market.
