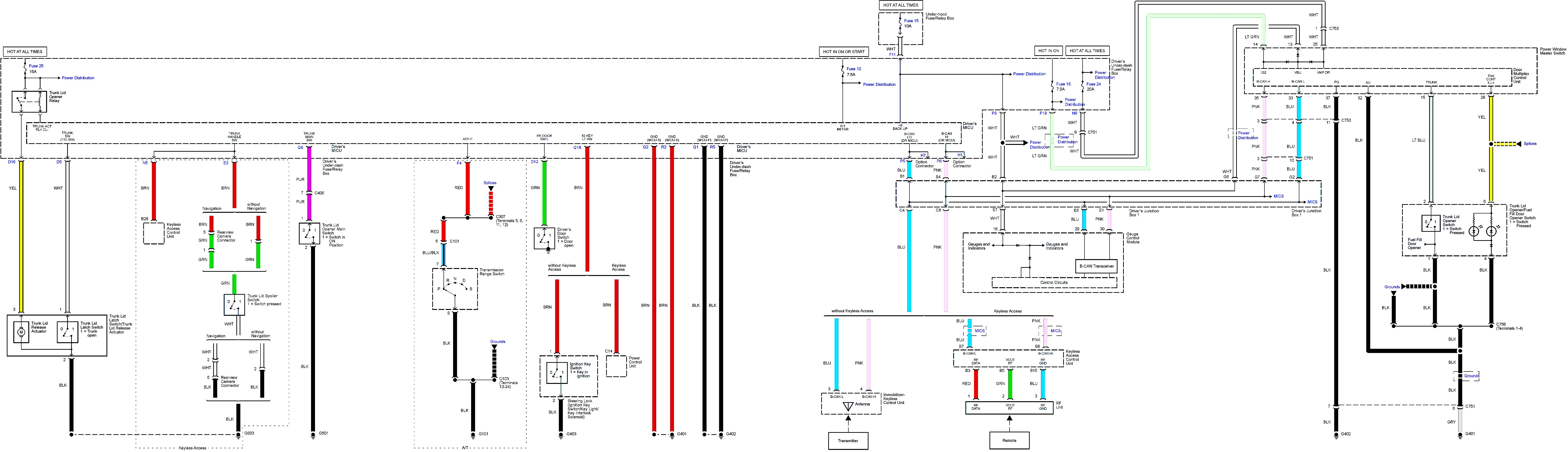
Acura TL (2013 – 2014) – wiring diagram – luggage compartment release
Year of productions: 2013, 2014
Luggage compartment release

luggage compartment release
WARNING: Terminal and harness assignments for individual connectors will vary depending on vehicle equipment level, model, and market.
