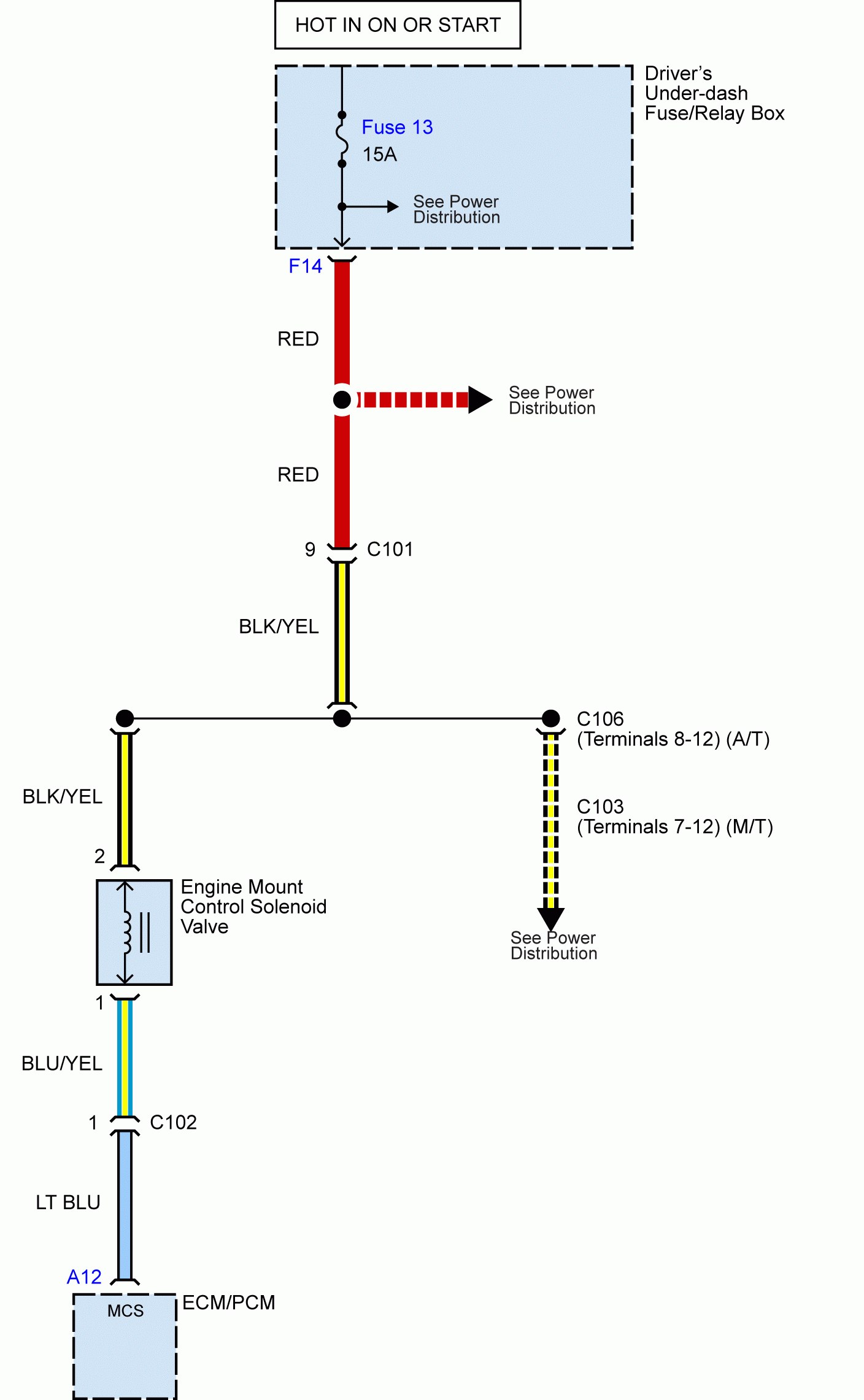
Acura TL (2011 – 2014) – wiring diagrams – engine mount control
Year of productions: 2011, 2012, 2013, 2014
Engine mount control

WARNING: Terminal and harness assignments for individual connectors will vary depending on vehicle equipment level, model, and market.
