Acura TL (2010 – 2011) – wiring diagrams – home link
Year of productions: 2010, 2011
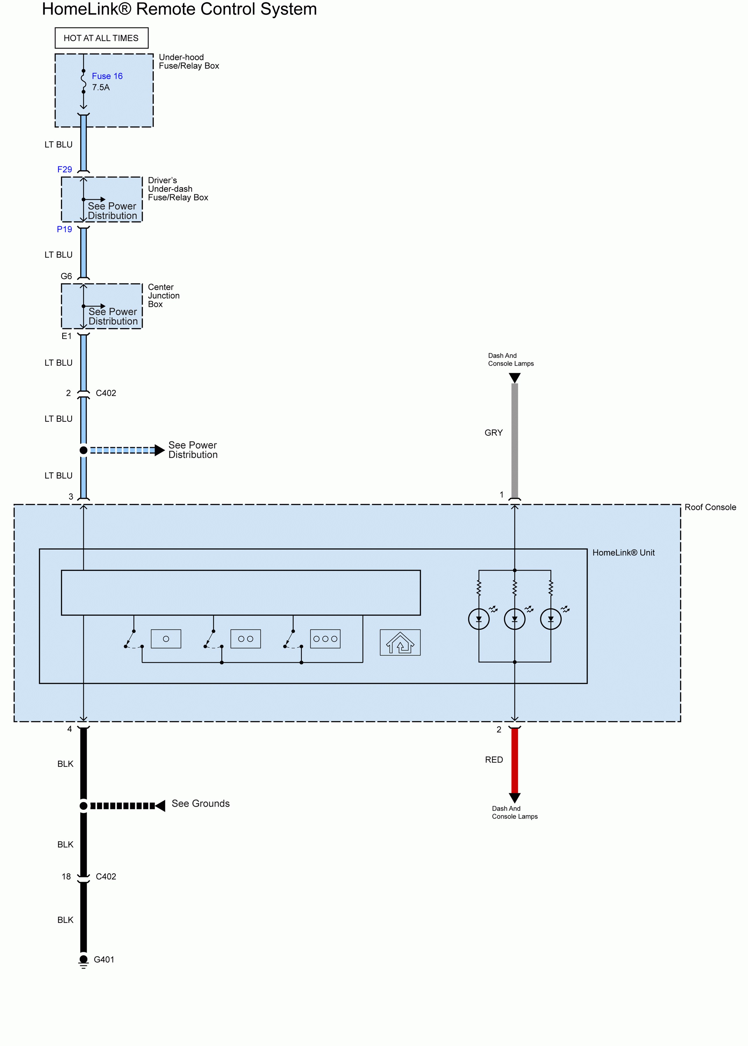
Home link

WARNING: Terminal and harness assignments for individual connectors will vary depending on vehicle equipment level, model, and market.
Copyright © 2025 | MH Magazine WordPress Theme by MH Themes