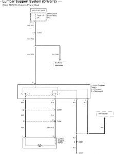
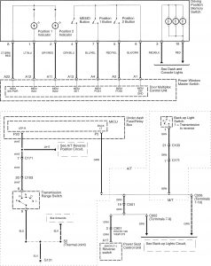
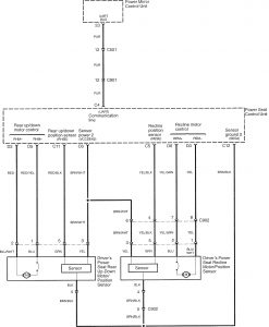
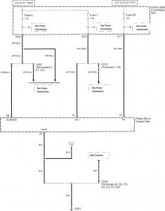
Acura TL (2007) – wiring diagrams – power seats
Year of productions: 2007
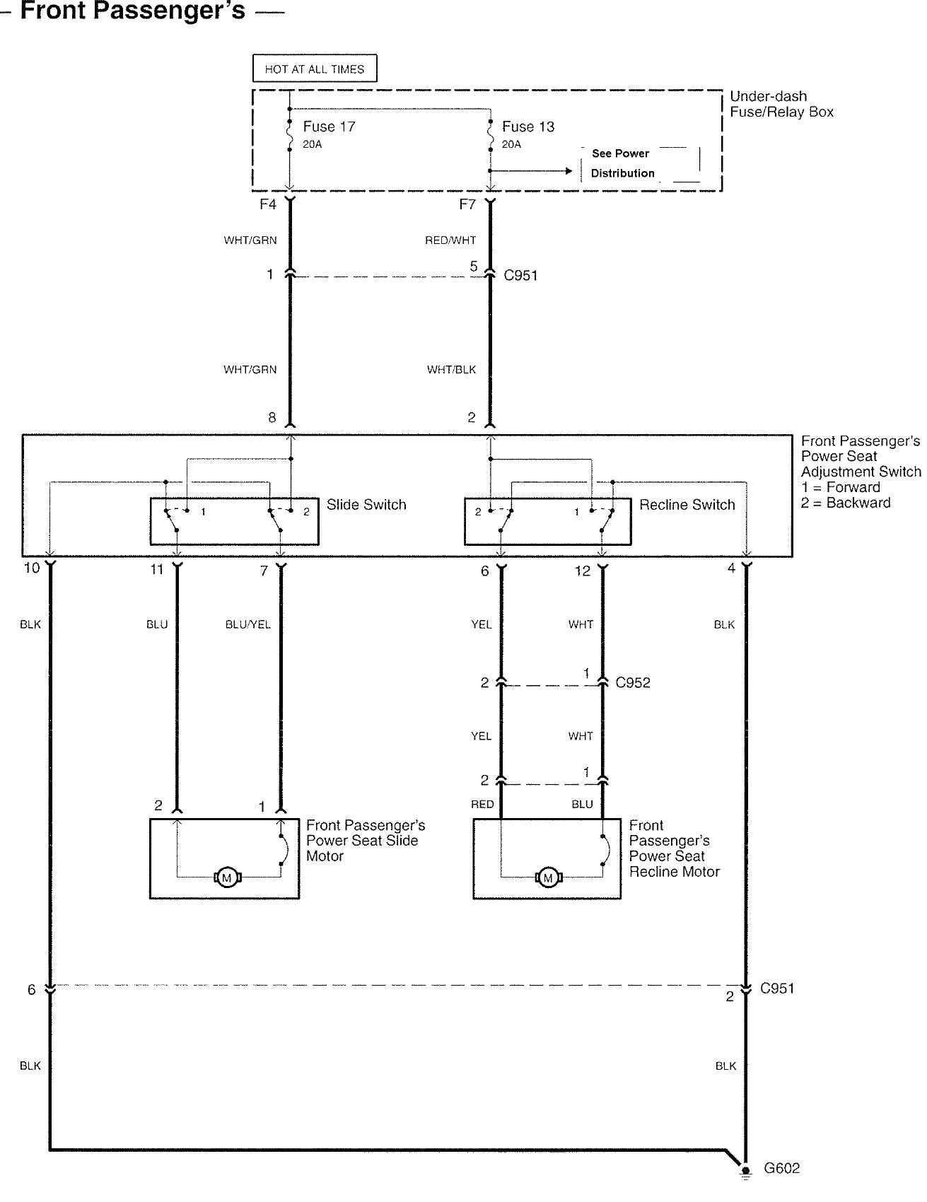
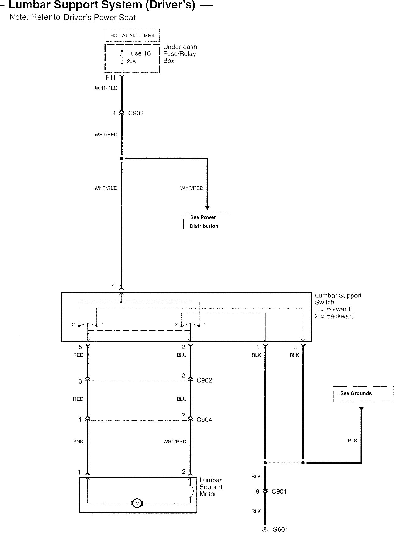
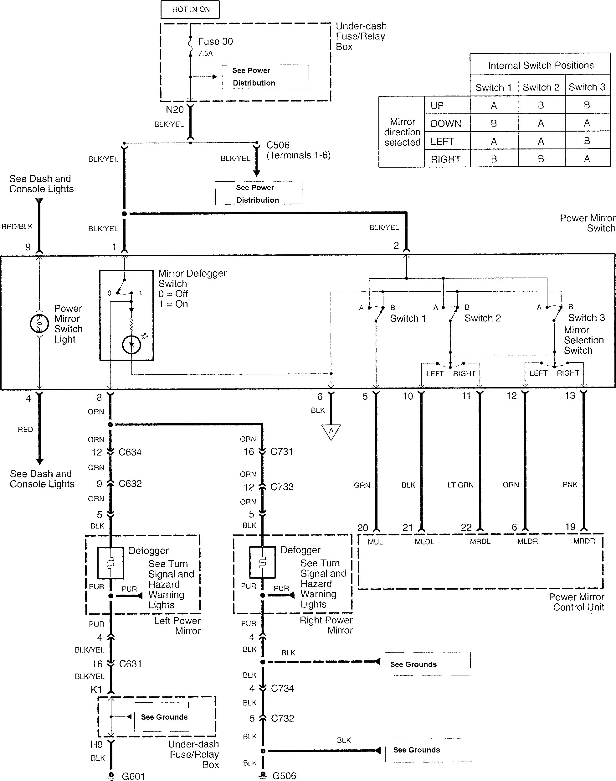
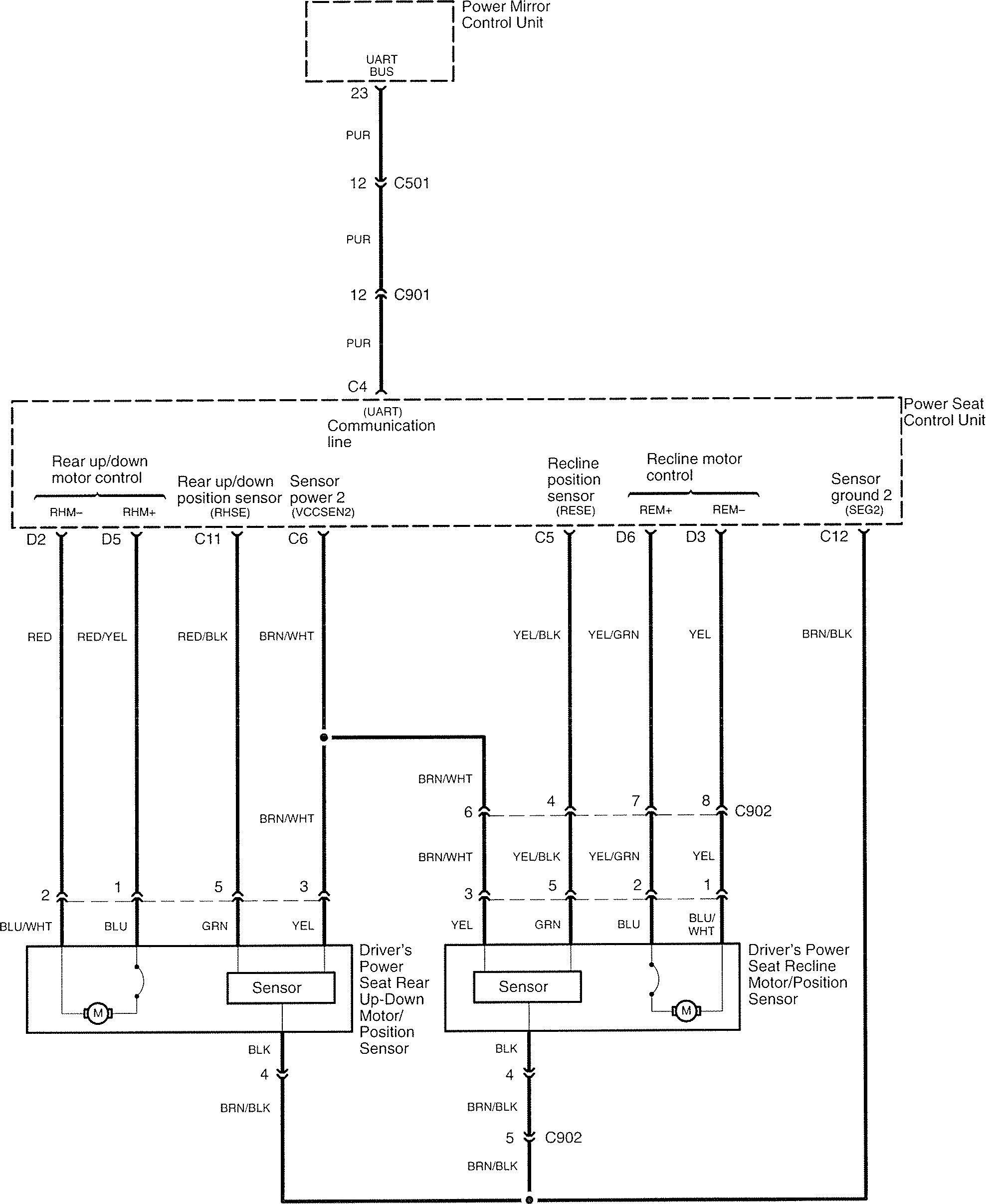
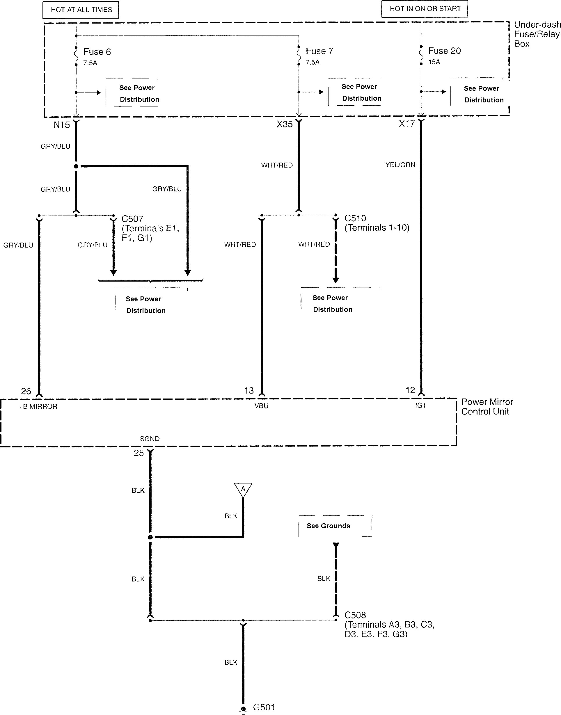
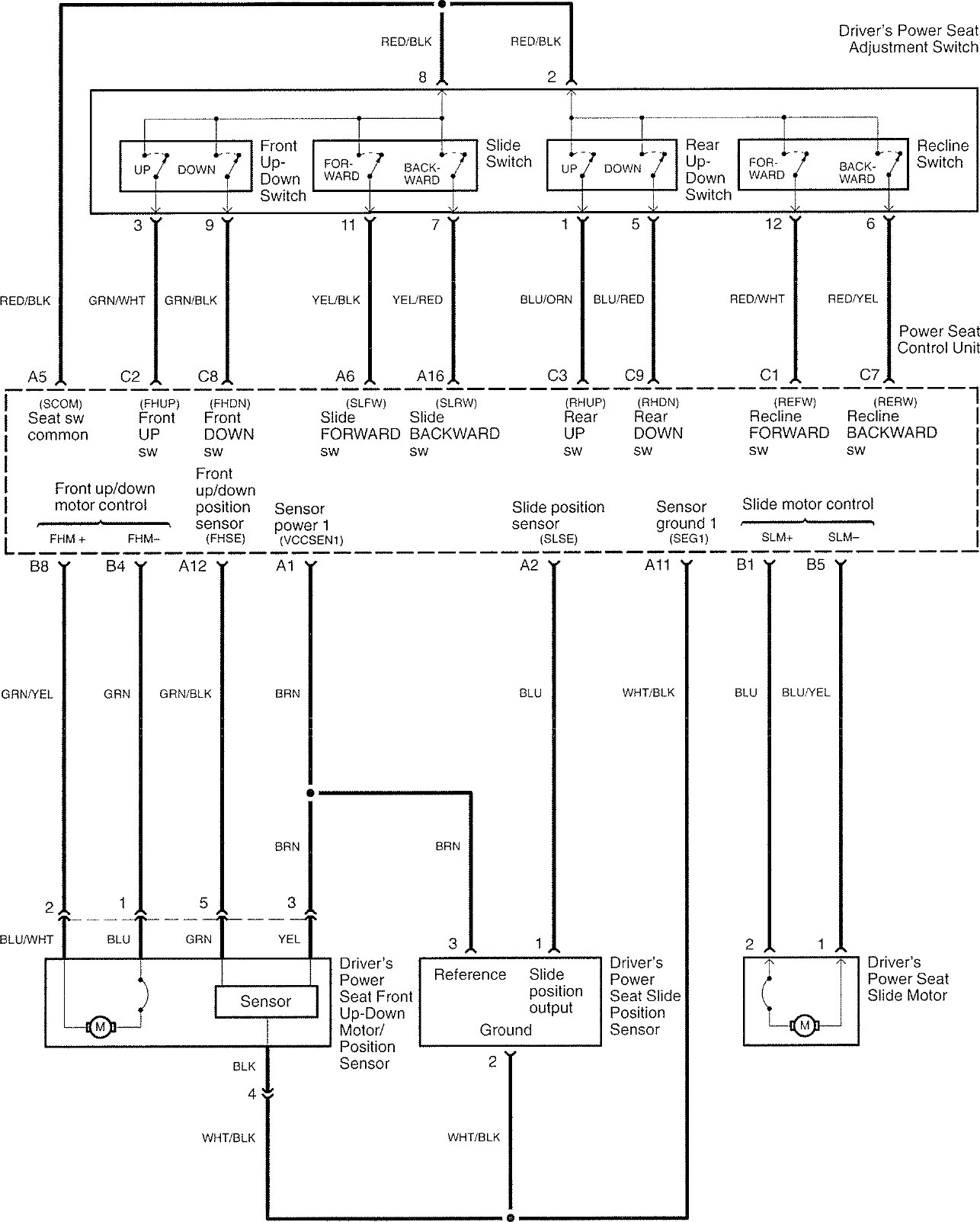
Power seats
Version 1


Version 2







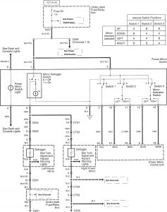
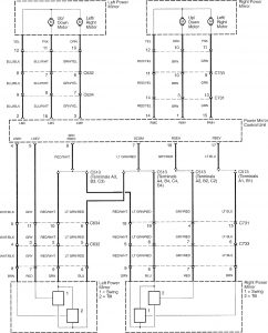
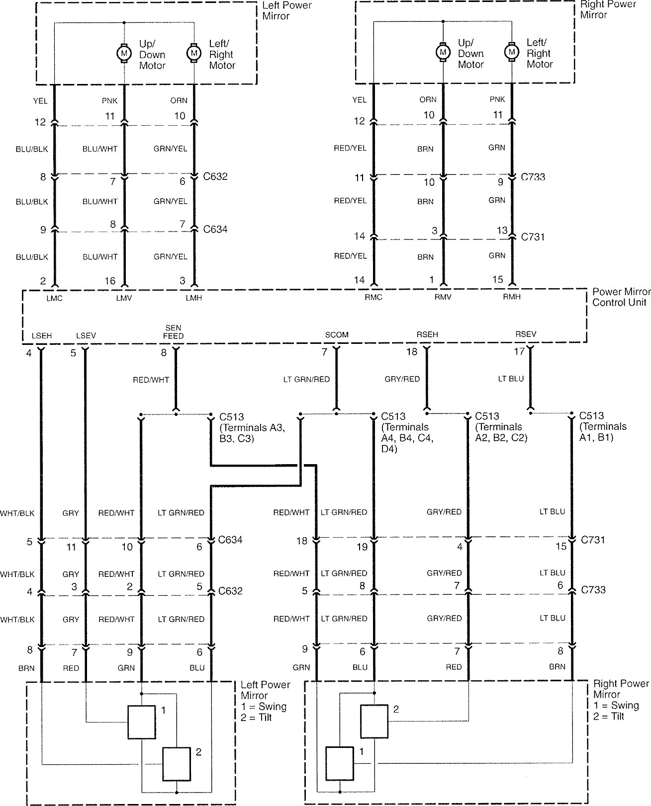
WARNING: Terminal and harness assignments for individual connectors will vary depending on vehicle equipment level, model, and market.
Year of productions: 2007









WARNING: Terminal and harness assignments for individual connectors will vary depending on vehicle equipment level, model, and market.
Copyright © 2025 | MH Magazine WordPress Theme by MH Themes