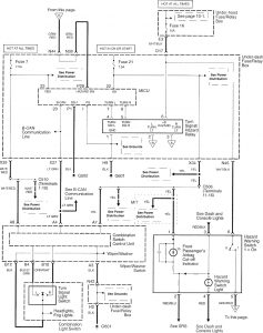
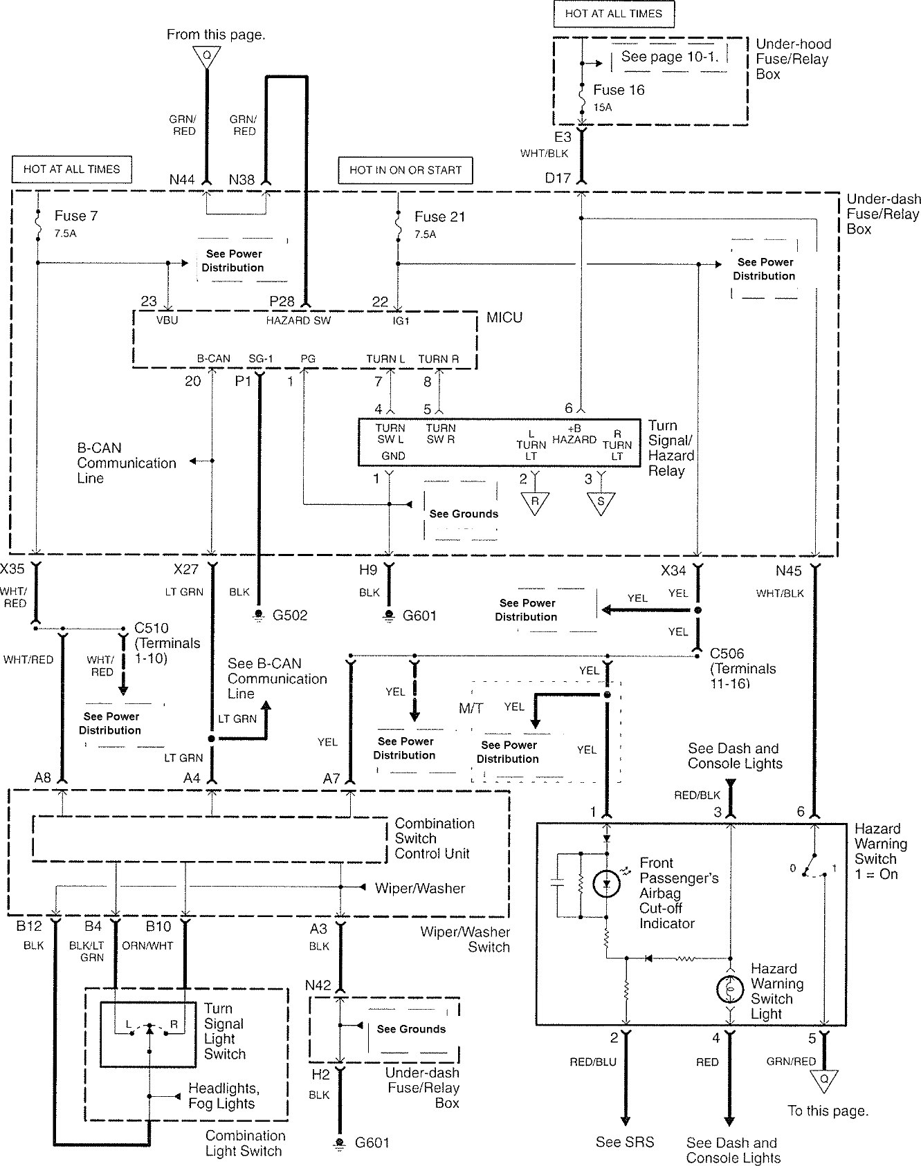
Acura TL (2007 – 2008) – wiring diagrams – hazard lamp
Year of productions: 2007, 2008
Hazard lamp



WARNING: Terminal and harness assignments for individual connectors will vary depending on vehicle equipment level, model, and market.
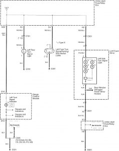
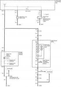
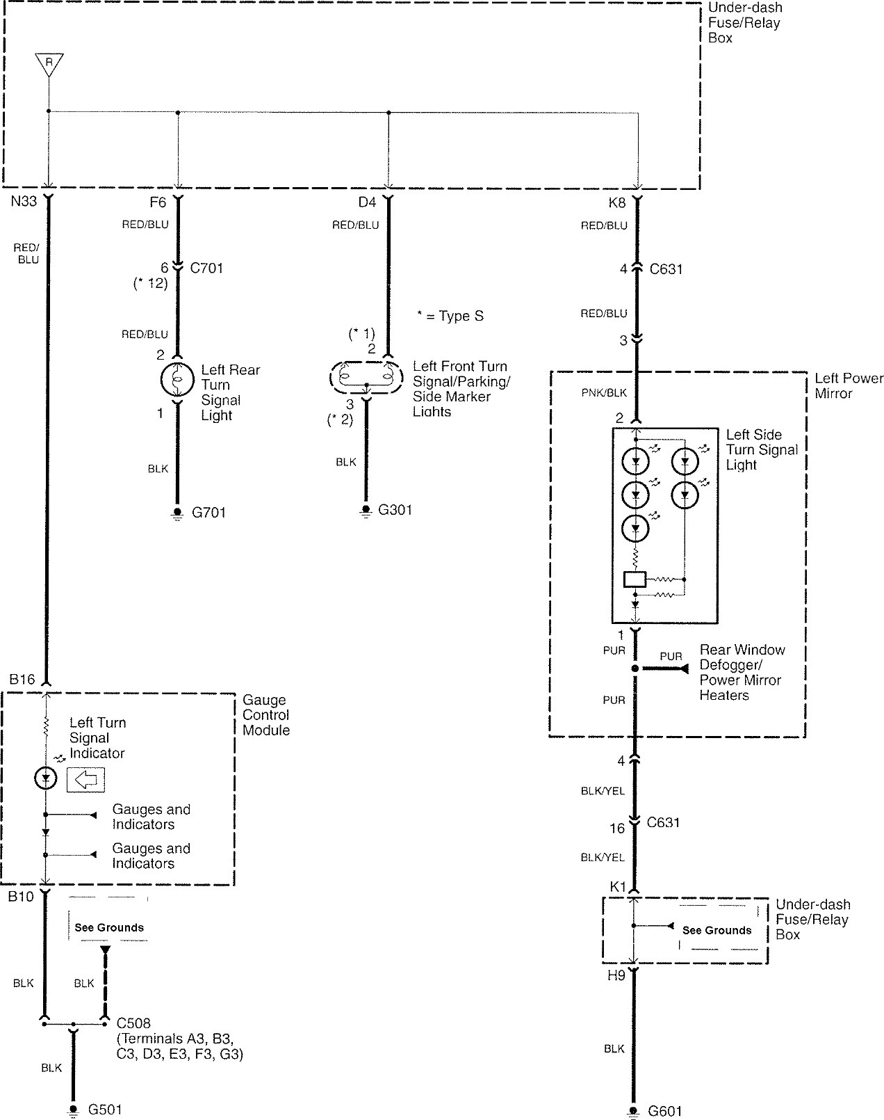
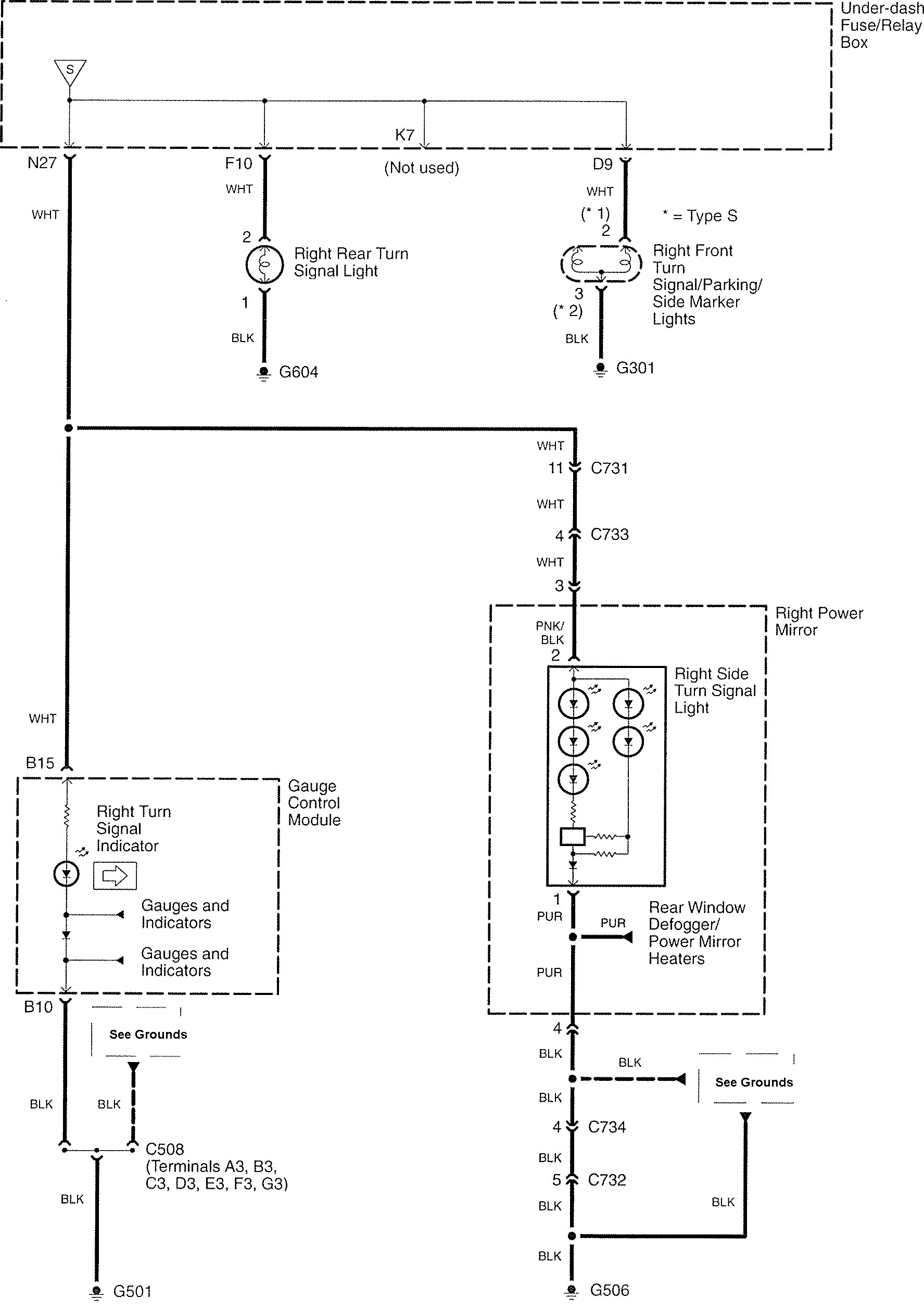
Year of productions: 2007, 2008



WARNING: Terminal and harness assignments for individual connectors will vary depending on vehicle equipment level, model, and market.
Copyright © 2026 | MH Magazine WordPress Theme by MH Themes