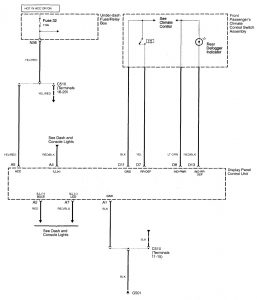
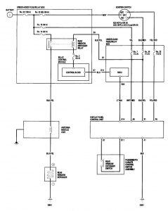
Acura TL (2006) – wiring diagrams – rear window defogger
Year of productions: 2006
Rear window defogger
Version 1


Version 2

WARNING: Terminal and harness assignments for individual connectors will vary depending on vehicle equipment level, model, and market.
