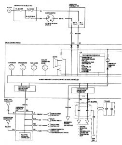
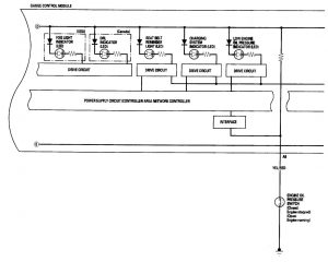
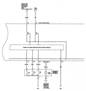
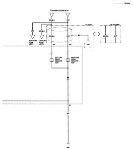
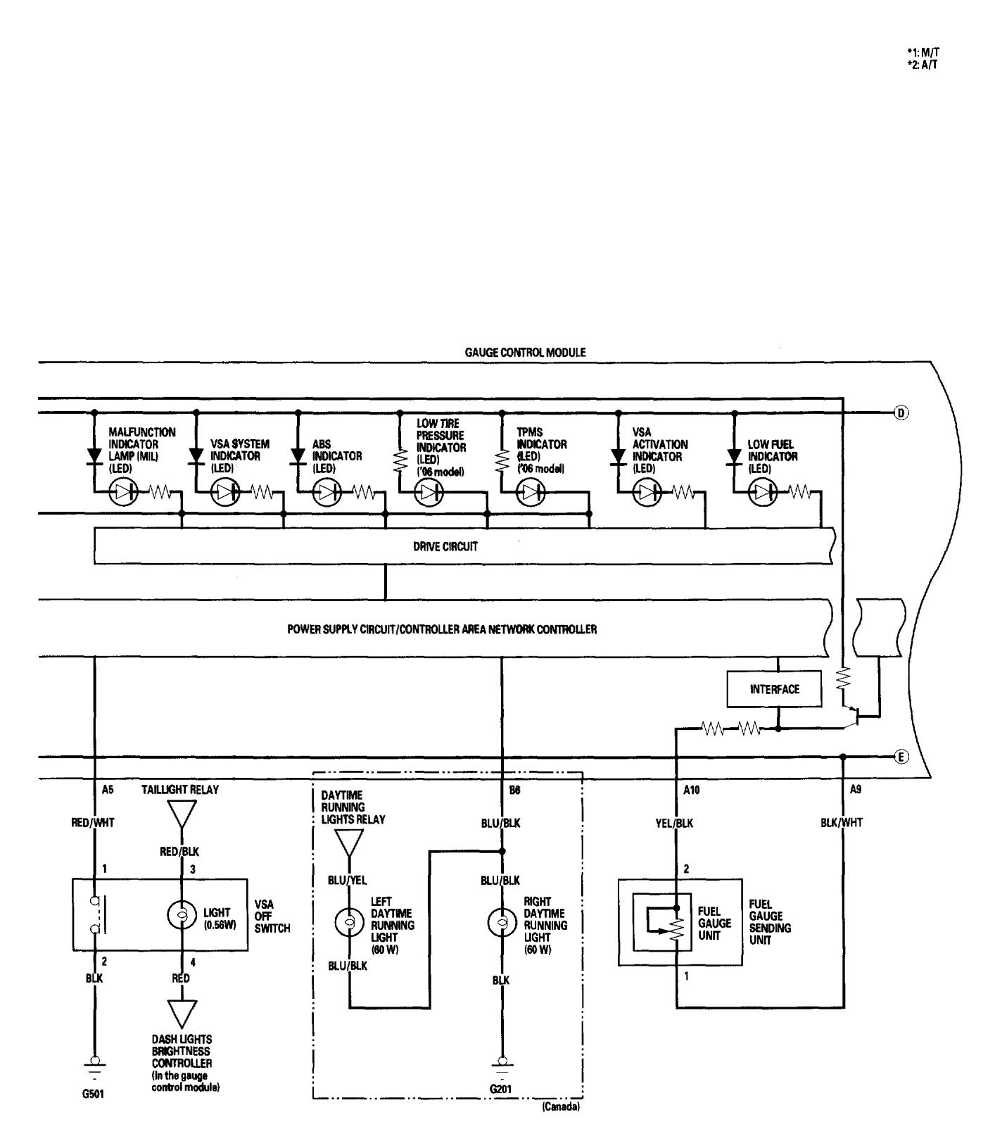
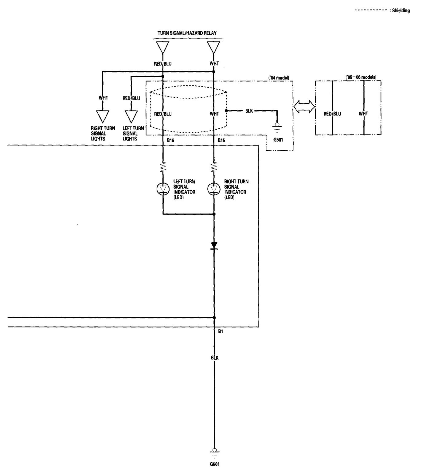
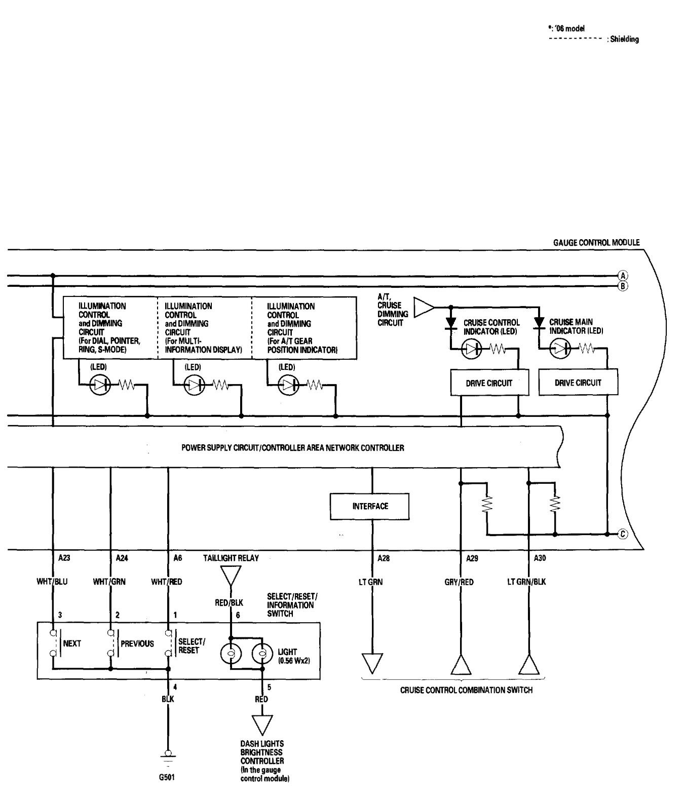
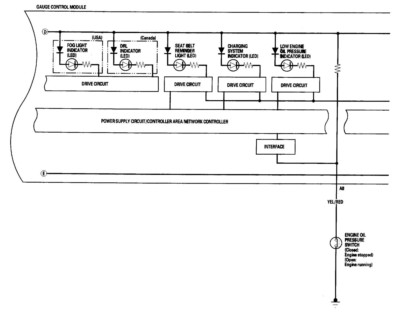
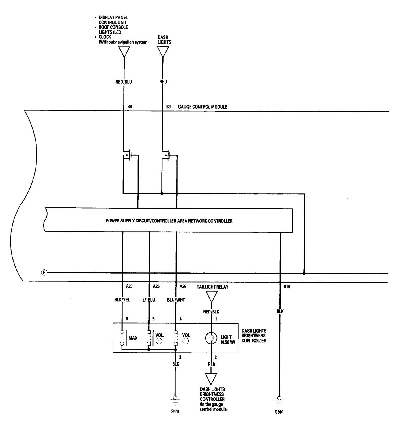
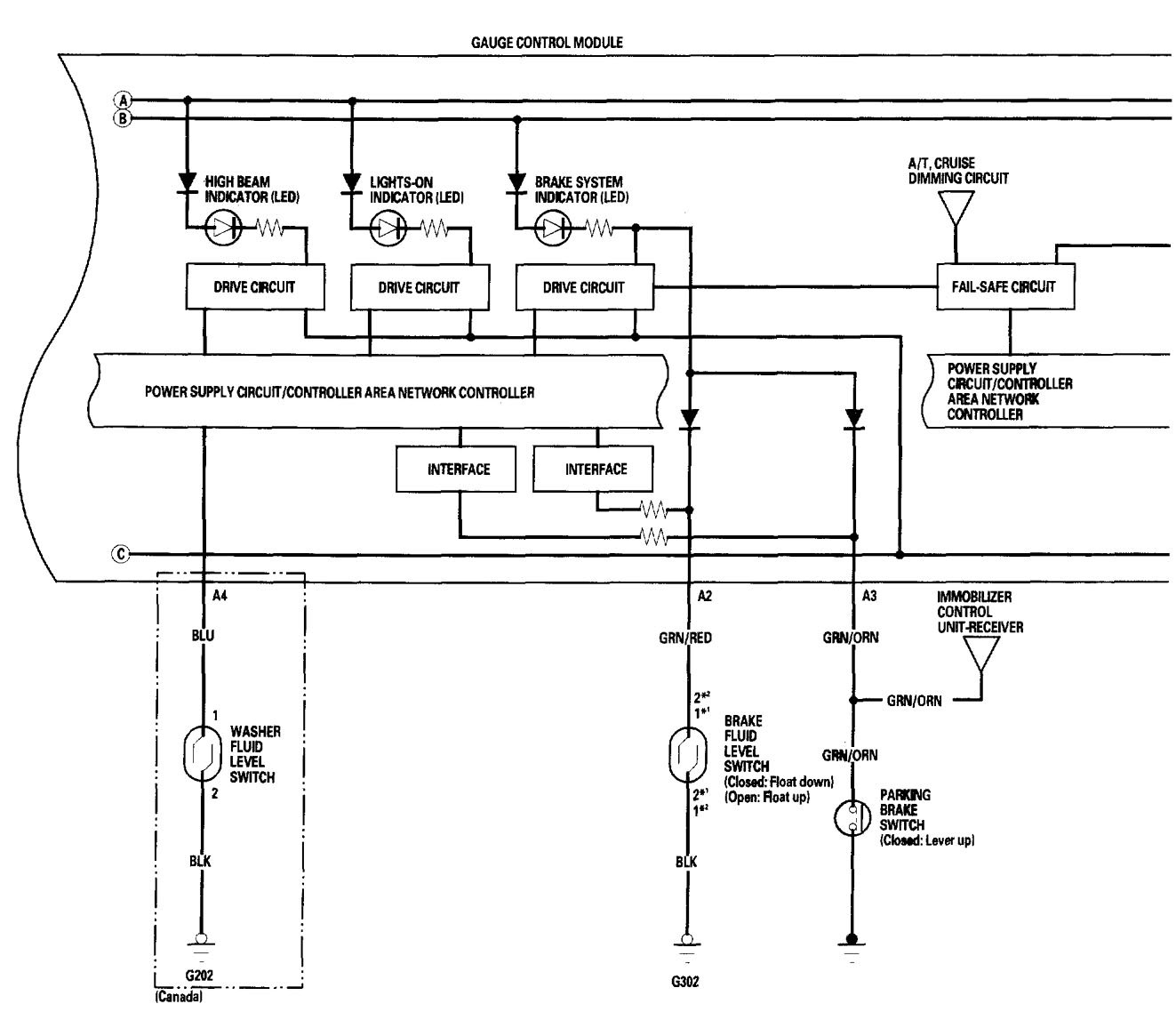
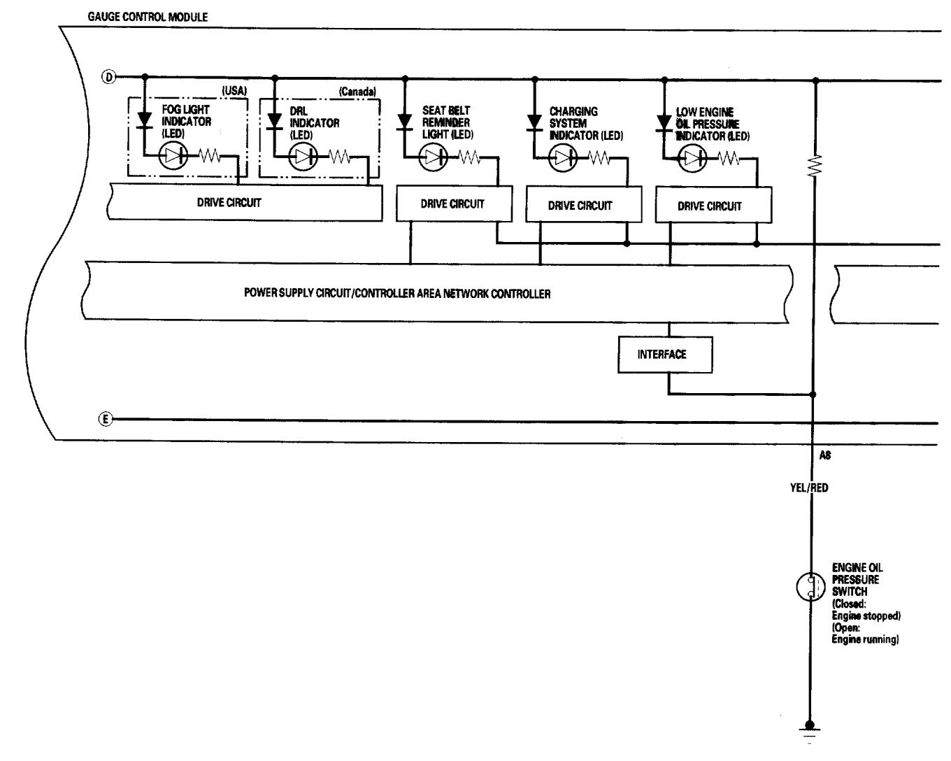
Acura TL (2006) – wiring diagrams – instrumentation
Year of productions: 2006
Instrumentation
Version 1







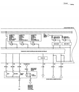
Version 2








WARNING: Terminal and harness assignments for individual connectors will vary depending on vehicle equipment level, model, and market.
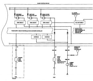
Year of productions: 2006















WARNING: Terminal and harness assignments for individual connectors will vary depending on vehicle equipment level, model, and market.
Copyright © 2026 | MH Magazine WordPress Theme by MH Themes