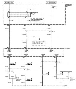
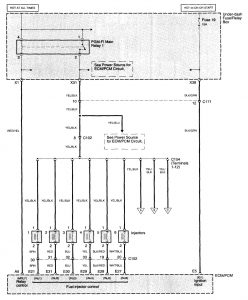
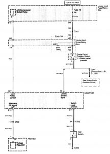
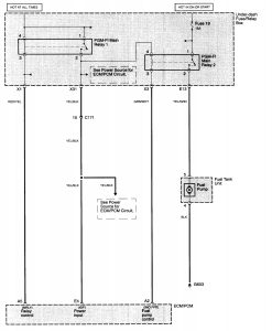
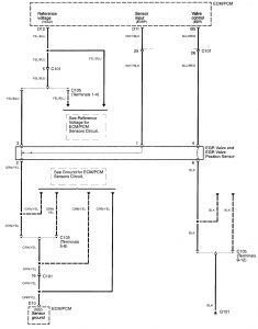
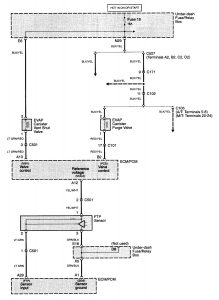
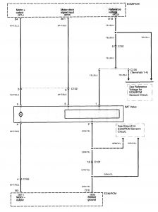
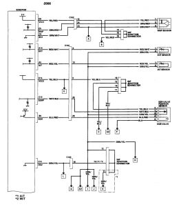
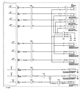
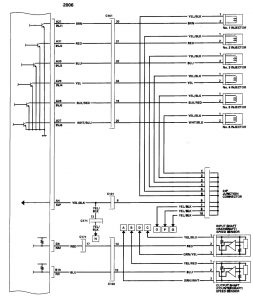
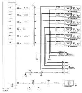
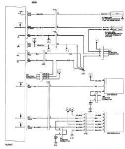
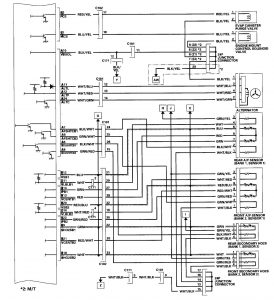
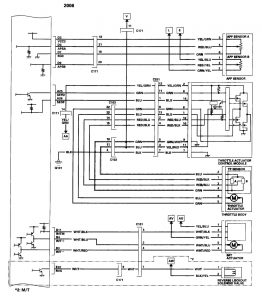
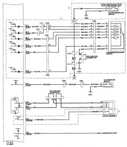
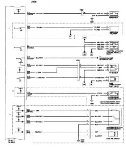
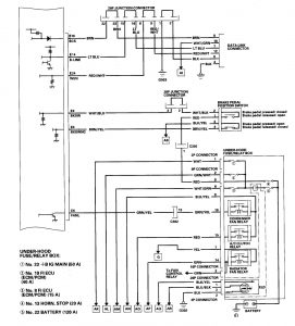
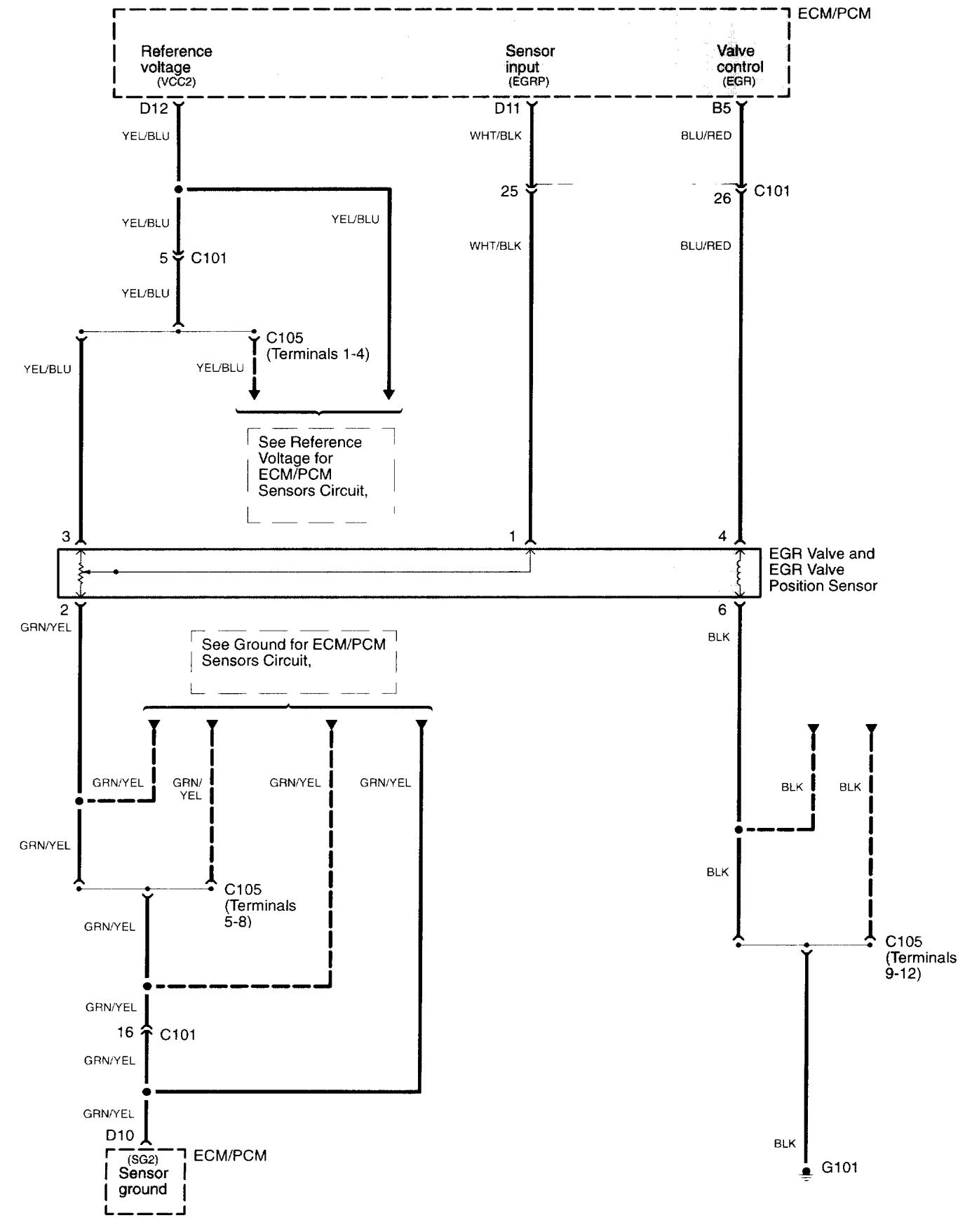
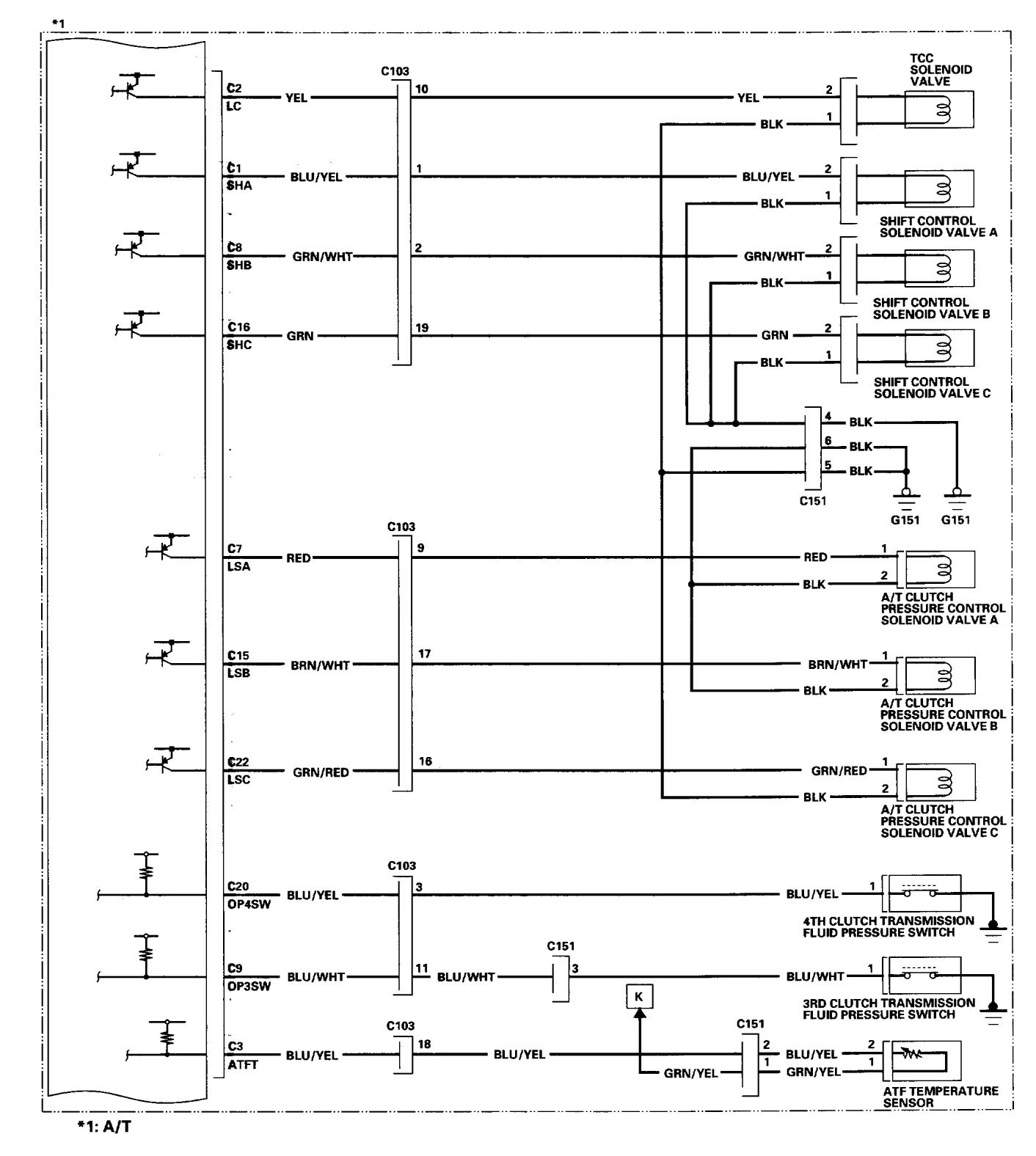
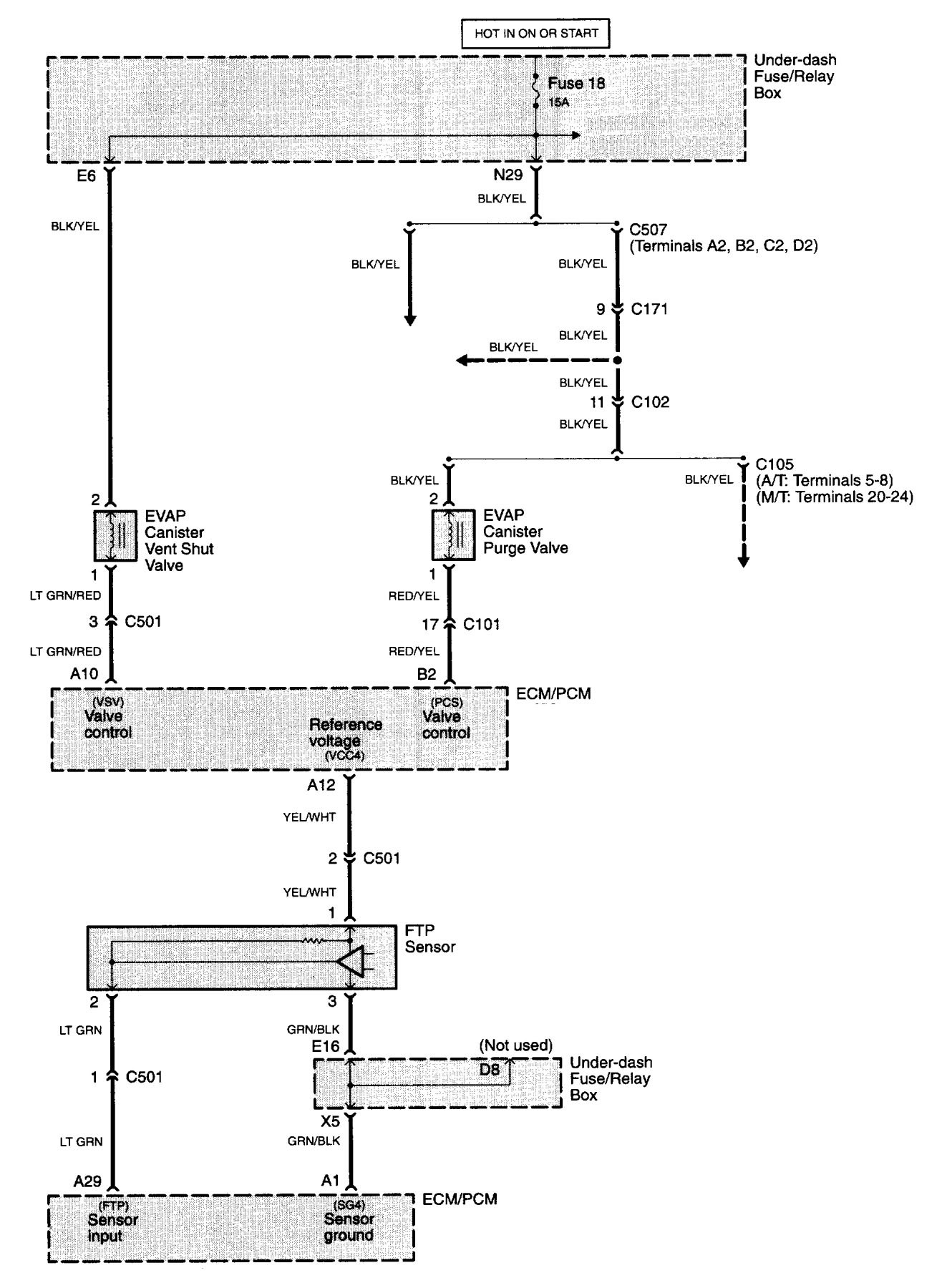
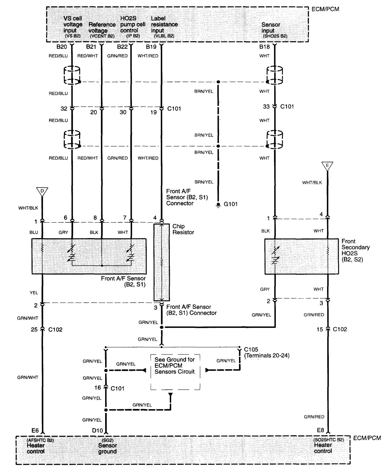
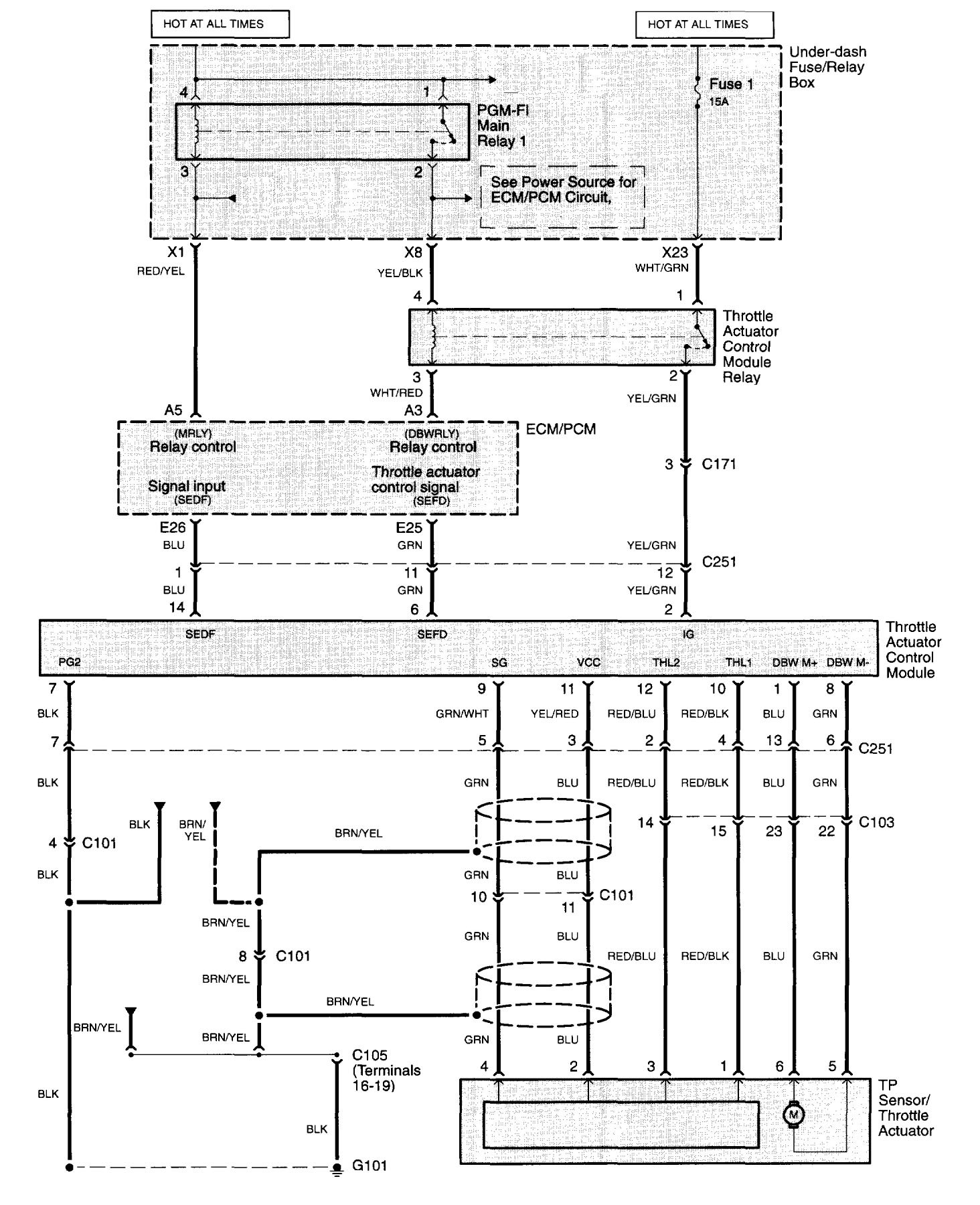
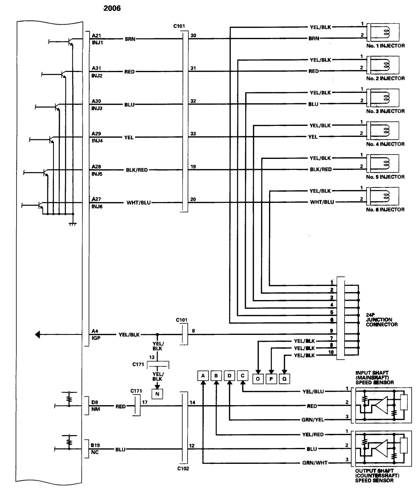
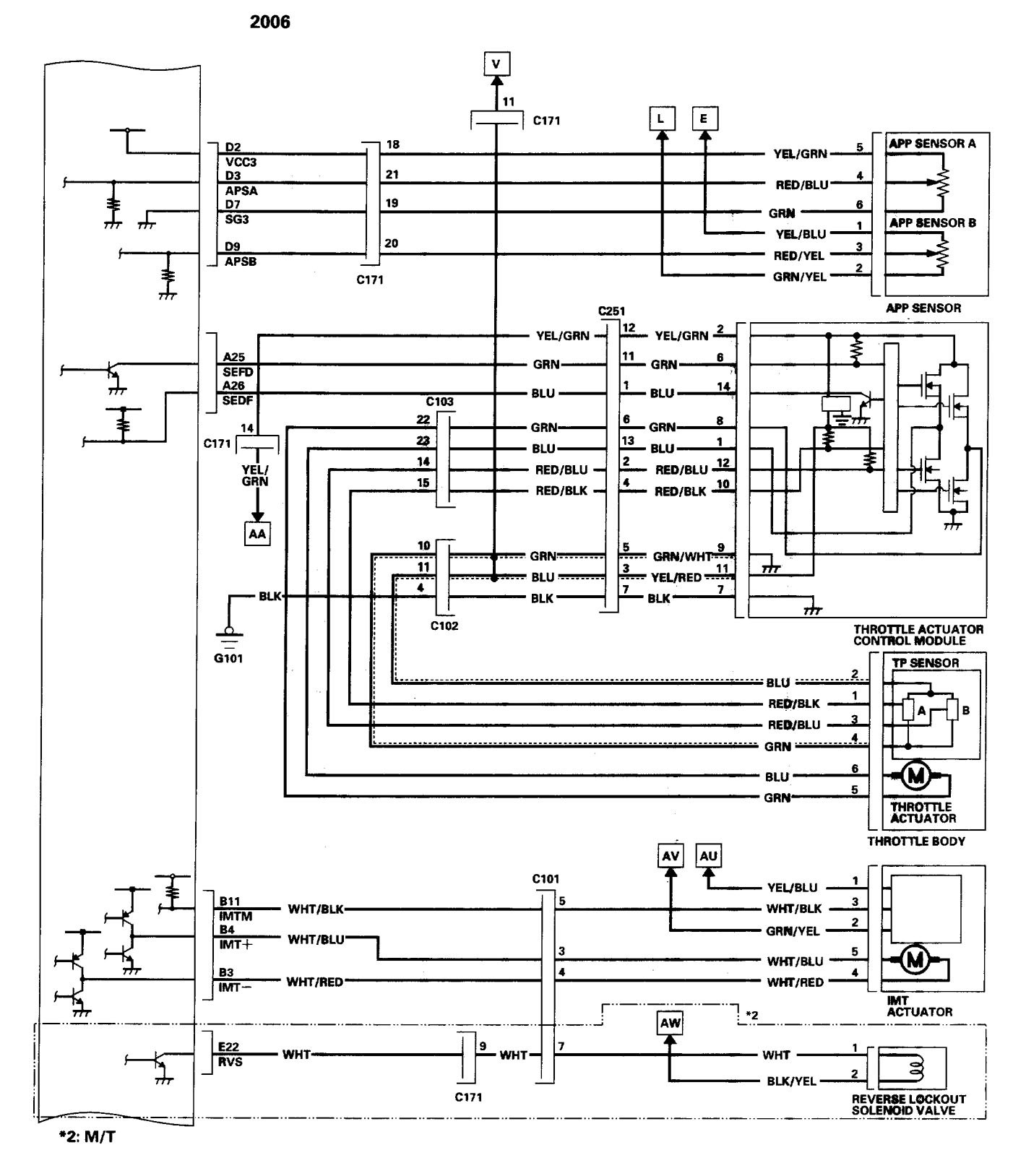
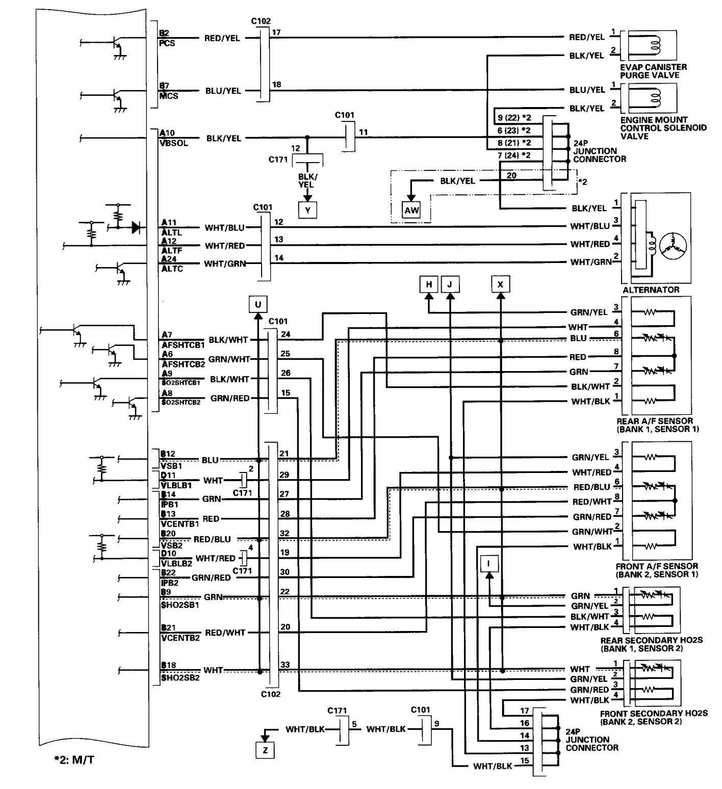
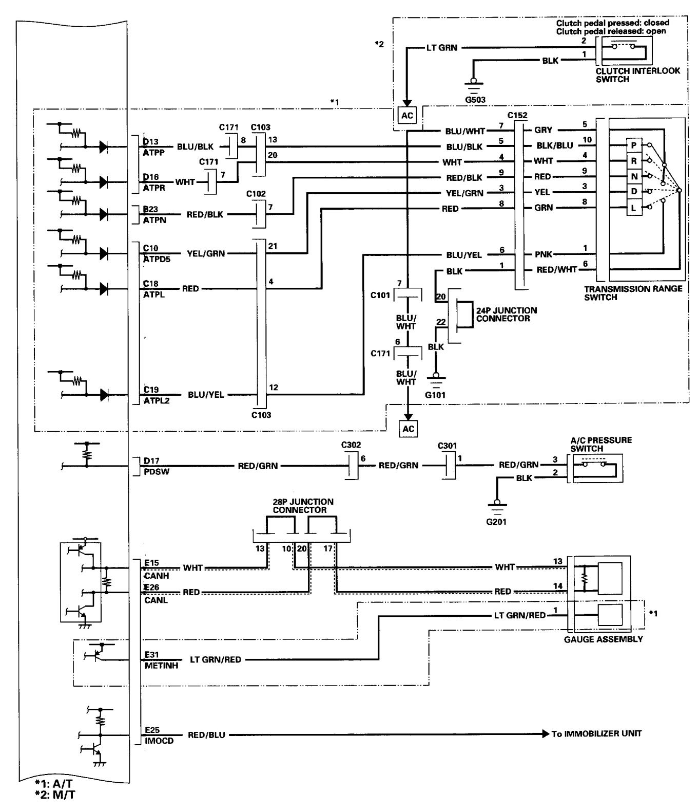
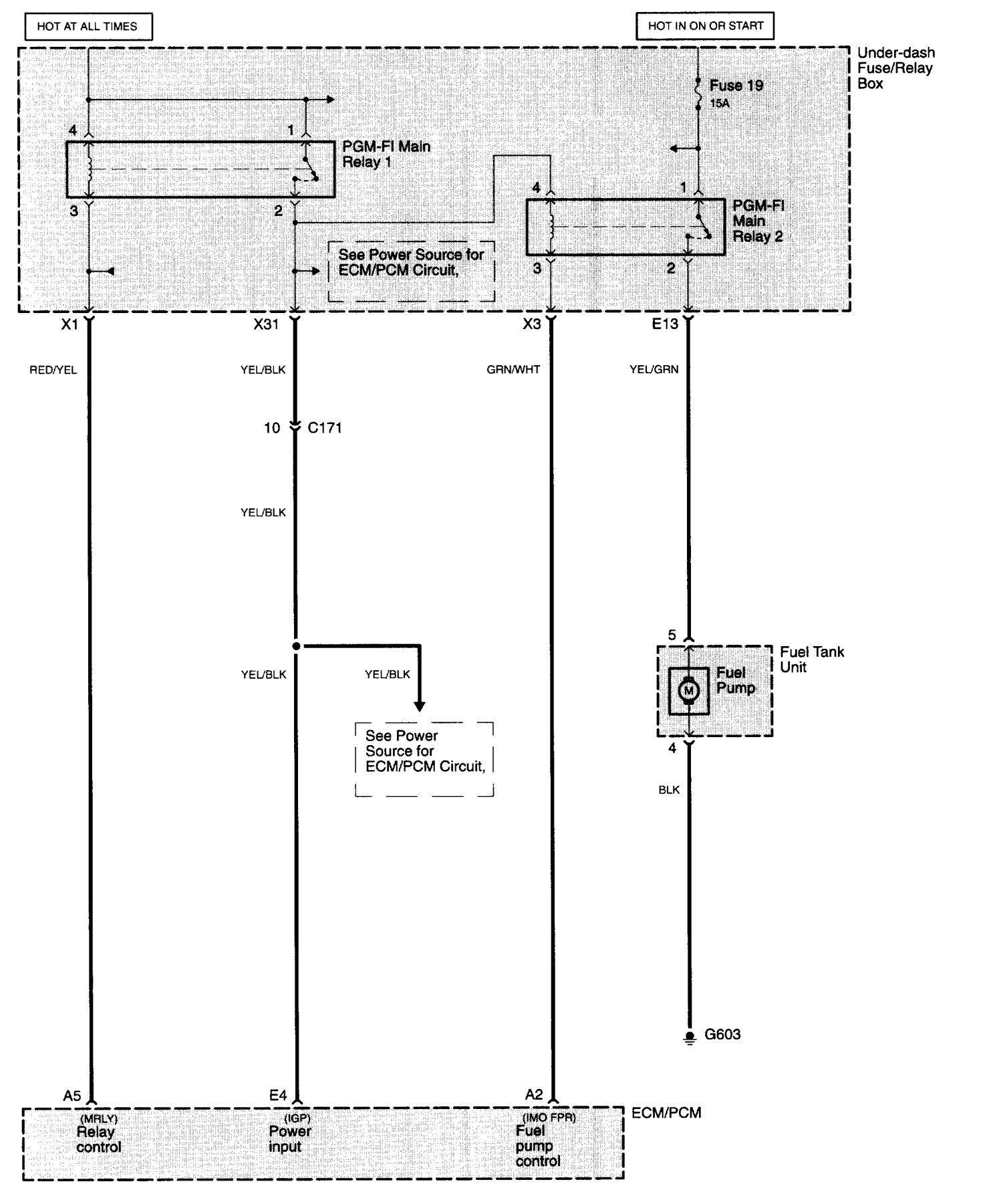
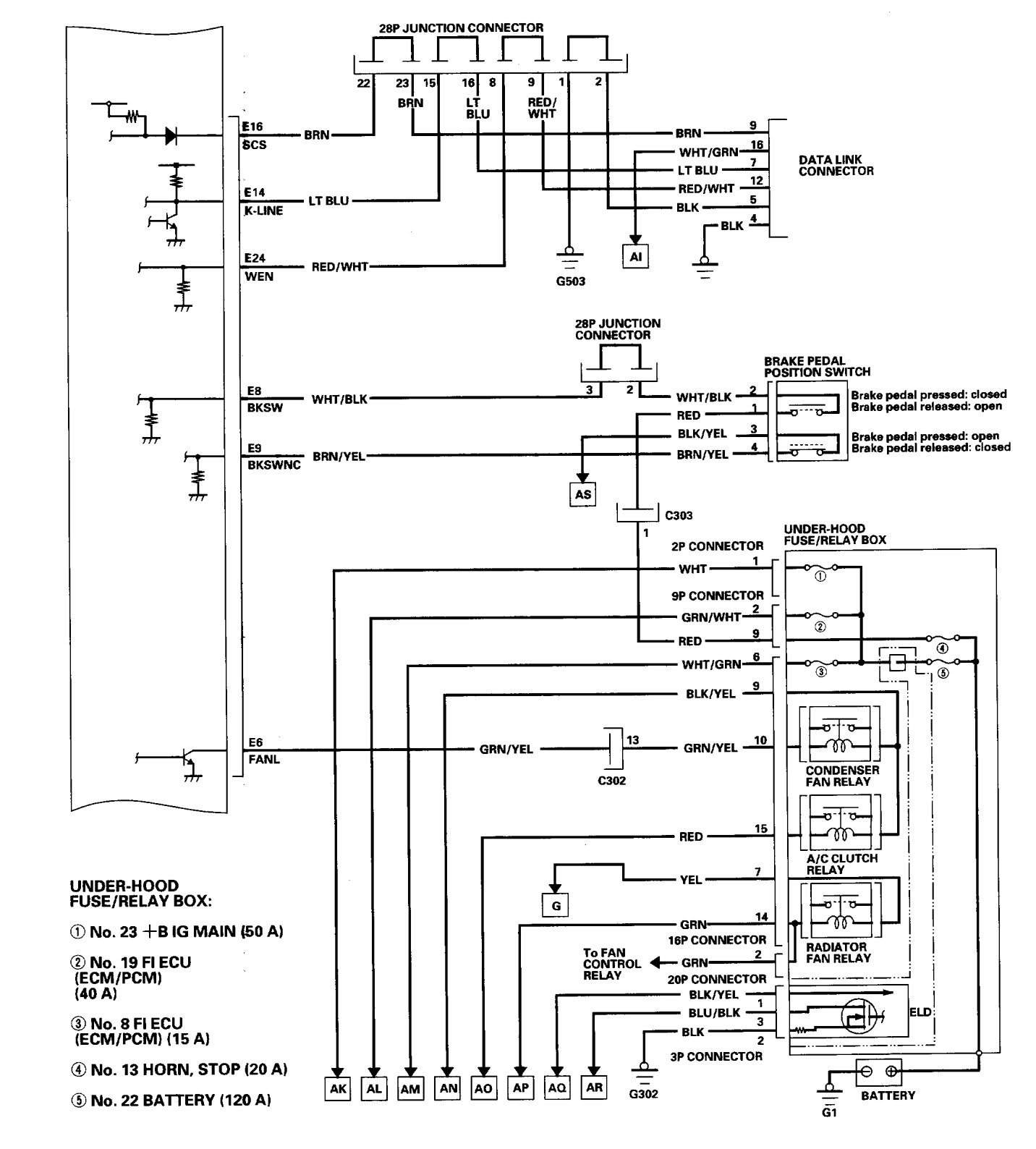
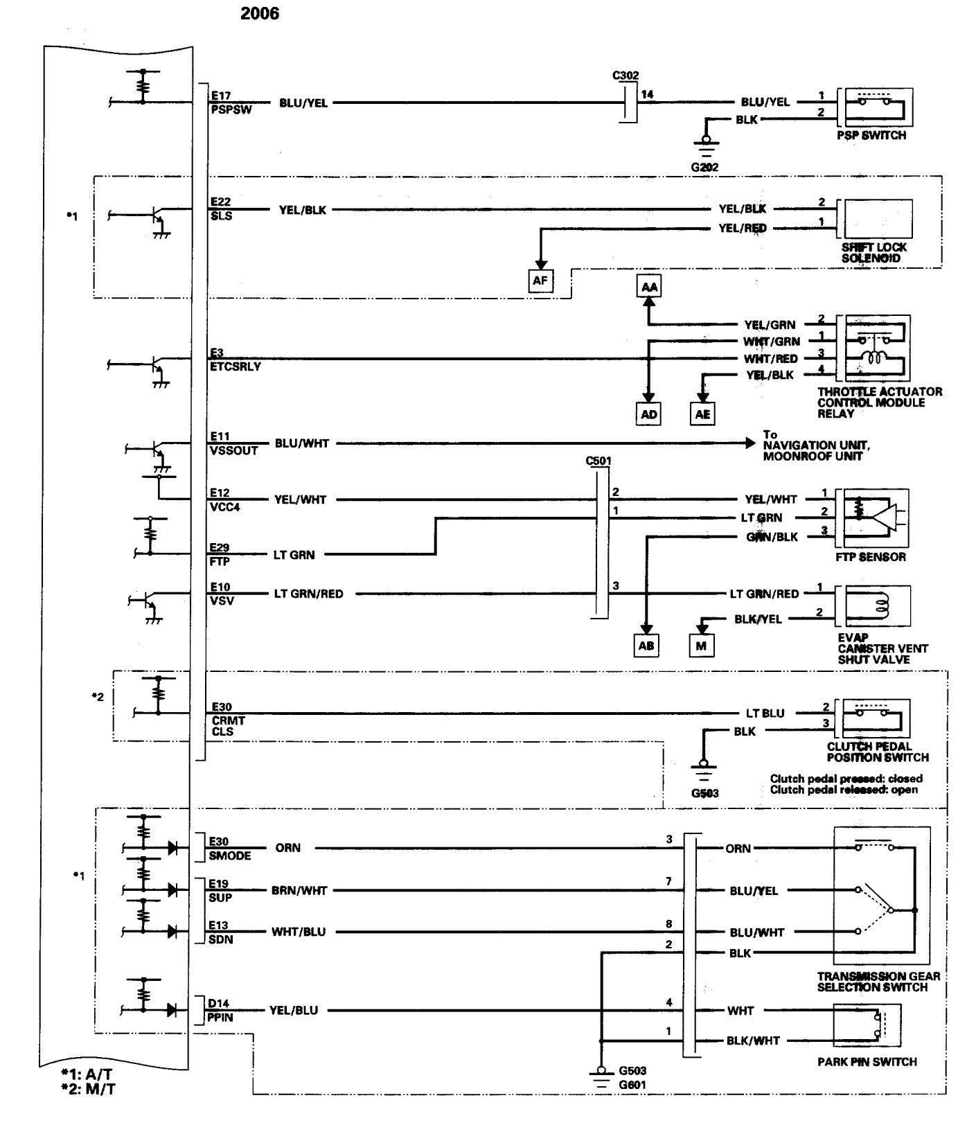
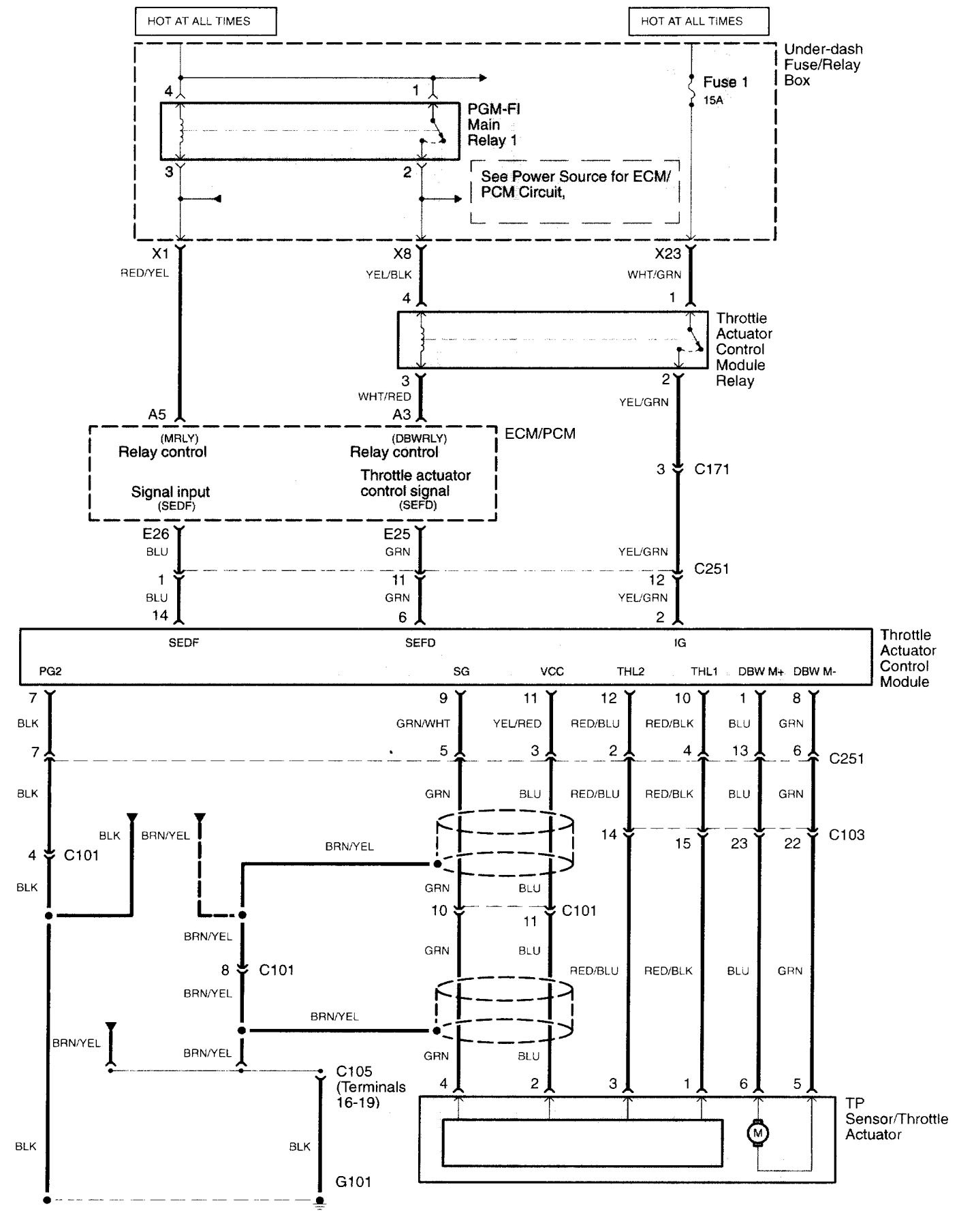
Acura TL (2006) – wiring diagrams – fuel control
Year of productions: 2006
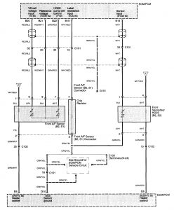
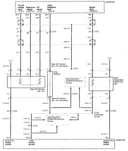
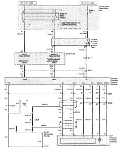
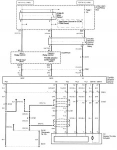
Fuel control
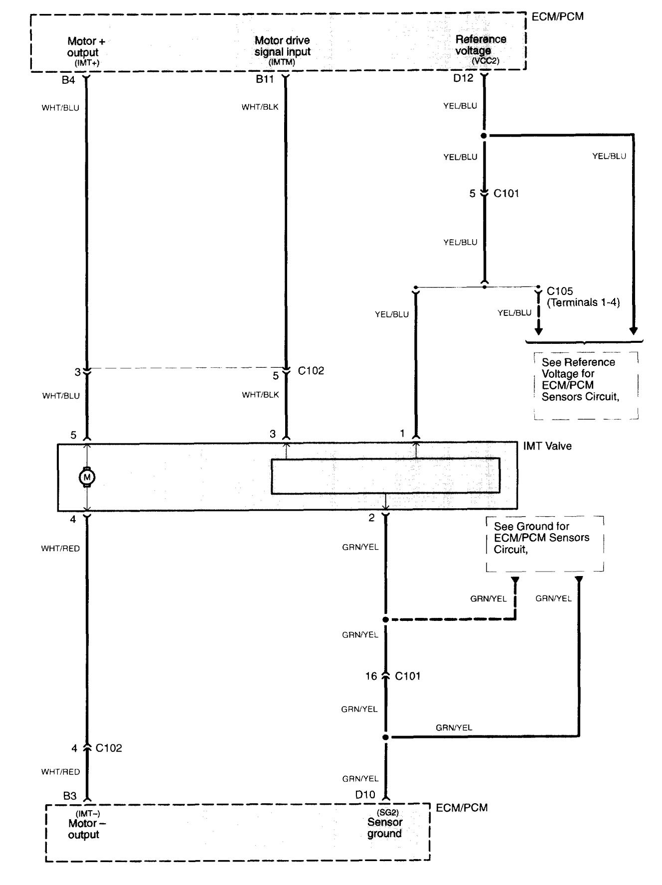
Version 1

















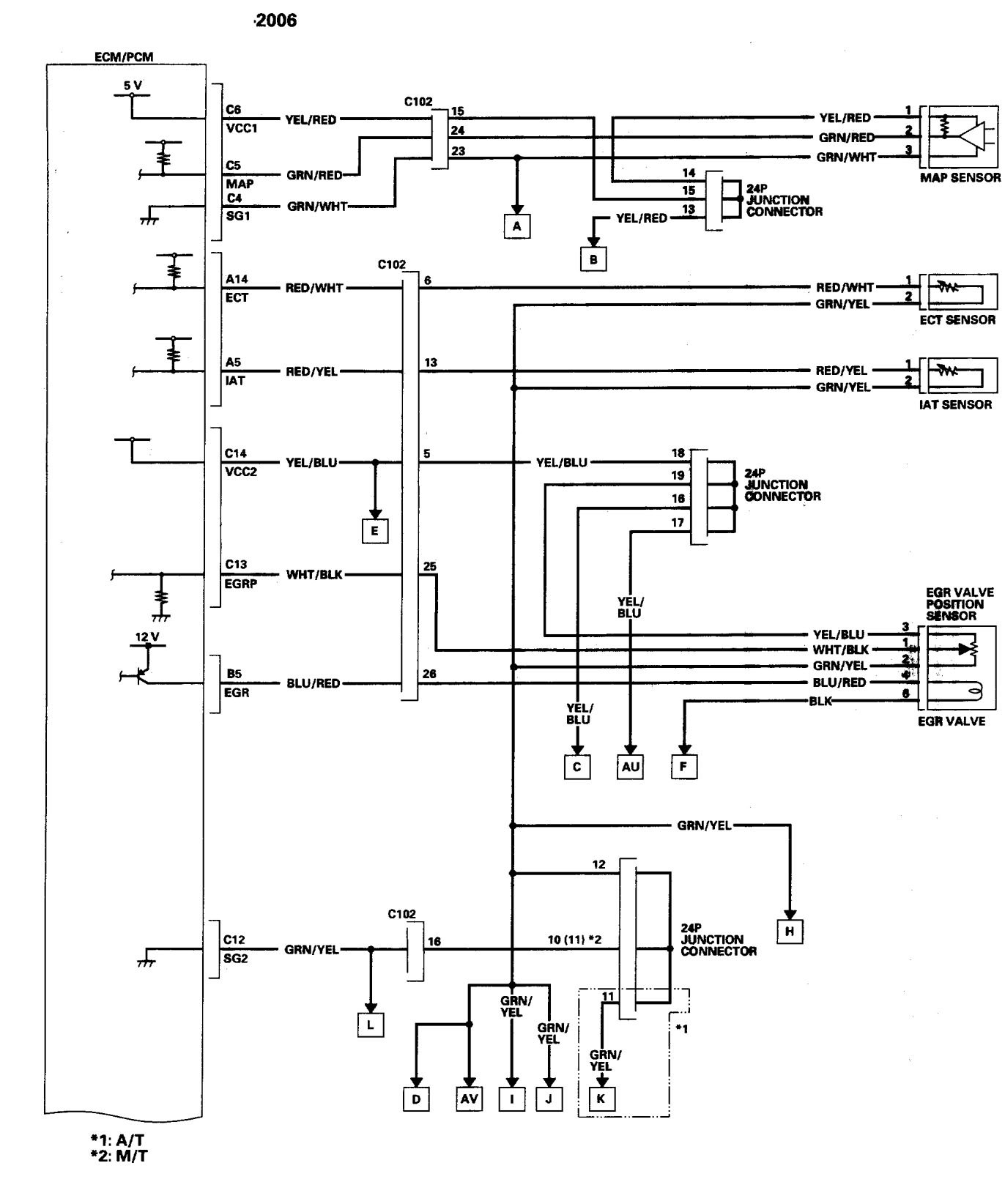
Version 2











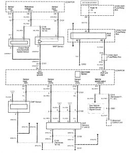
WARNING: Terminal and harness assignments for individual connectors will vary depending on vehicle equipment level, model, and market.
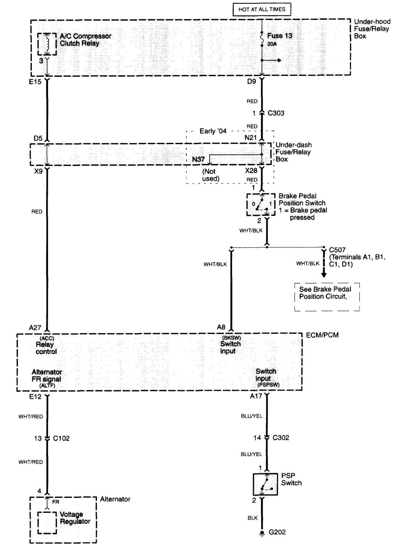
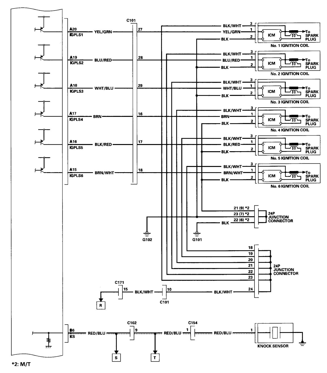
Year of productions: 2006




























WARNING: Terminal and harness assignments for individual connectors will vary depending on vehicle equipment level, model, and market.
Copyright © 2026 | MH Magazine WordPress Theme by MH Themes