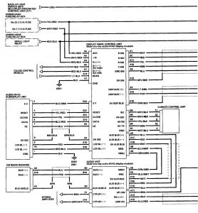
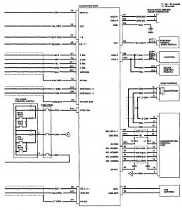
Acura TL (2006) – wiring diagram – navigation system
Year of productions: 2006
Navigation system
Version 1







Version 2


WARNING: Terminal and harness assignments for individual connectors will vary depending on vehicle equipment level, model, and market.
