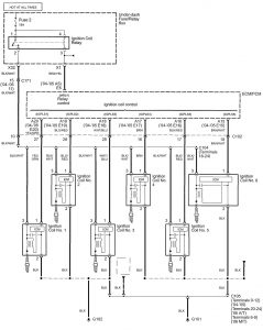
Acura CL (1997) – wiring diagrams – ignition Year of productions: 1997 Ignition WARNING: Terminal and harness assignments for individual connectors will vary depending on vehicle equipment level, model, and market.
Honda Accord (2006) – wiring diagrams – charging system Year of productions: 2006 Charging system WARNING: Terminal and harness assignments for individual connectors will vary depending on vehicle equipment level, model, and market.
Ford F53 (1997) – wiring diagrams – power lumbar Year of productions: 1997 Power lumbar WARNING: Terminal and harness assignments for individual connectors will vary depending on vehicle equipment level, model, and market.