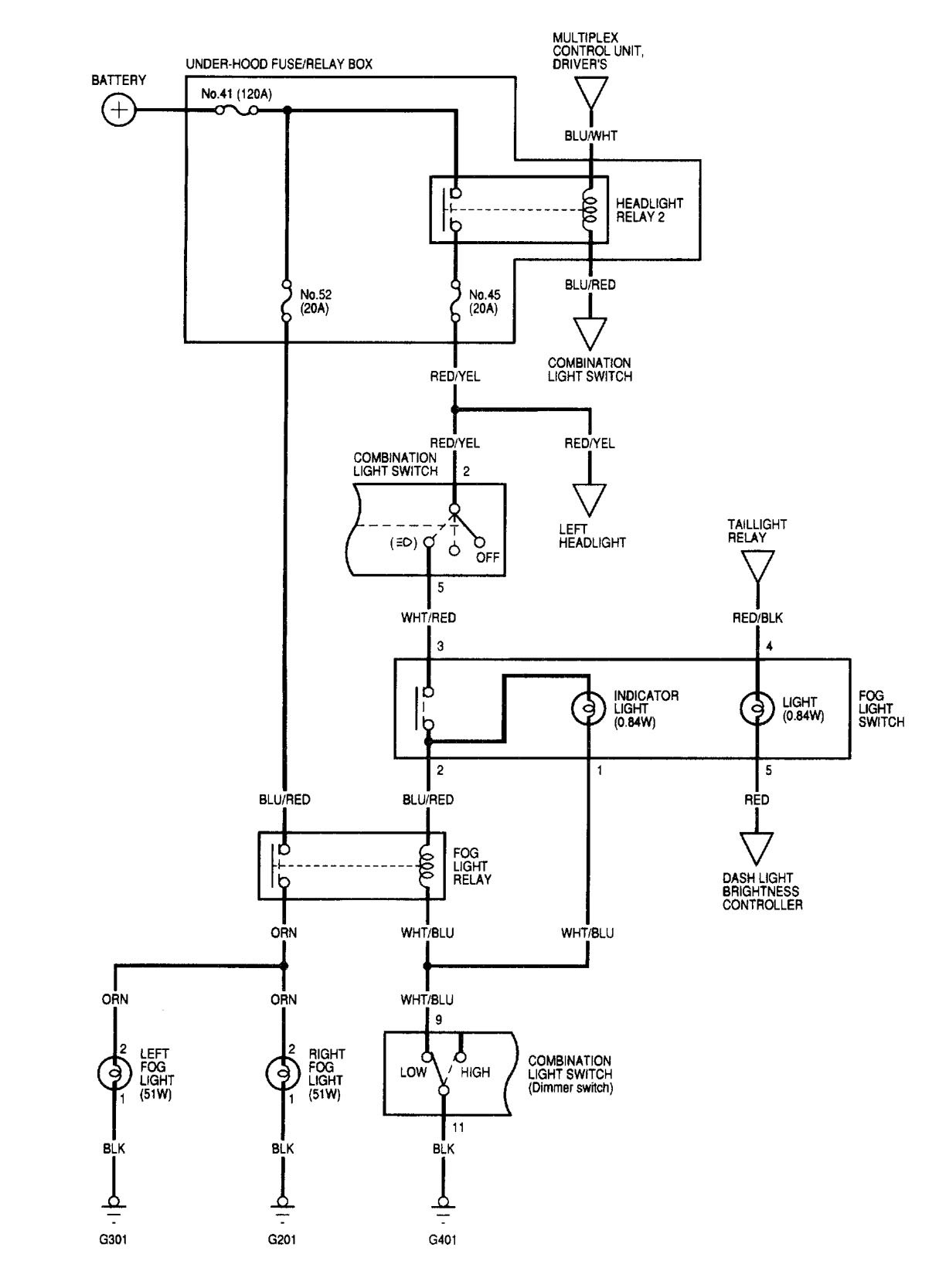
Acura TL (2002) – wiring diagrams – fog lamps
Year of productions: 2002
Fog lamps

WARNING: Terminal and harness assignments for individual connectors will vary depending on vehicle equipment level, model, and market.
Copyright © 2026 | MH Magazine WordPress Theme by MH Themes