Acura TL (1998 – 2001) – wiring diagrams – security/anti-theft
Year of productions: 1998, 1999, 2000, 2001
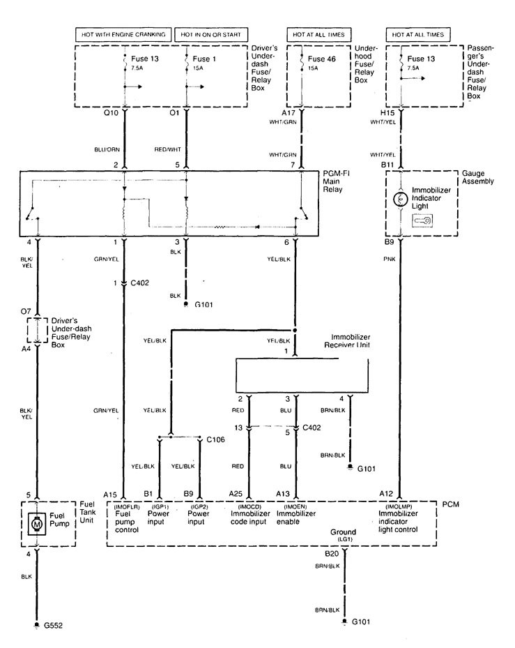
Security/anti-theft

security/anti-theft
WARNING: Terminal and harness assignments for individual connectors will vary depending on vehicle equipment level, model, and market.
