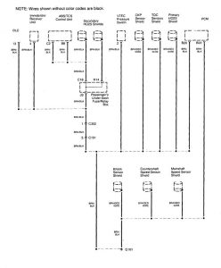
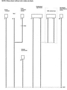
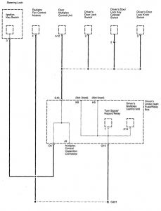
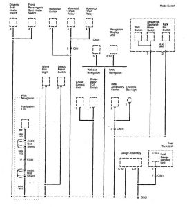
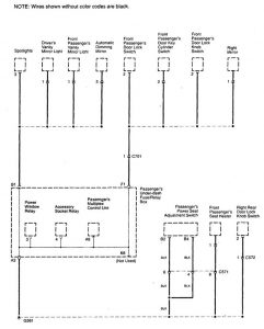
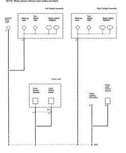
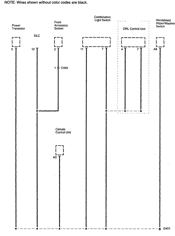
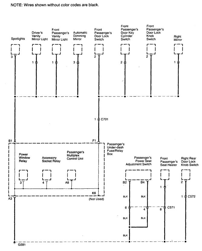
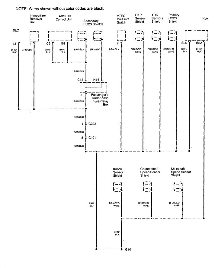
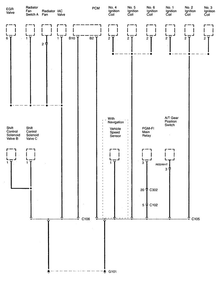
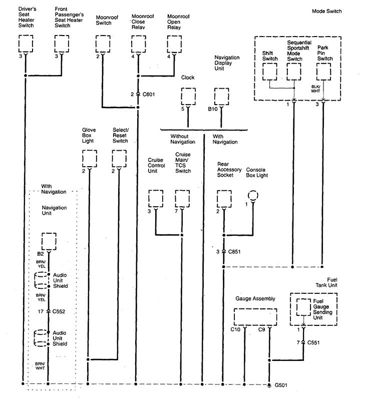
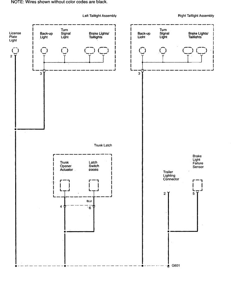
Acura TL (1998) – wiring diagrams – ground distribution
Year of productions: 1998
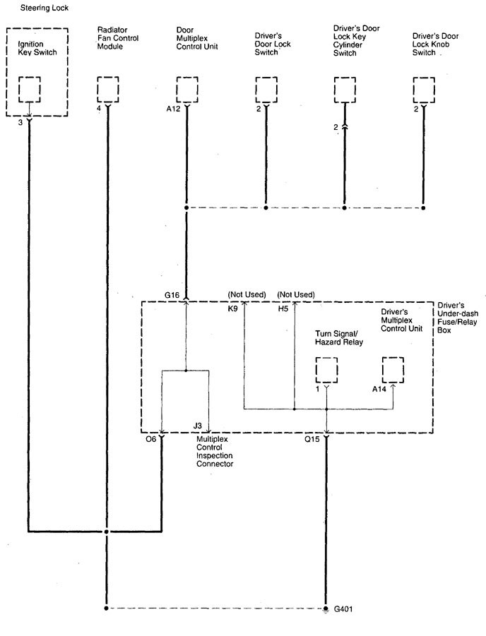
Ground distribution

ground distribution (part 1)

ground distribution (part 2)

ground distribution (part 3)

ground distribution (part 4)

ground distribution (part 5)

ground distribution (part 6)

ground distribution (part 7)

ground distribution (part 8)

ground distribution (part 9)

ground distribution (part 10)

ground distribution (part 11)
WARNING: Terminal and harness assignments for individual connectors will vary depending on vehicle equipment level, model, and market.
