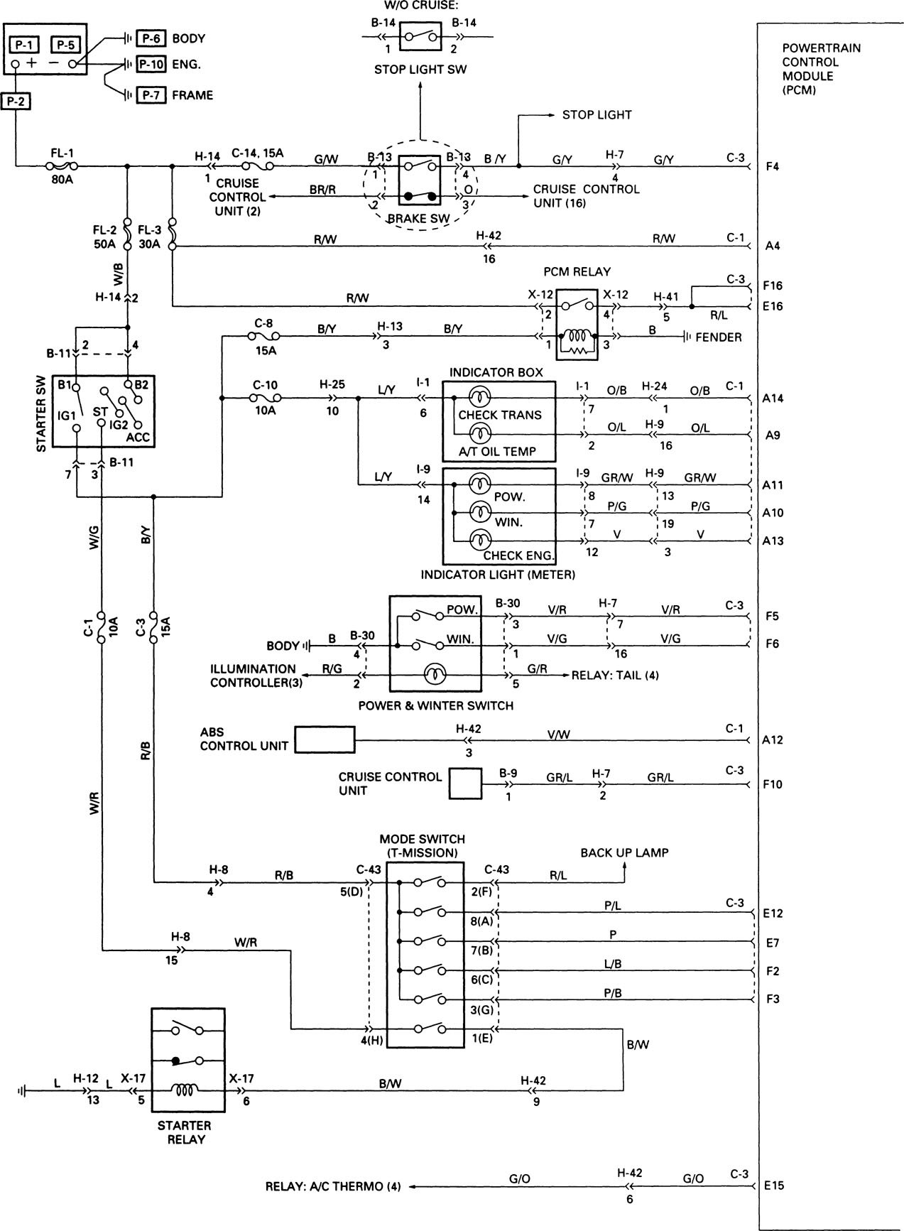
Acura SLX (1998 – 1999) – wiring diagrams – transmission controls
Year of productions: 1998, 1999
Transmission controls


WARNING: Terminal and harness assignments for individual connectors will vary depending on vehicle equipment level, model, and market.
