Acura RL (2011) – wiring diagrams – power distribution

Acura RL (2011) – wiring diagrams – power distribution

Year of productions:  2011

Power distribution

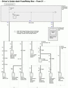
Driver’s under-dash fuse/relay box – fuse 21

Acura RL - wiring diagram - power distribution - driver's under-dash fuse/relay box - fuse 21 (part 1)
Acura RL – wiring diagram – power distribution – driver’s under-dash fuse/relay box – fuse 21 (part 1)
Acura RL - wiring diagram - power distribution - driver's under-dash fuse/relay box - fuse 21 (part 2)
Acura RL – wiring diagram – power distribution – driver’s under-dash fuse/relay box – fuse 21 (part 2)

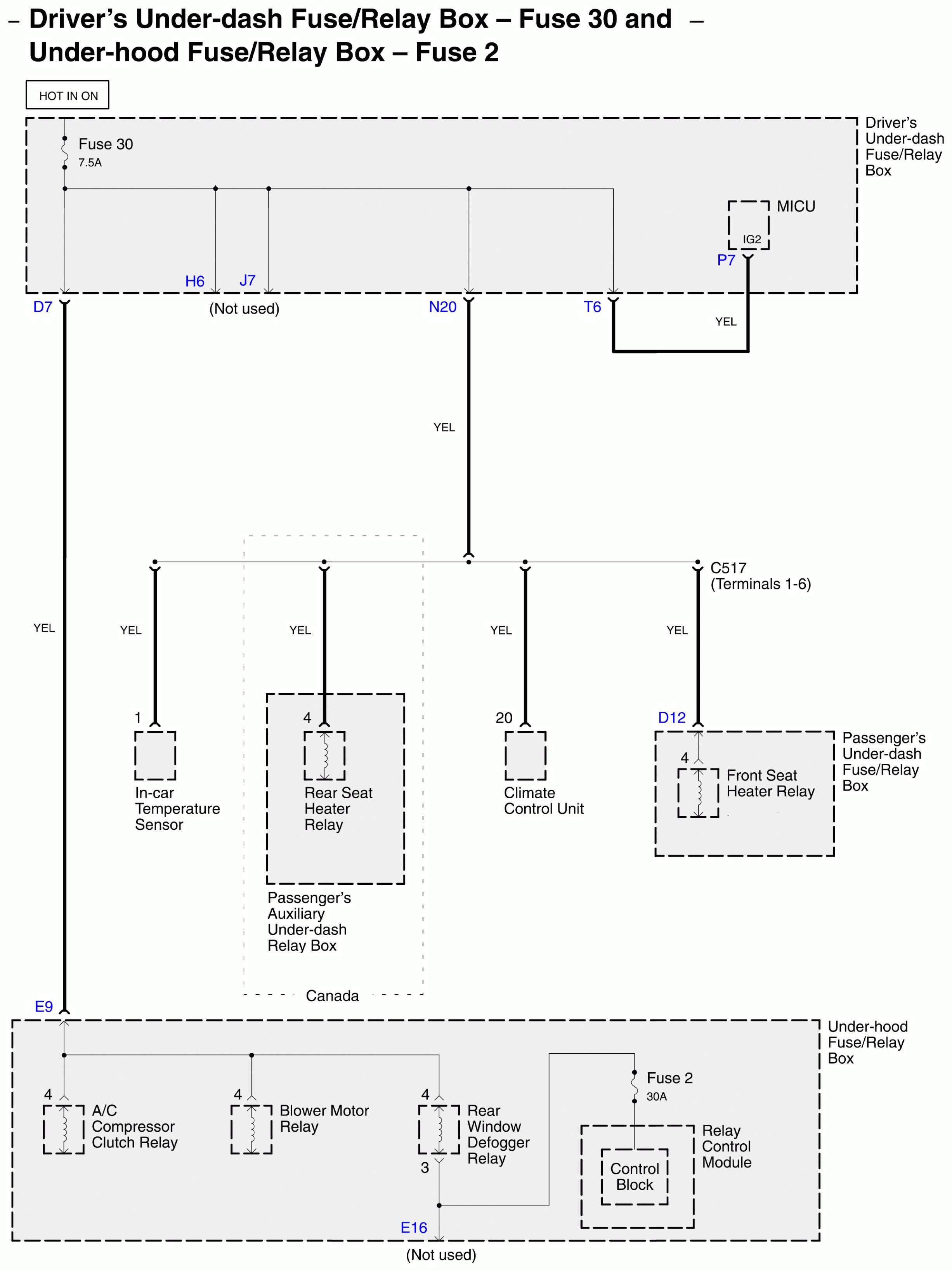
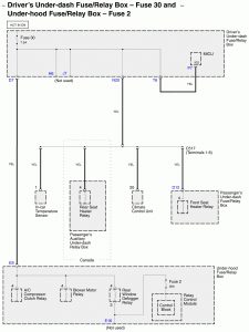
Driver’s under-dash fuse/relay box – fuse 30 and under-hood fuse/relay box – fuse 2

Acura RL - wiring diagram - power distribution - driver's under-dash fuse relay/box (fuse 30) and under-hood fuse/relay box (fuse 2)
Acura RL – wiring diagram – power distribution – driver’s under-dash fuse relay/box (fuse 30) and under-hood fuse/relay box (fuse 2)

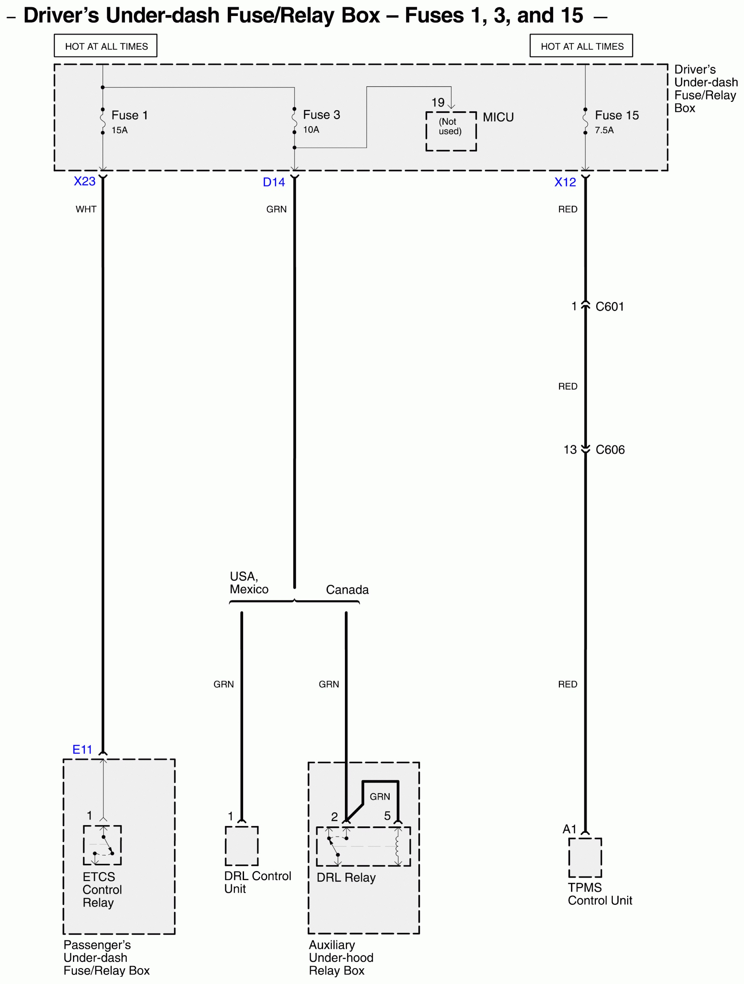
Driver’s under-dash fuse/relay box – fuse 1, 3 and 15

Acura RL - wiring diagram - power distribution - driver's under-dash fuse/relay box (fuse 1, 3 and 15)
Acura RL – wiring diagram – power distribution – driver’s under-dash fuse/relay box (fuse 1, 3 and 15)

Driver’s under-dash fuse/relay box – fuse 10, 11, 19, 20 and 22

Acura RL - wiring diagram - power distribution - driver's under-dash fuse/relay box (fuse 10, 11, 19, 20 and 22)
Acura RL – wiring diagram – power distribution – driver’s under-dash fuse/relay box (fuse 10, 11, 19, 20 and 22)

Driver’s under-dash fuse/relay box – fuse 12, 13, 14, 16 and 17

Acura RL - wiring diagram - power distribution - driver's under-dash fuse/relay box (fuse 12, 13, 14, 16 and 17)
Acura RL – wiring diagram – power distribution – driver’s under-dash fuse/relay box (fuse 12, 13, 14, 16 and 17)

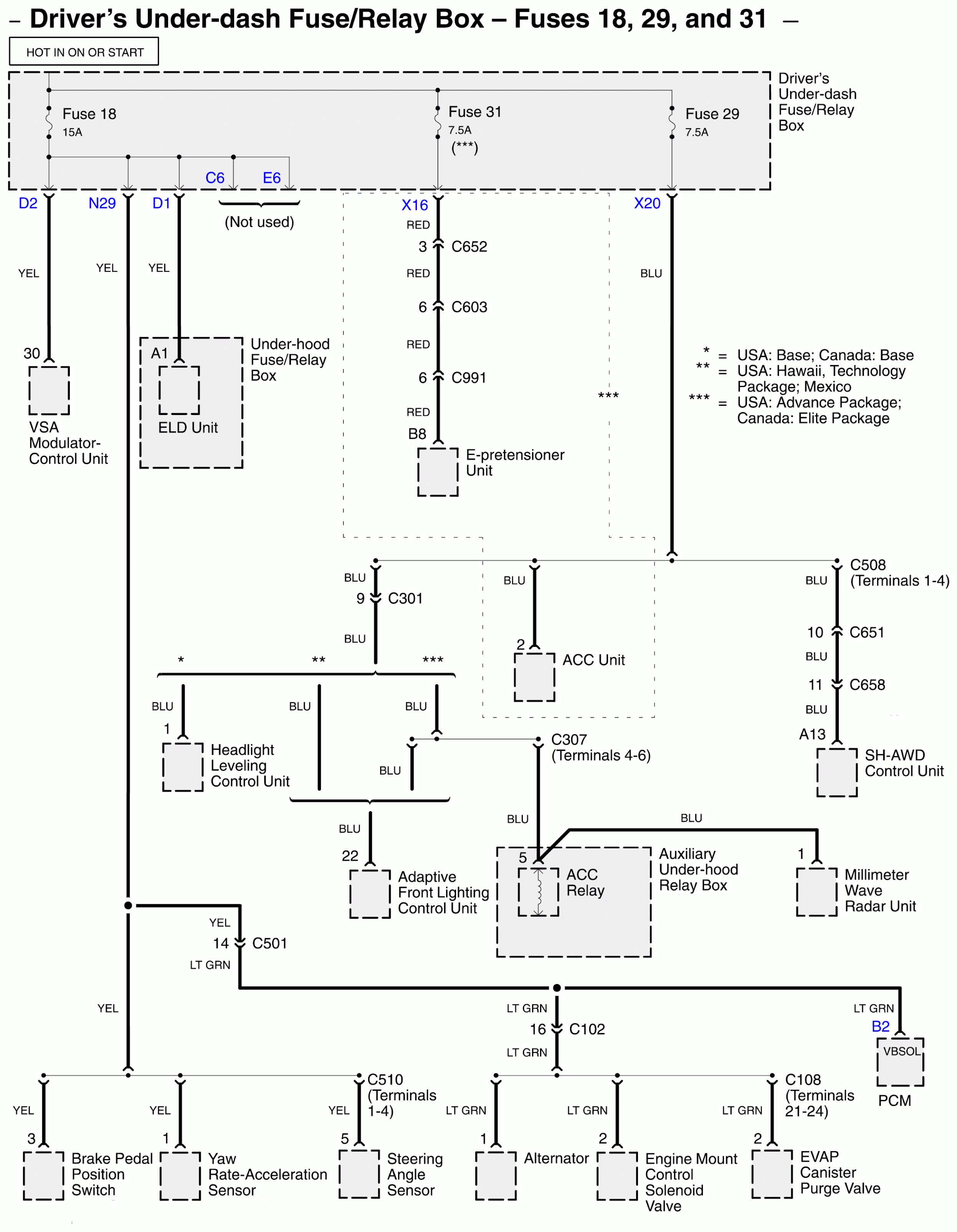
Driver’s under-dash fuse/relay box – fuse 18, 29 and 31

Acura RL - wiring diagram - power distribution - driver's under-dash fuse/relay box (fuse 18, 29 and 31)
Acura RL – wiring diagram – power distribution – driver’s under-dash fuse/relay box (fuse 18, 29 and 31)

Driver’s under-dash fuse/relay box – fuse 2 and 23

Acura RL - wiring diagram - power distribution - driver's under-dash fuse/relay box (fuse 2 and 23)
Acura RL – wiring diagram – power distribution – driver’s under-dash fuse/relay box (fuse 2 and 23)

Driver’s under-dash fuse/relay box – fuse 24, 25, 26, 27 and 28

Acura RL - wiring diagram - power distribution - driver's under-dash fuse/relay box (fuse 24, 25, 26, 27 and 28)
Acura RL – wiring diagram – power distribution – driver’s under-dash fuse/relay box (fuse 24, 25, 26, 27 and 28)

Driver’s under-dash fuse/relay box – fuse 5 and 6

Acura RL - wiring diagram - power distribution - driver's under-dash fuse/relay box fuse 5 and 6 (part 1)
Acura RL – wiring diagram – power distribution – driver’s under-dash fuse/relay box fuse 5 and 6 (part 1)
Acura RL - wiring diagram - power distribution - driver's under-dash fuse/relay box fuse 5 and 6 (part 2)
Acura RL – wiring diagram – power distribution – driver’s under-dash fuse/relay box fuse 5 and 6 (part 2)

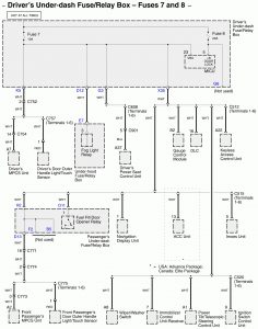
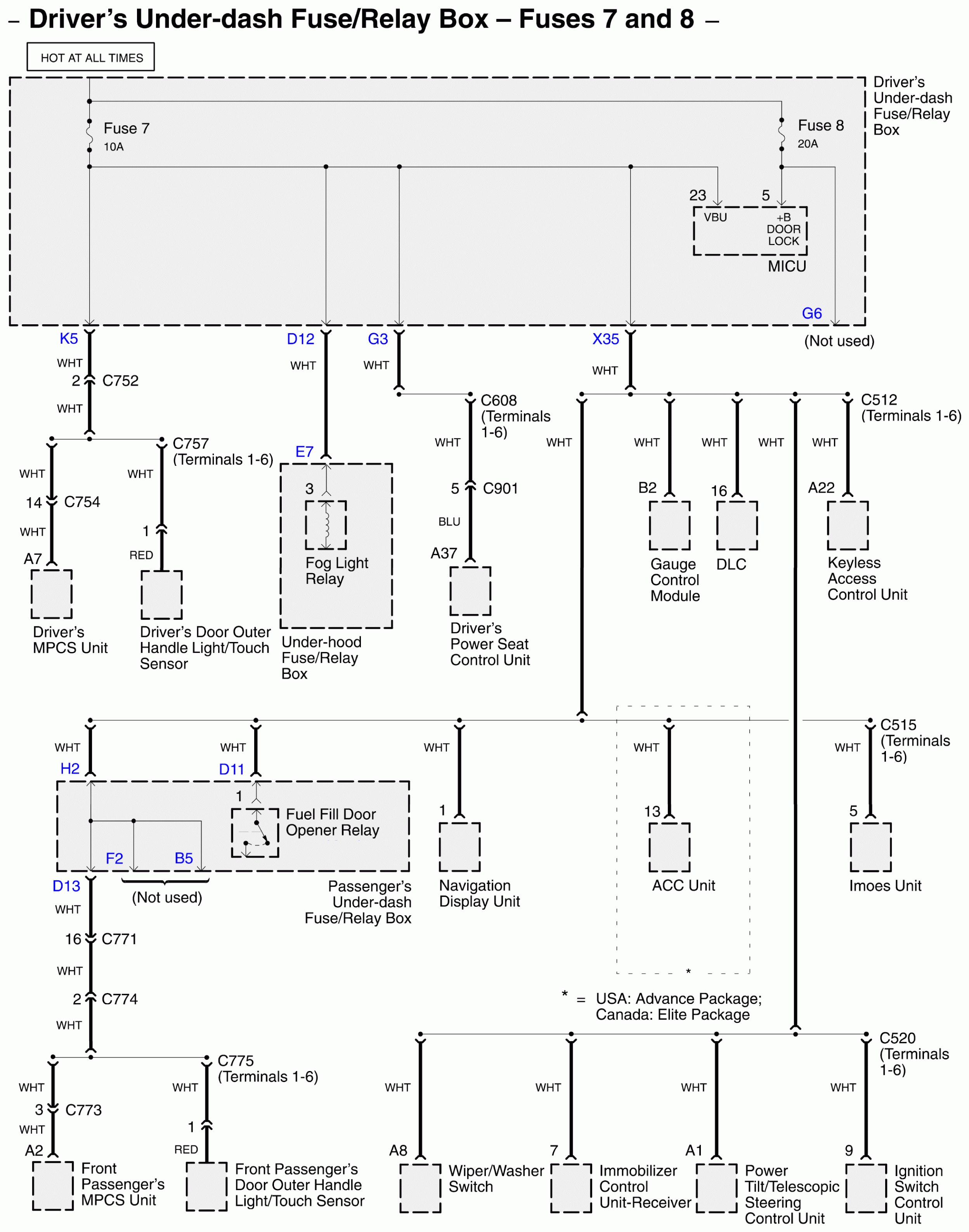
Driver’s under-dash fuse/relay box – fuse 7 and 8

Acura RL - wiring diagram - power distribution - driver's under-dash fuse/relay box fuse 7 and 8
Acura RL – wiring diagram – power distribution – driver’s under-dash fuse/relay box fuse 7 and 8

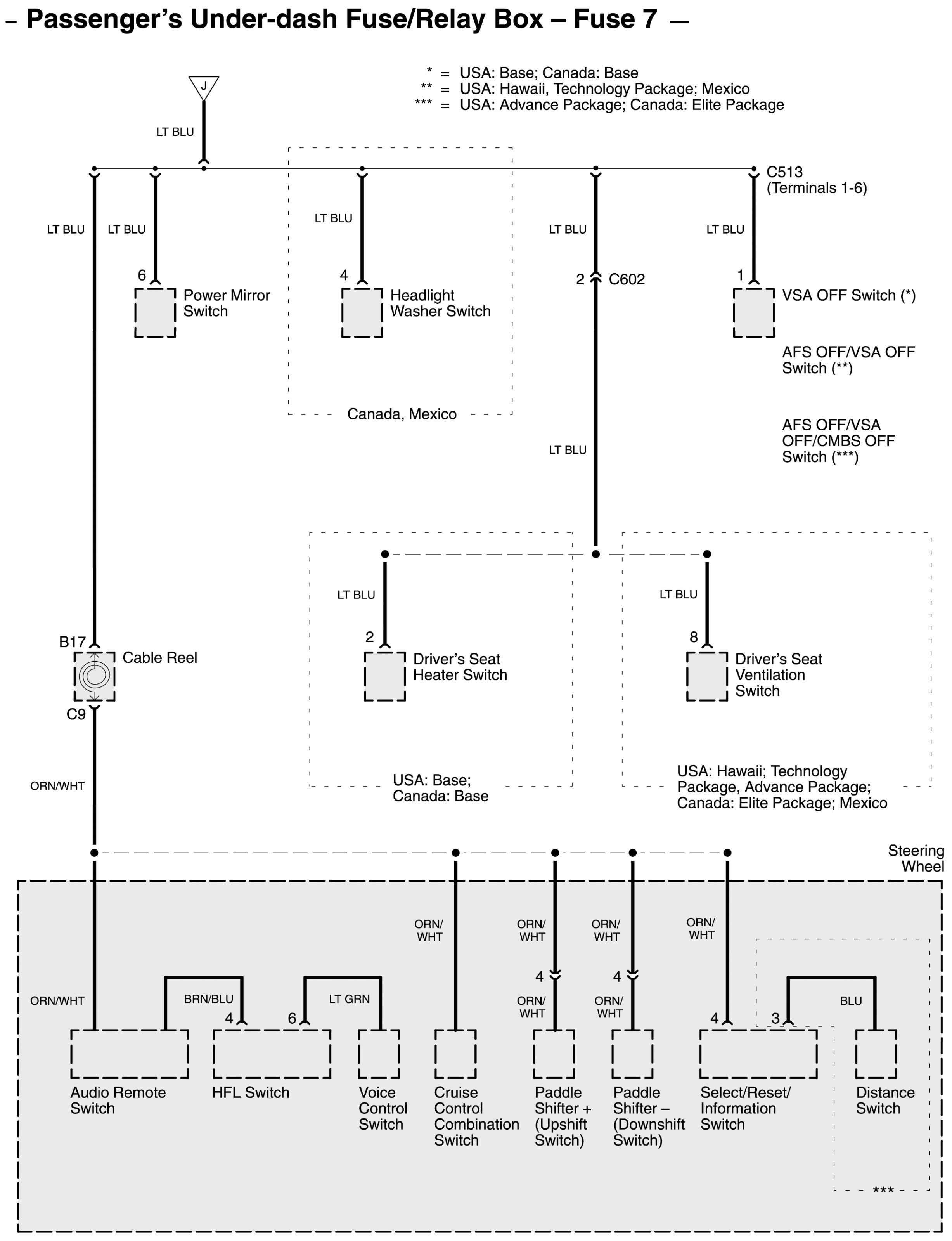
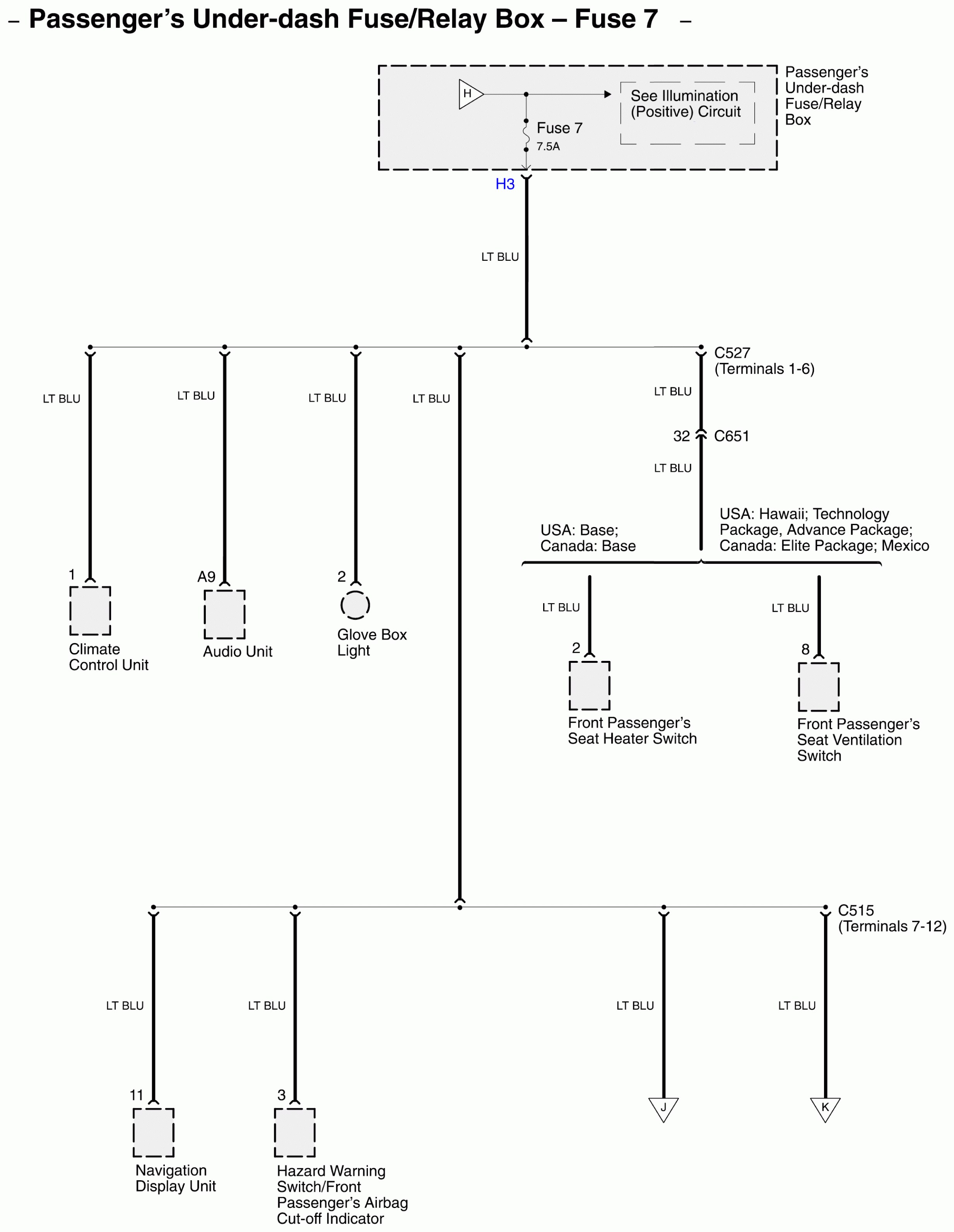
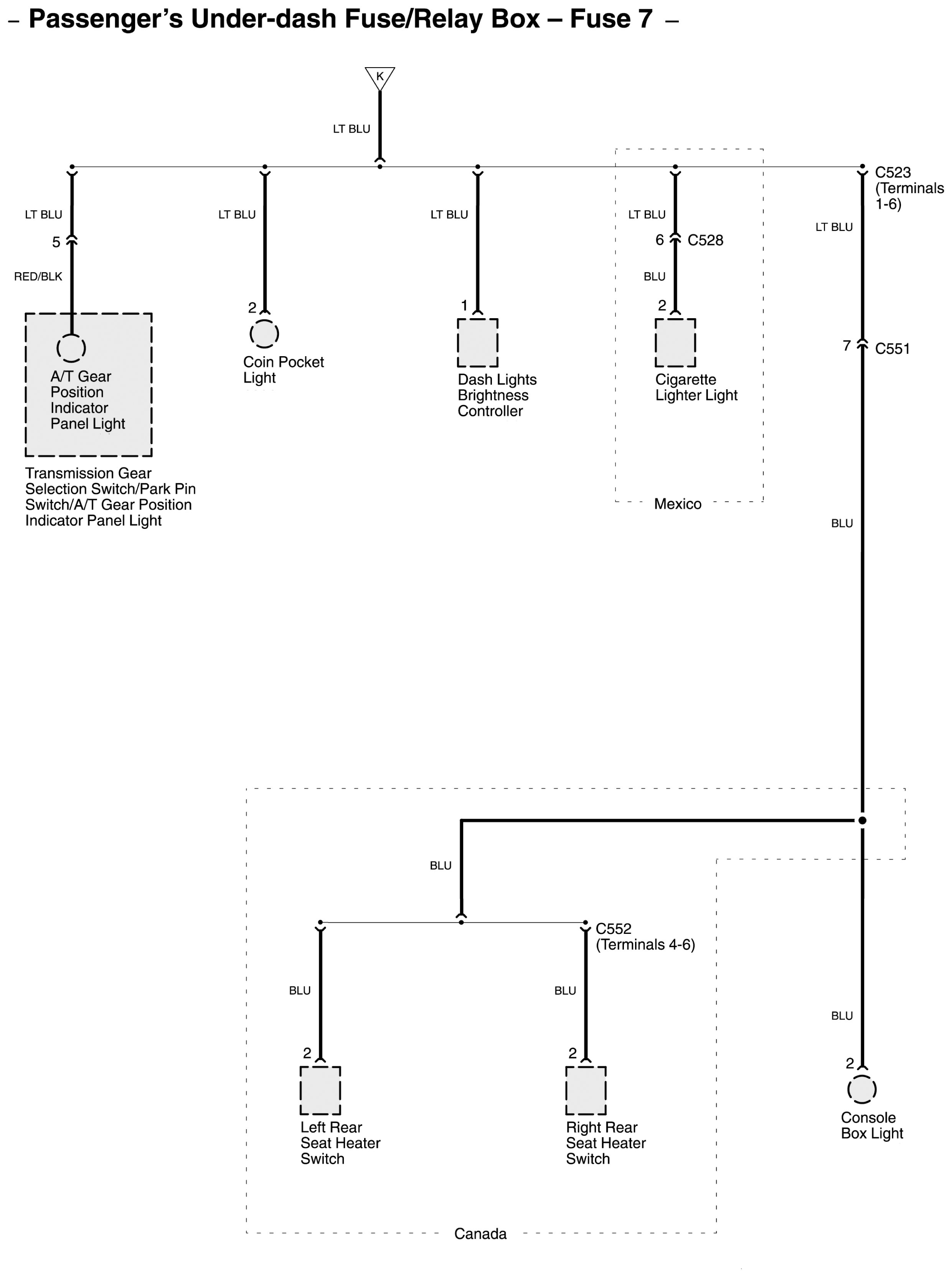
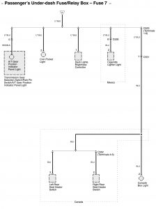
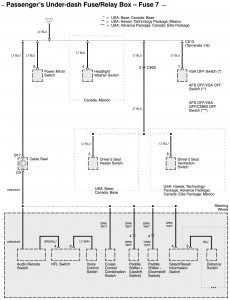
Passenger’s under-dash fuse/relay box – fuse 7

Acura RL - wiring diagram - power distribution -  passenger's under-dash fuse/relay box fuse 7 (part 1)
Acura RL – wiring diagram – power distribution – passenger’s under-dash fuse/relay box fuse 7 (part 1)
Acura RL - wiring diagram - power distribution -  passenger's under-dash fuse/relay box fuse 7 (part 2)
Acura RL – wiring diagram – power distribution – passenger’s under-dash fuse/relay box fuse 7 (part 2)
Acura RL - wiring diagram - power distribution -  passenger's under-dash fuse/relay box fuse 7 (part 3)
Acura RL – wiring diagram – power distribution – passenger’s under-dash fuse/relay box fuse 7 (part 3)

Passenger’s under-dash fuse/relay box – fuses 1, 2, 3, 4, 5, 6, 8 and 9

Acura RL - wiring diagram - power distribution -  passenger's under-dash fuse/relay box fuses 1, 2, 3, 4, 5, 6, 8 and 9)
Acura RL – wiring diagram – power distribution – passenger’s under-dash fuse/relay box fuses 1, 2, 3, 4, 5, 6, 8 and 9)

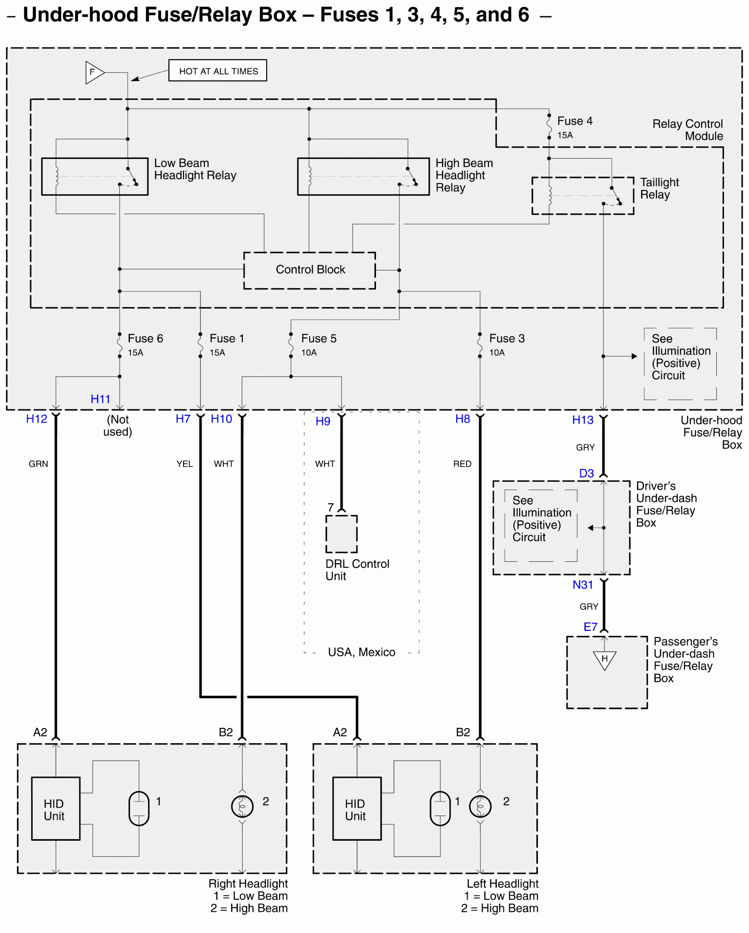
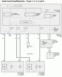
Under-hood fuse/relay box – fuses 1, 2, 3, 4, 5 and 6

Acura RL - wiring diagram - power  distribution -  under-hood fuse/relay box fuses 1, 3, 4, 5 and 6
Acura RL – wiring diagram – power
distribution –
under-hood fuse/relay box fuses 1, 3, 4, 5 and 6

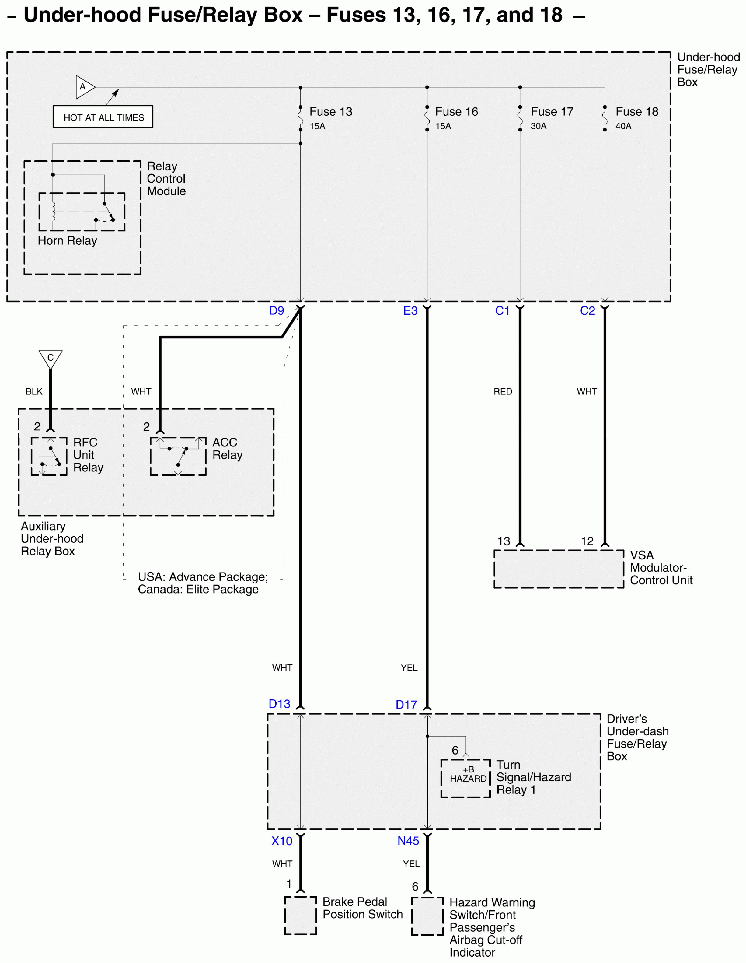
Under-hood fuse/relay box – fuses 13, 16, 17 and 18

Acura RL - wiring diagram - power  distribution -  under-hood fuse/relay box fuses 13, 16, 17 and 18
Acura RL – wiring diagram – power
distribution – under-hood fuse/relay box fuses 13, 16, 17 and 18

Under-hood fuse/relay box – fuses 7, 8, 10, 14, 15, 21 and driver’s under-dash fuse/relay box- fuse 9

Acura RL - wiring diagram - power distribution - under-hood fuse/relay box -fuses 7, 8, 10, 14, 15, 21 and driver's under-dash fuse/relay box fuses 9
Acura RL – wiring diagram – power distribution – under-hood fuse/relay box -fuses 7, 8, 10, 14, 15, 21 and driver’s under-dash fuse/relay box fuses 9

Under-hood fuse/relay box – fuses 9, 11, 12, 19, 20, multi-fuse 22, driver’s under-dash fuse/relay box- fuse 4 and battery terminal fuse box – fuses 34 and 35

Acura RL - wiring diagram - power distribution - under-hood fuse/relay box   - fuses 9, 11, 12, 19, 20, multi-fuse 22, driver's under-dash fuse/relay box - fuse 4 and battery terminal fuse box -  fuses 34 and 35
Acura RL – wiring diagram – power distribution – under-hood fuse/relay box – fuses 9, 11, 12, 19, 20, multi-fuse 22, driver’s under-dash fuse/relay box – fuse 4 and battery terminal fuse box – fuses 34 and 35

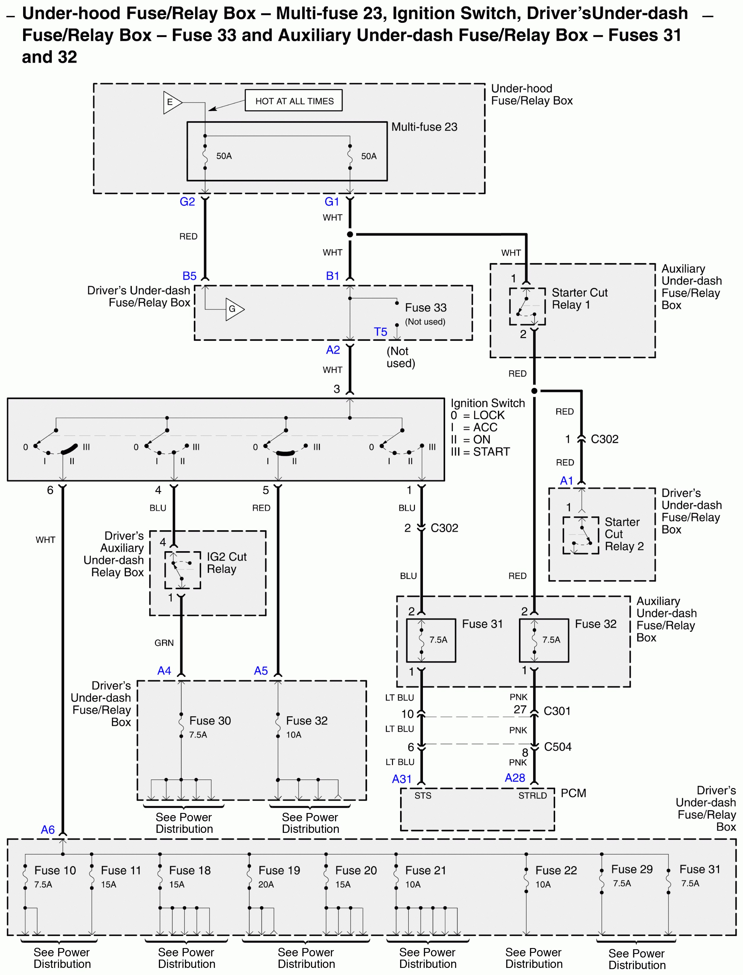
Under-hood fuse/relay box –  multi-fuse 23, ignition switch, driver’s under-dash fuse/relay box- fuse 33 and auxiliary under-dash fuse/relay box – fuses 31 and 32

Acura RL - power distribution - under-hood fuse/relay box multi-fuse 23, ignition switch, driver's under-dash fuse/relay box fuse 33 and auxiliary under-dash fuse/relay box fuses 31 and 32
Acura RL – power distribution – under-hood fuse/relay box multi-fuse 23, ignition switch, driver’s under-dash fuse/relay box fuse 33 and auxiliary under-dash fuse/relay box fuses 31 and 32

 

WARNING: Terminal and harness assignments for individual connectors will vary depending on vehicle equipment level, model, and market.