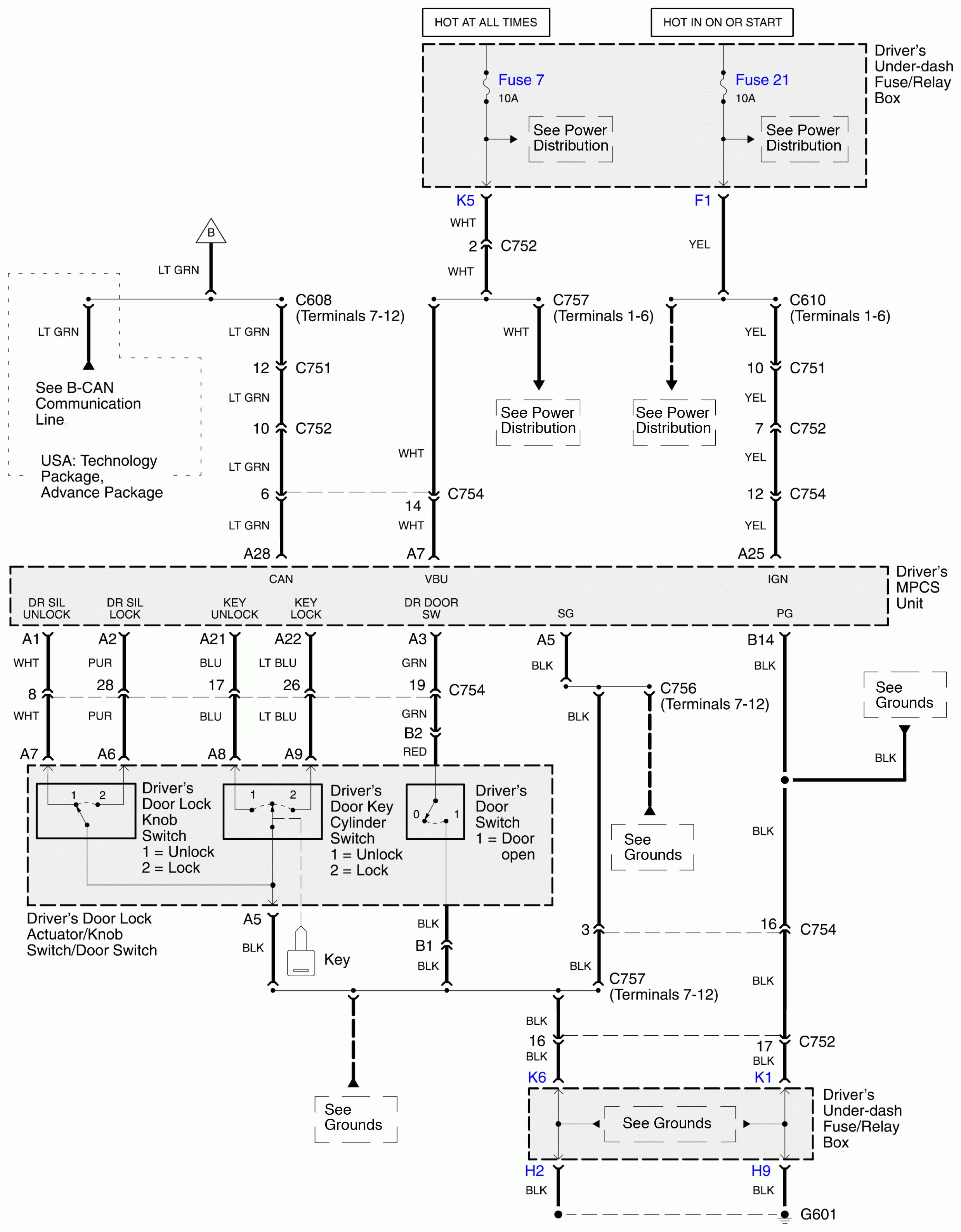
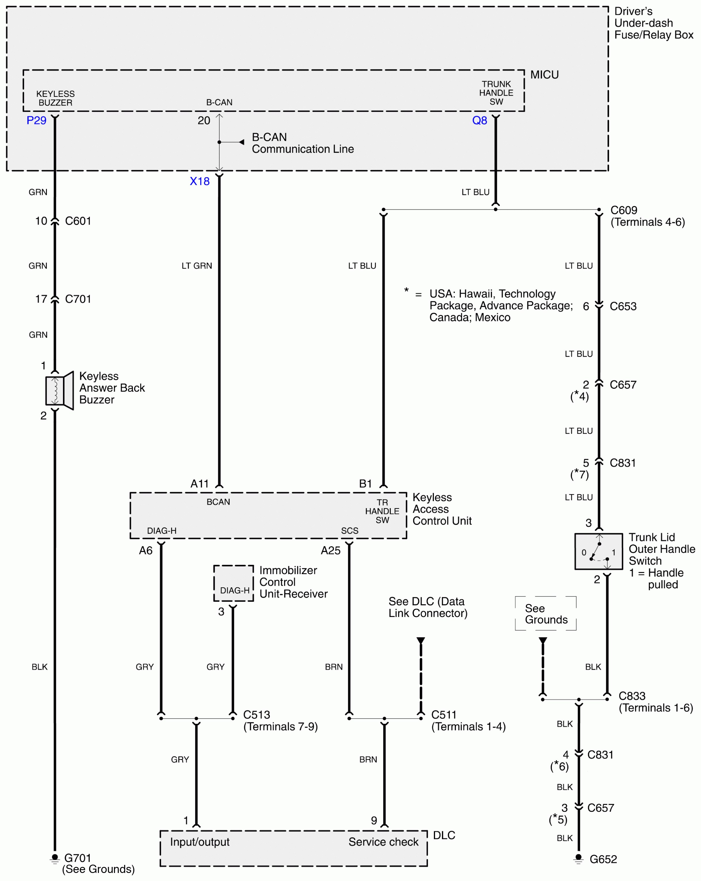
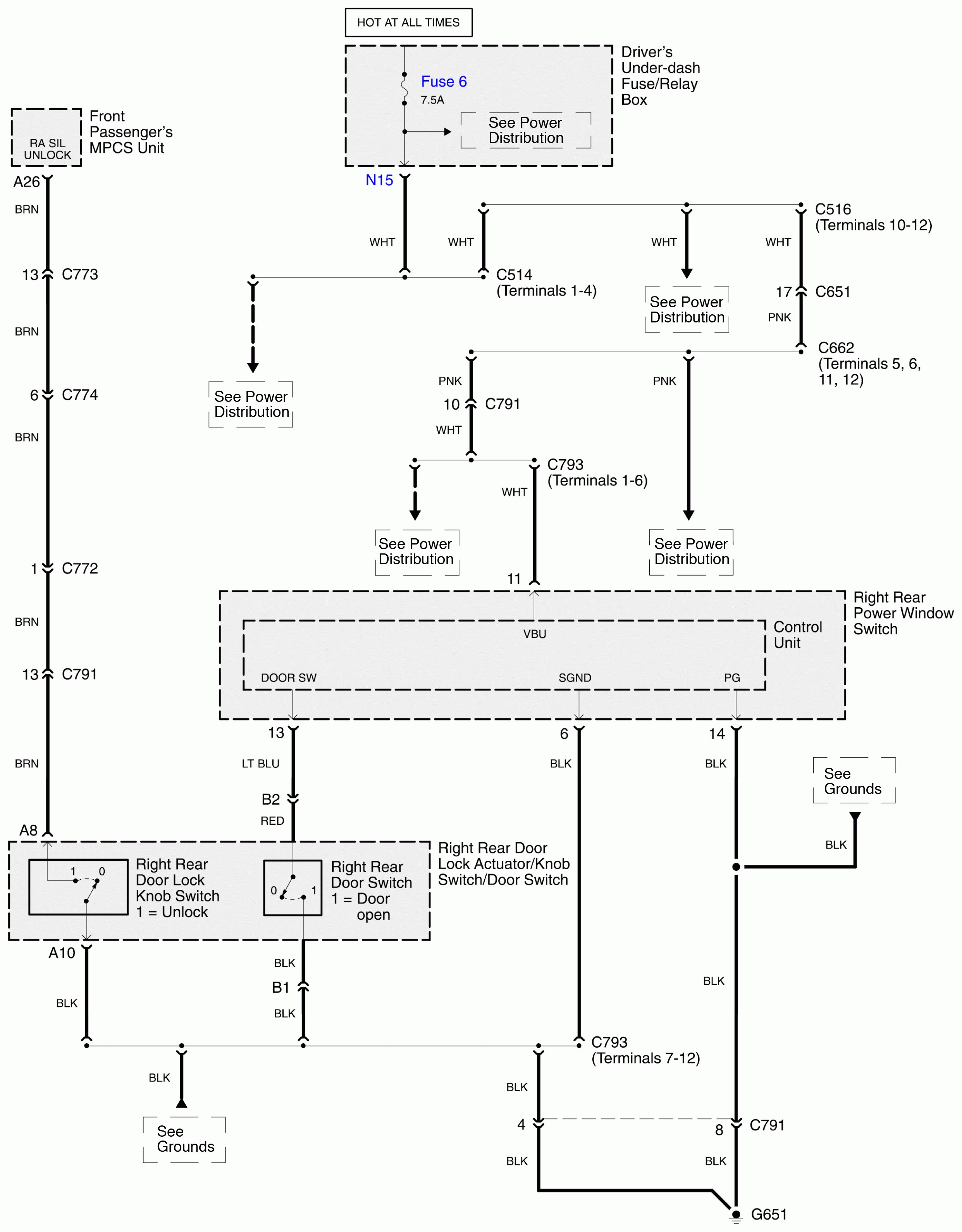
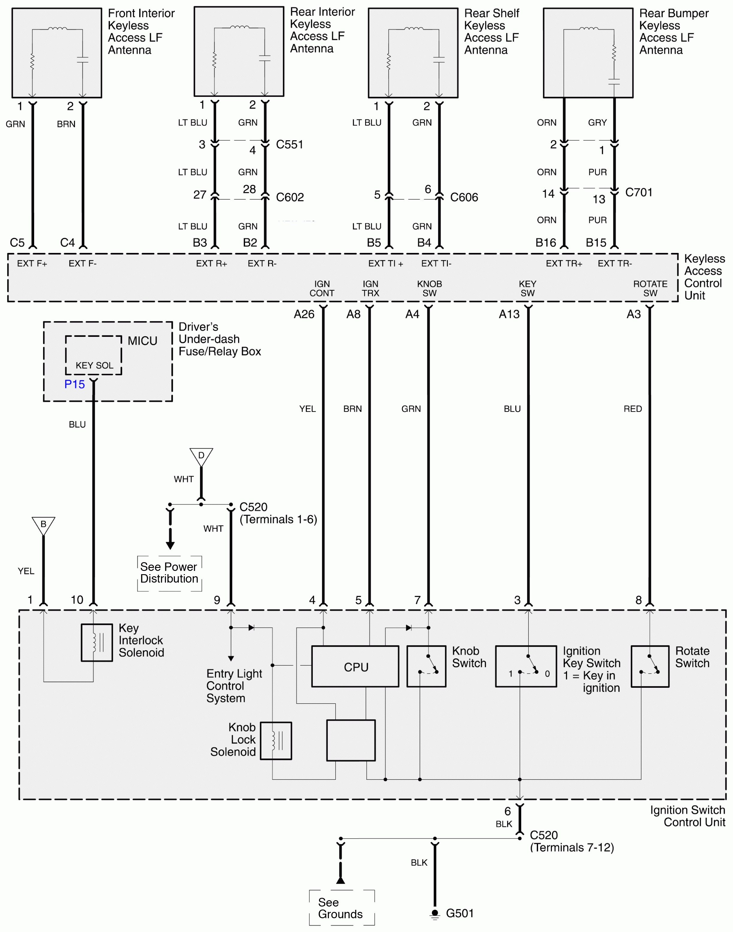
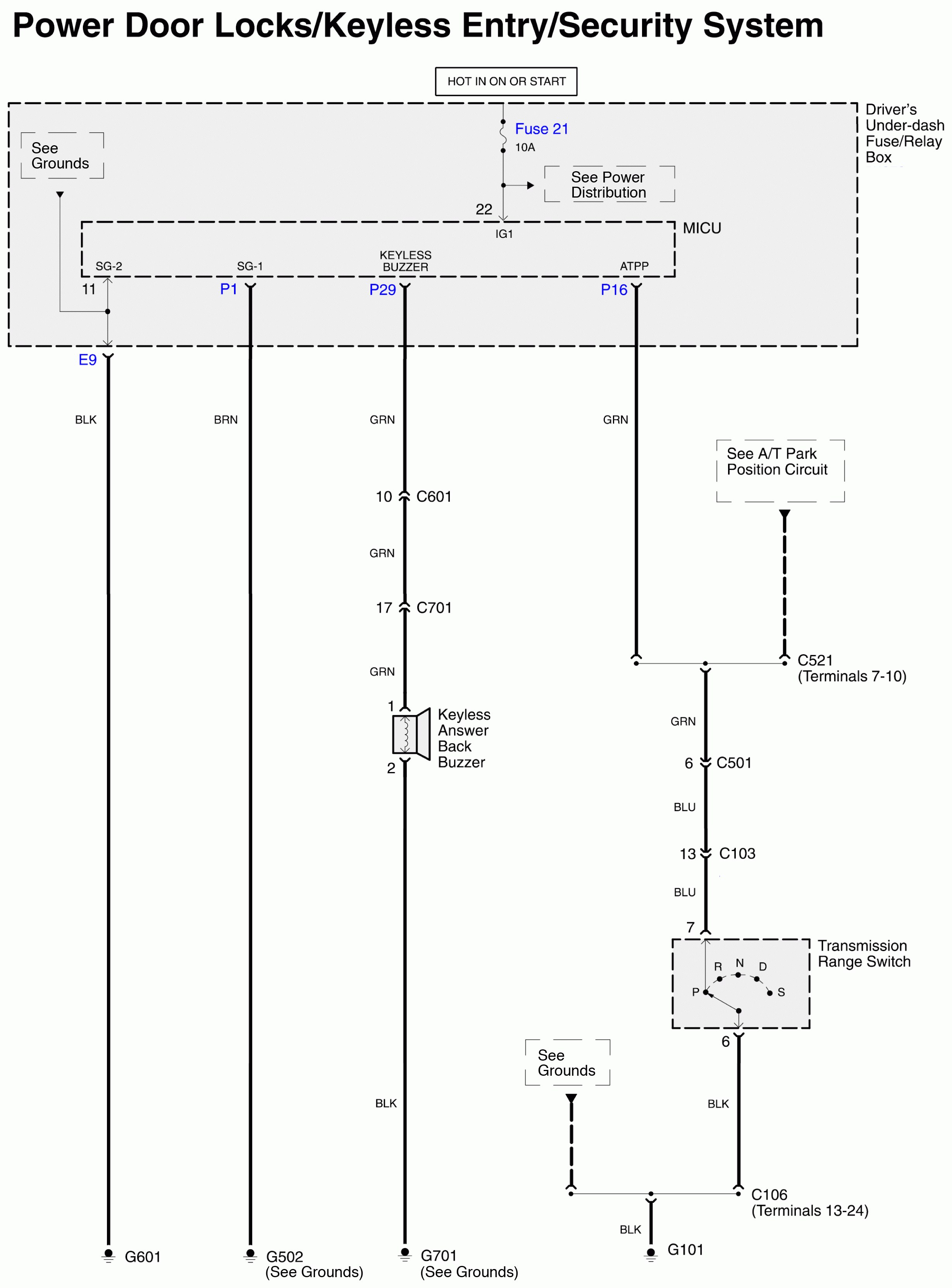
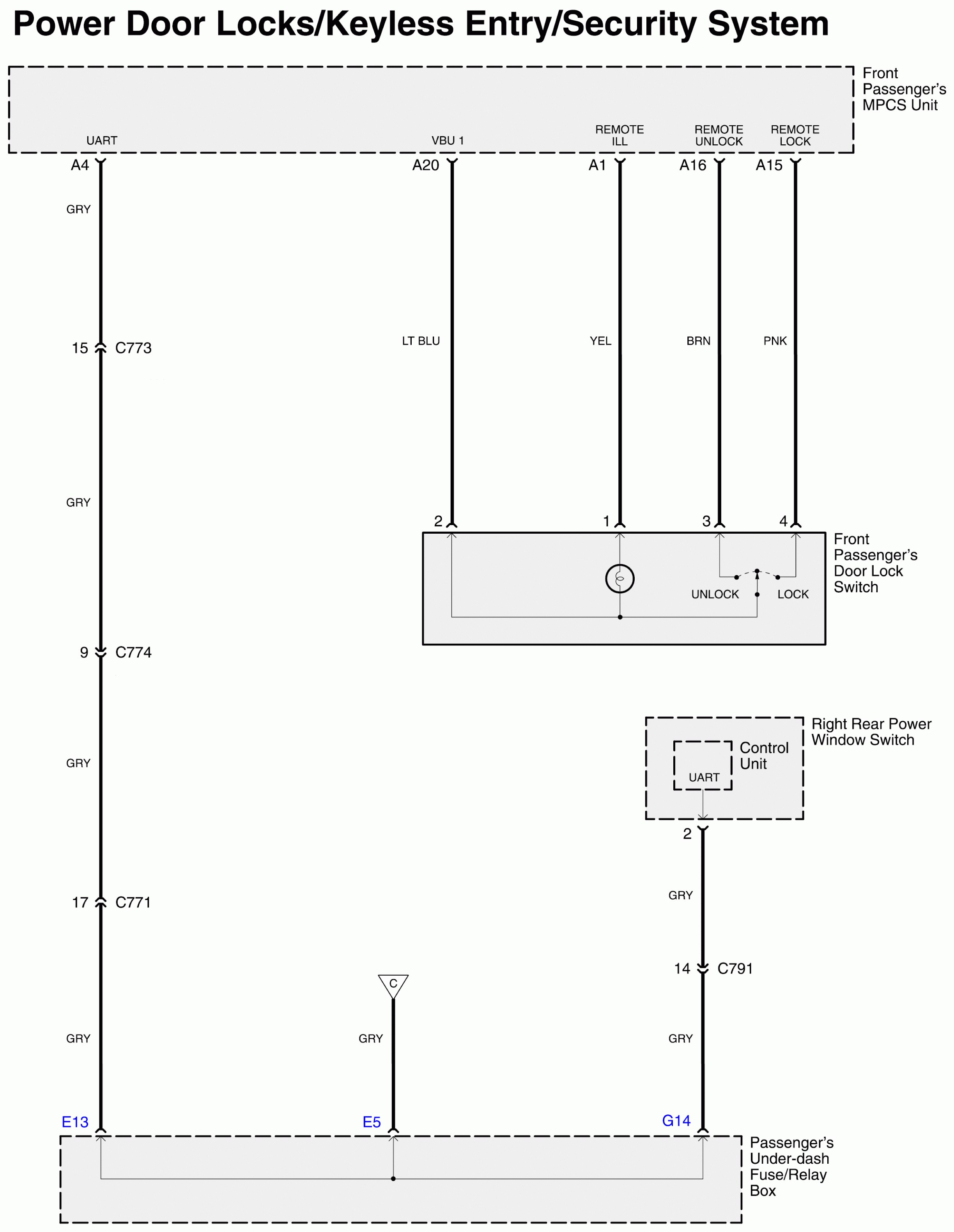
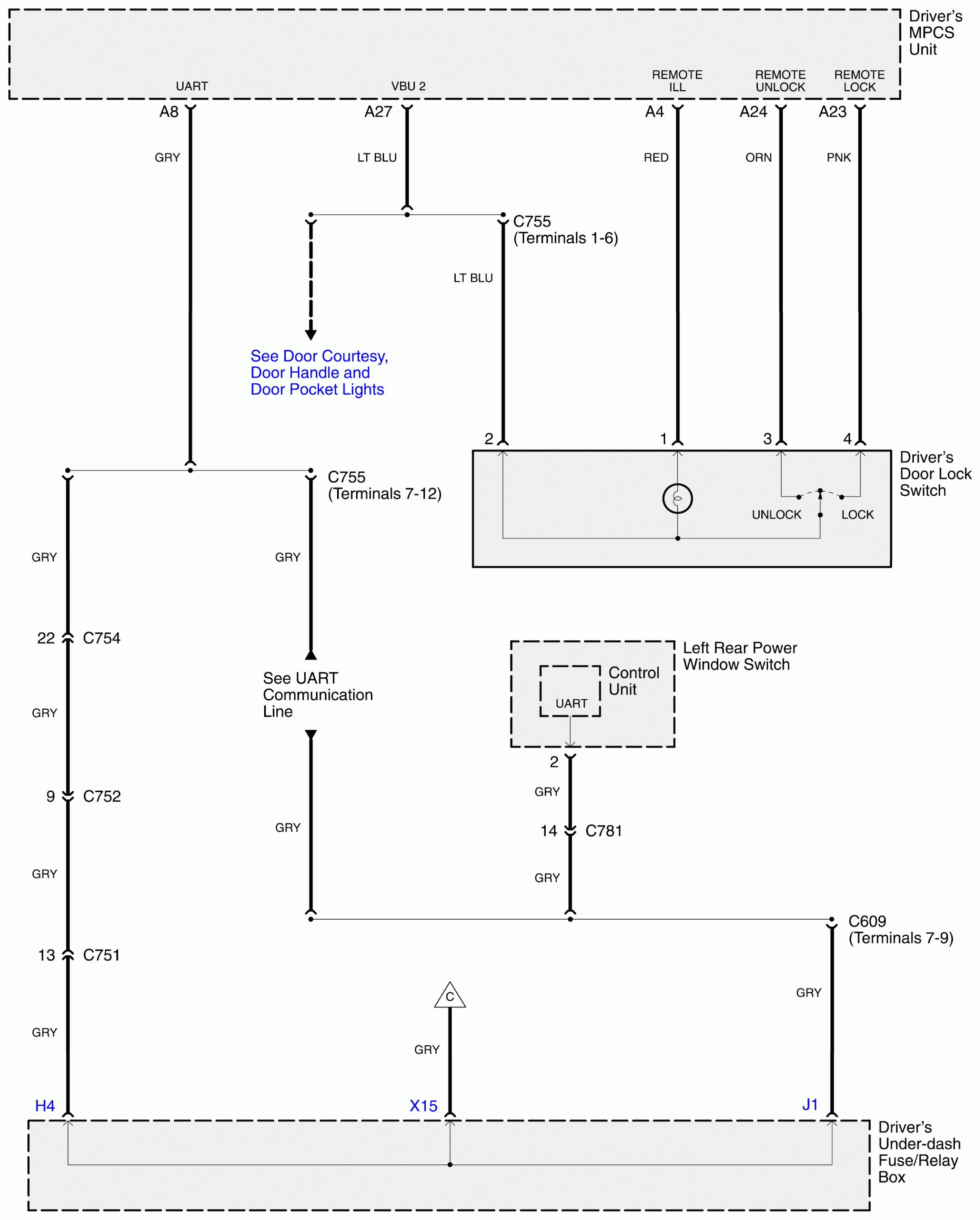
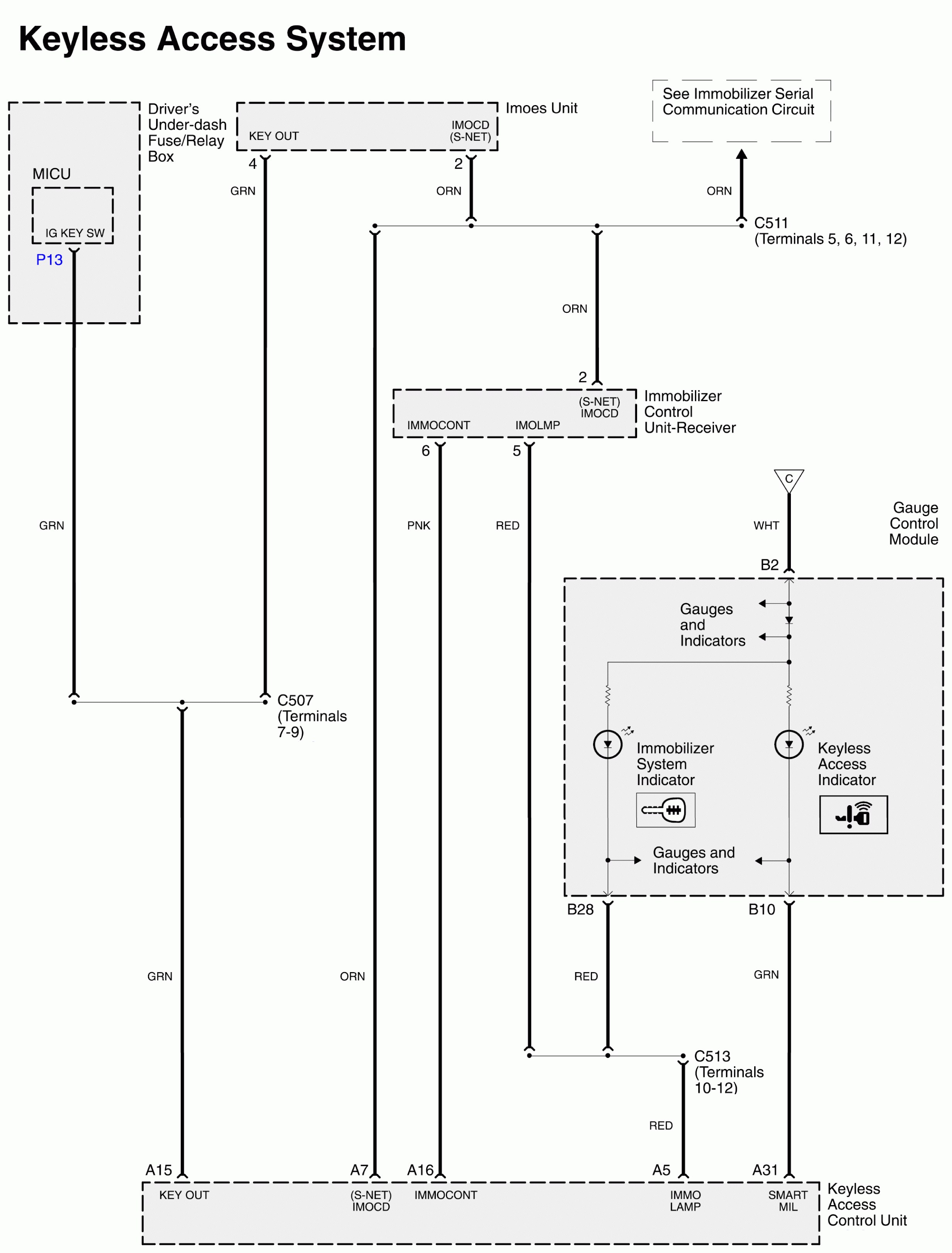
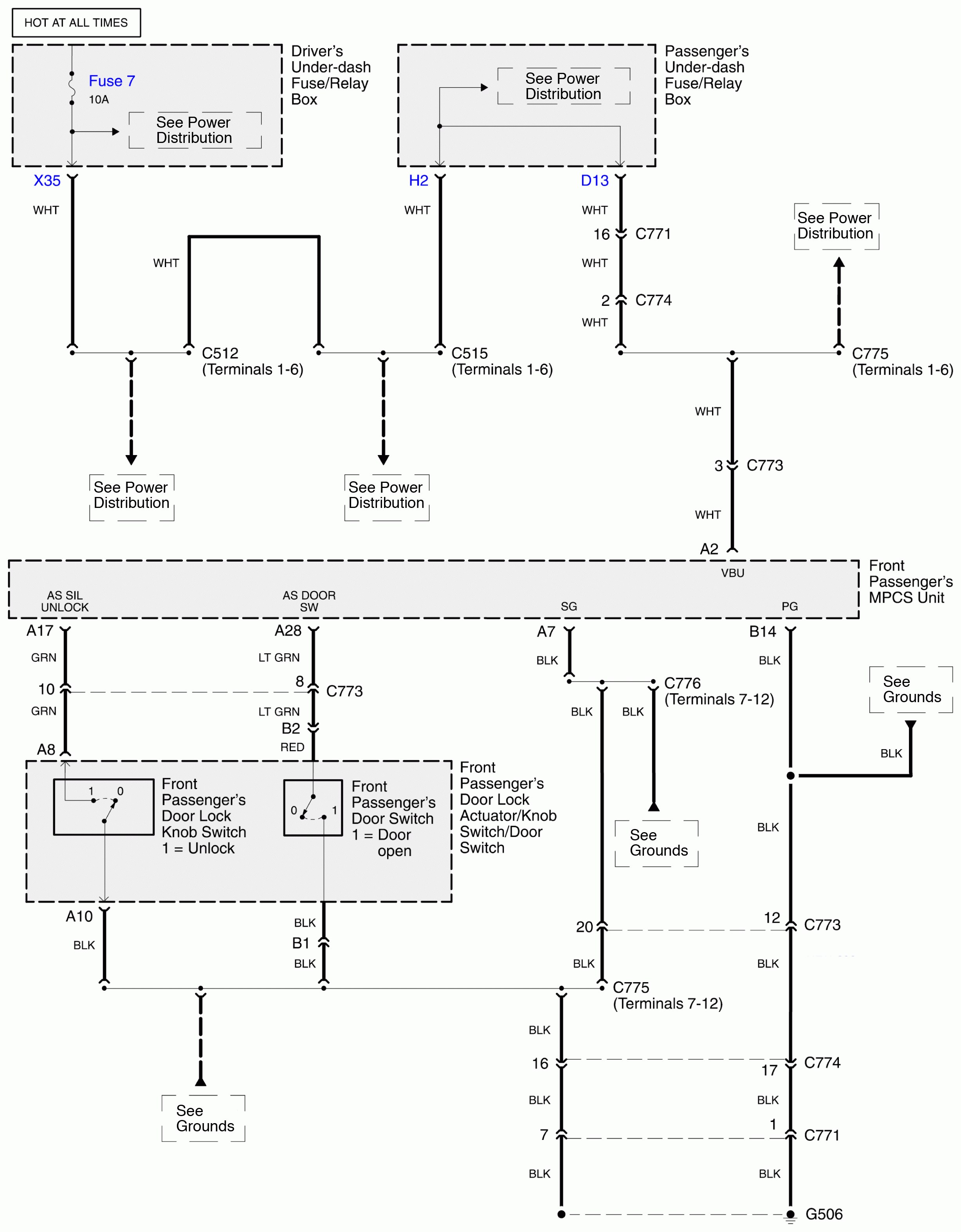
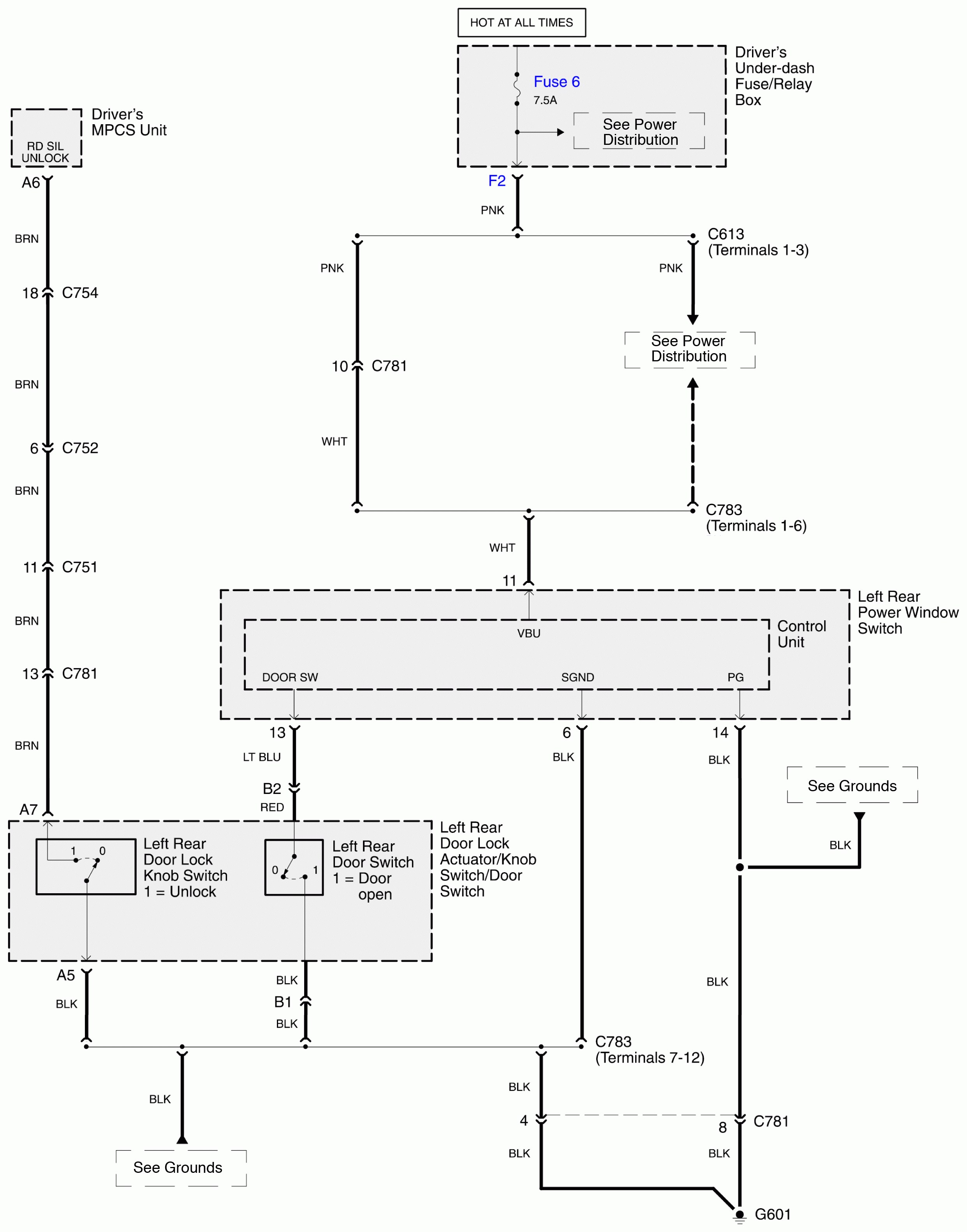
Acura RL (2011) – wiring diagrams – keyless entry
Year of productions: 2011
Keyless entry
Version 1











Version 2







WARNING: Terminal and harness assignments for individual connectors will vary depending on vehicle equipment level, model, and market.
Year of productions: 2011


















WARNING: Terminal and harness assignments for individual connectors will vary depending on vehicle equipment level, model, and market.
Copyright © 2026 | MH Magazine WordPress Theme by MH Themes