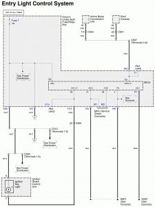
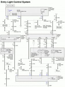
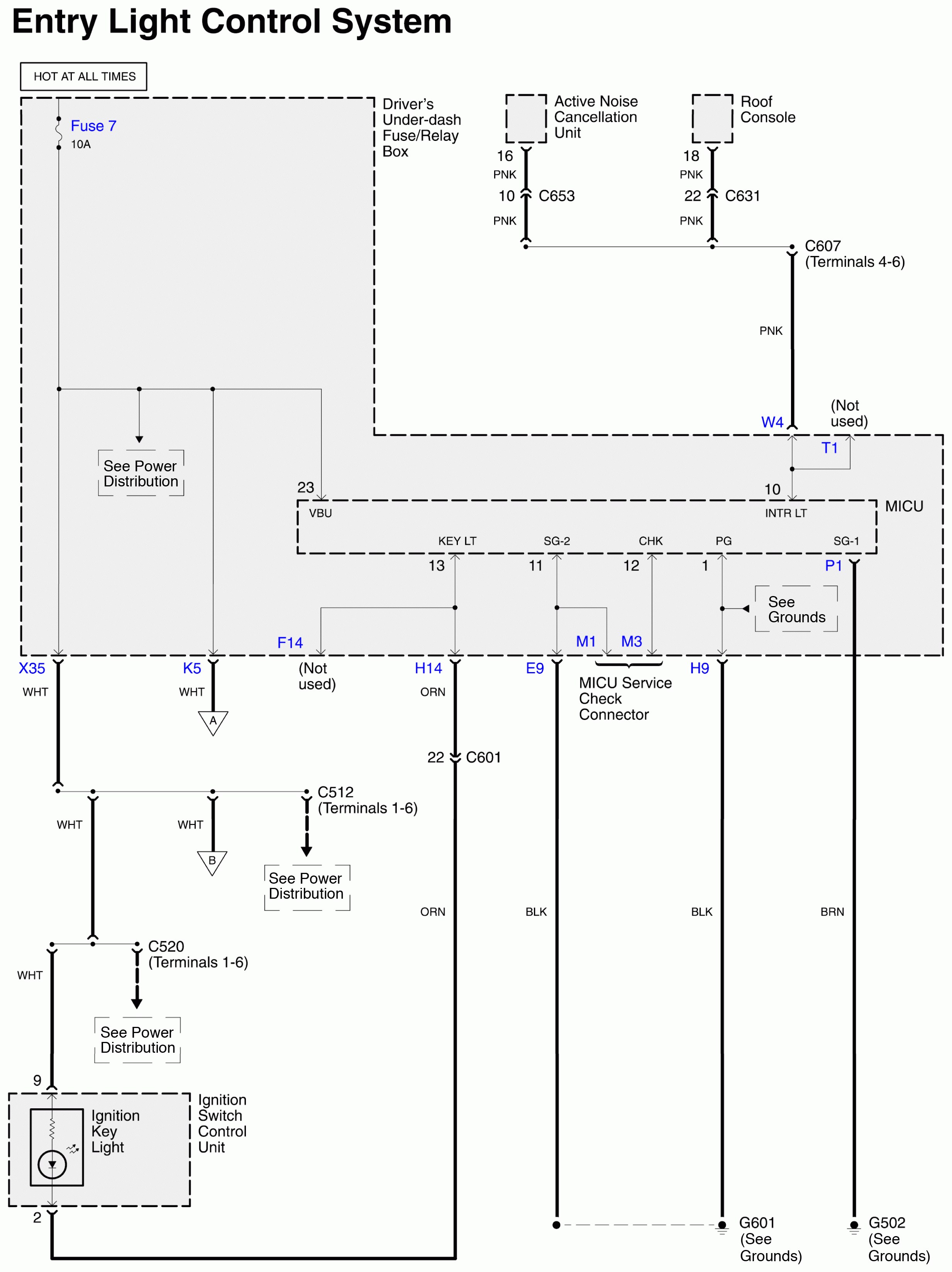
Acura RL (2011) – wiring diagrams – illuminated entry
Year of production: 2011
Illuminated entry



WARNING: Terminal and harness assignments for individual connectors will vary depending on vehicle equipment level, model, and market.
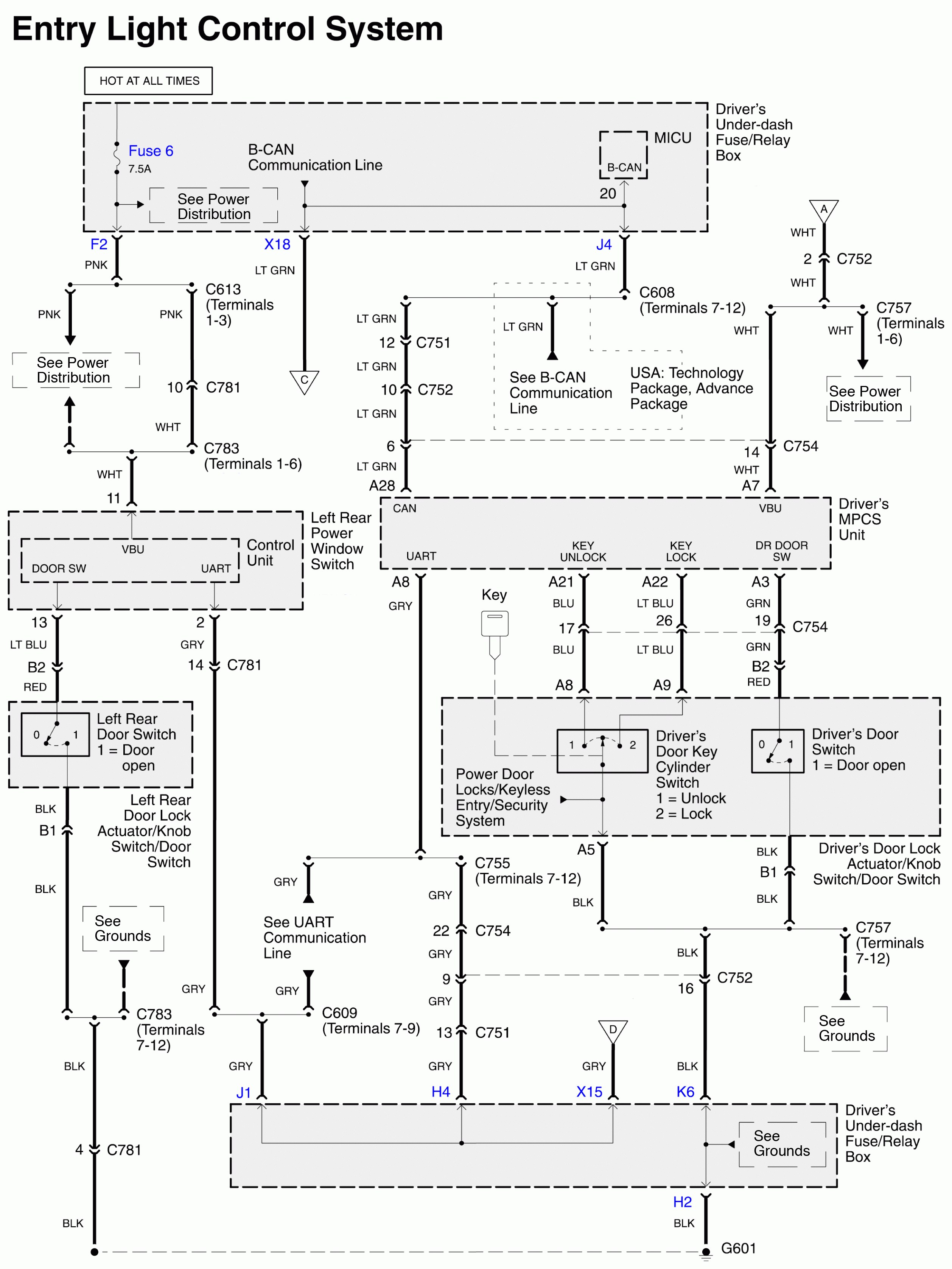
Year of production: 2011



WARNING: Terminal and harness assignments for individual connectors will vary depending on vehicle equipment level, model, and market.
Copyright © 2026 | MH Magazine WordPress Theme by MH Themes