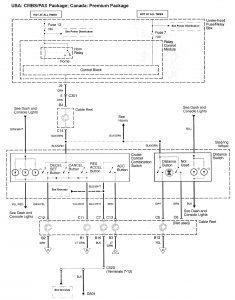
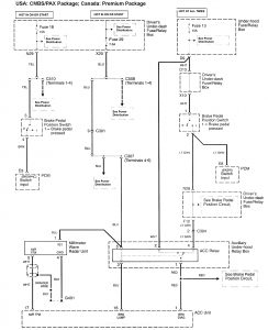
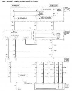
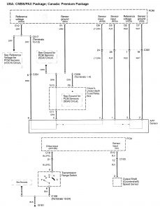
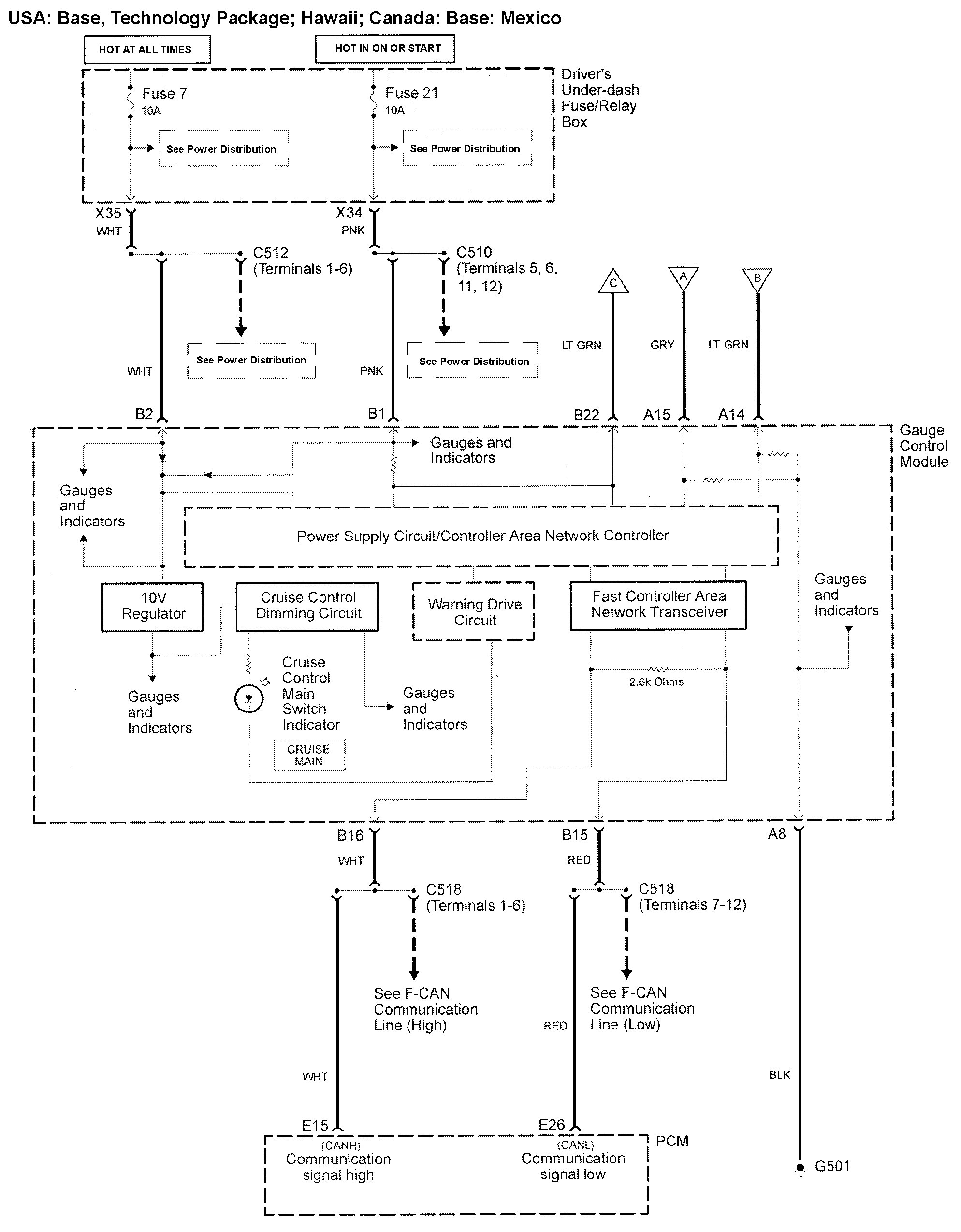
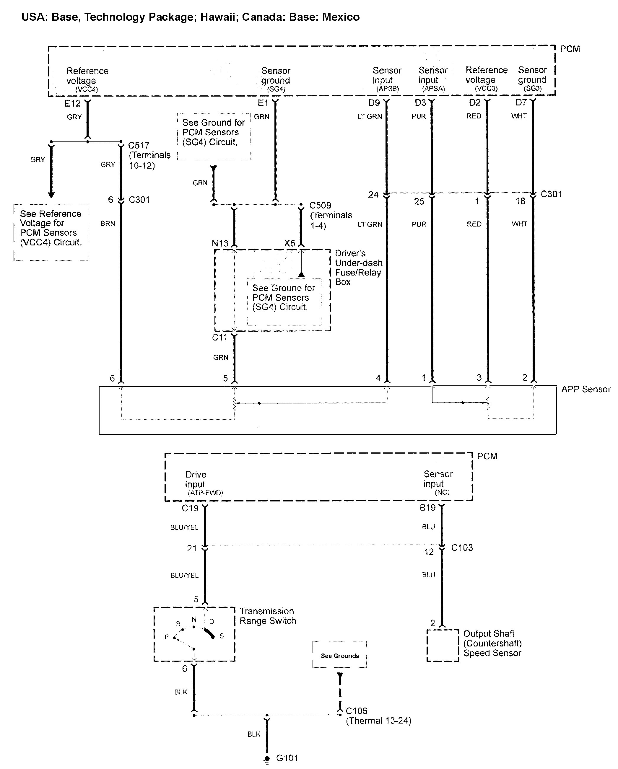
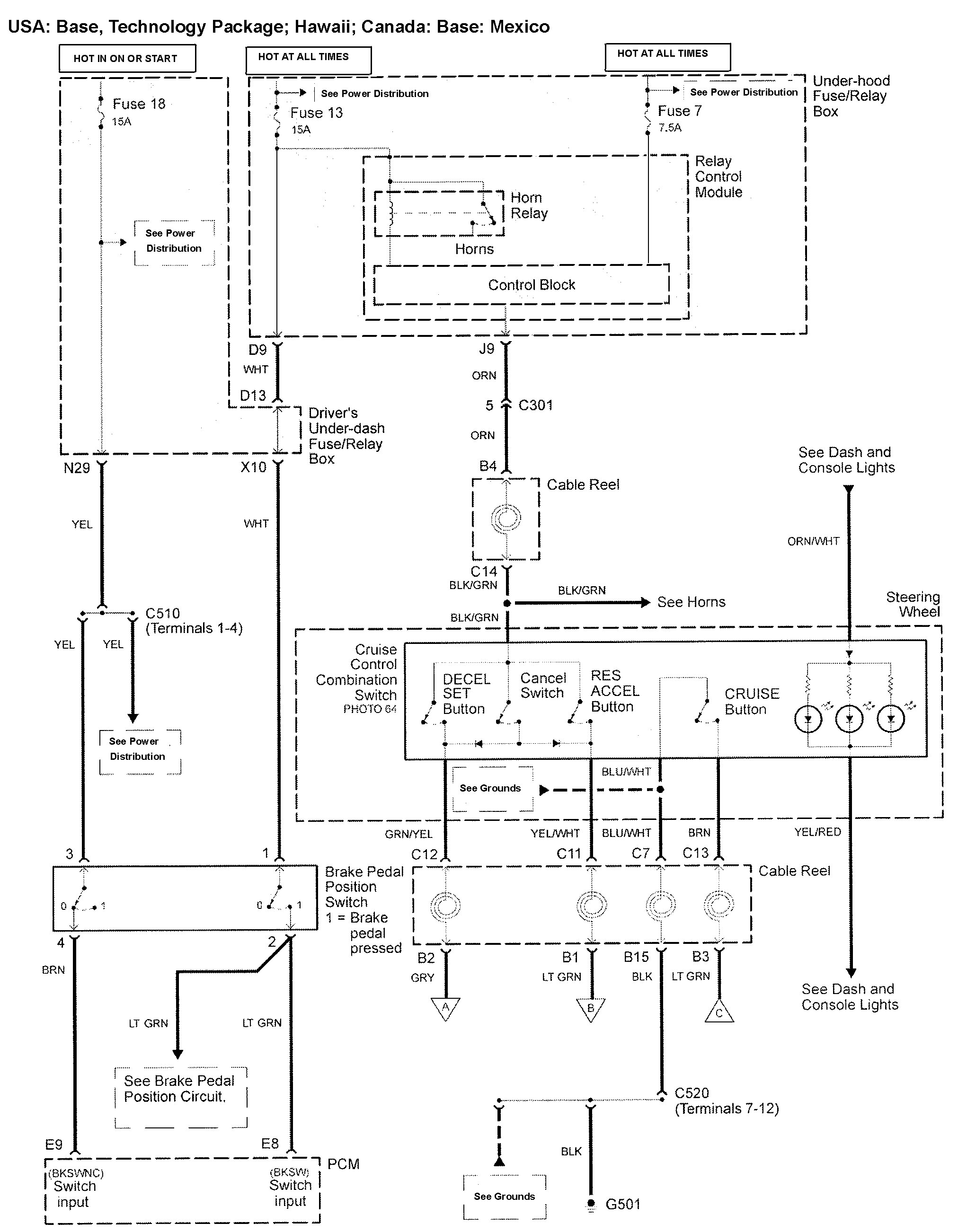
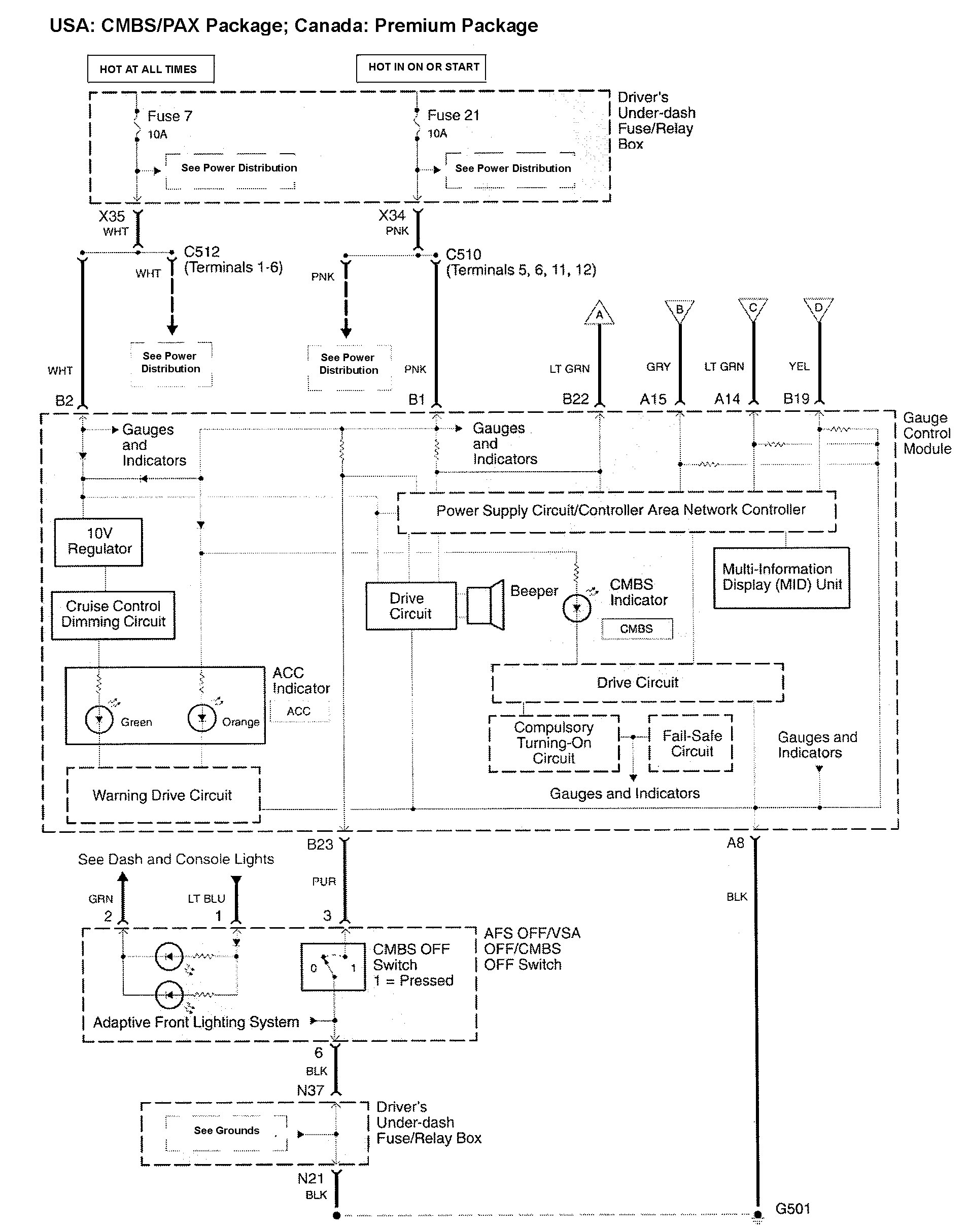
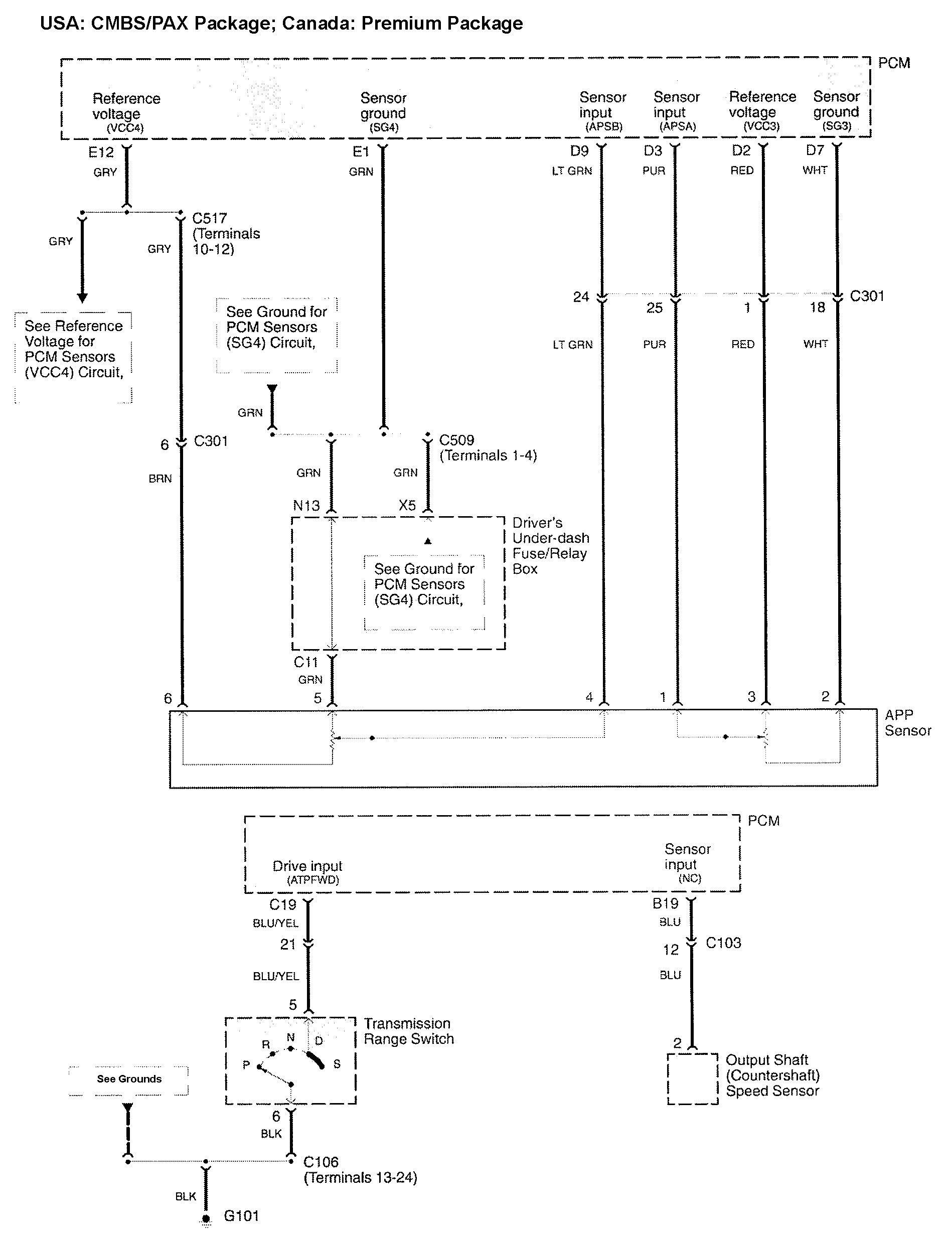
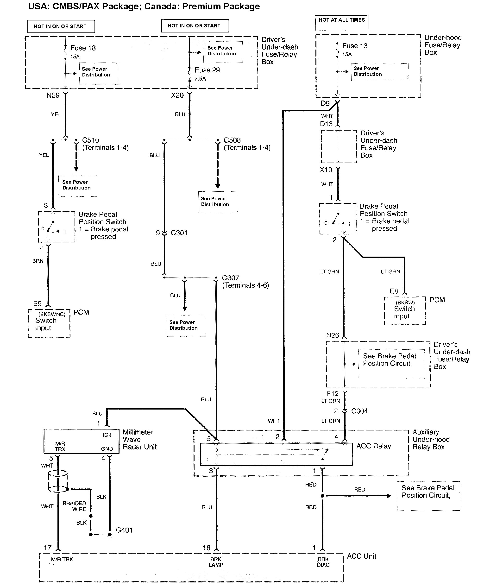
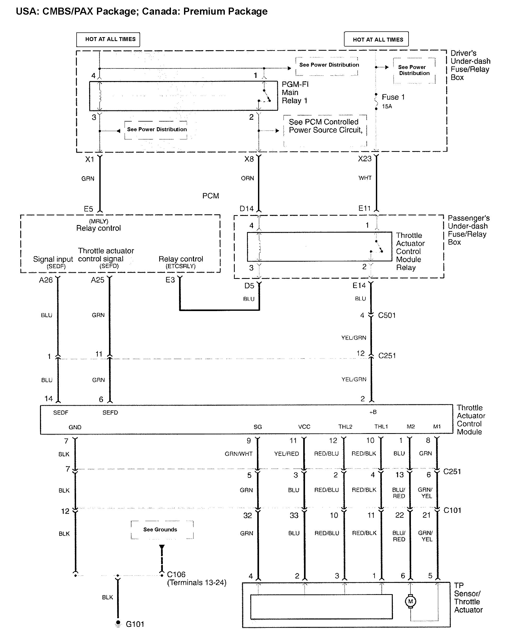
Acura RL (2010 – 2011) – wiring diagrams – speed controls
Year of productions: 2010, 2011
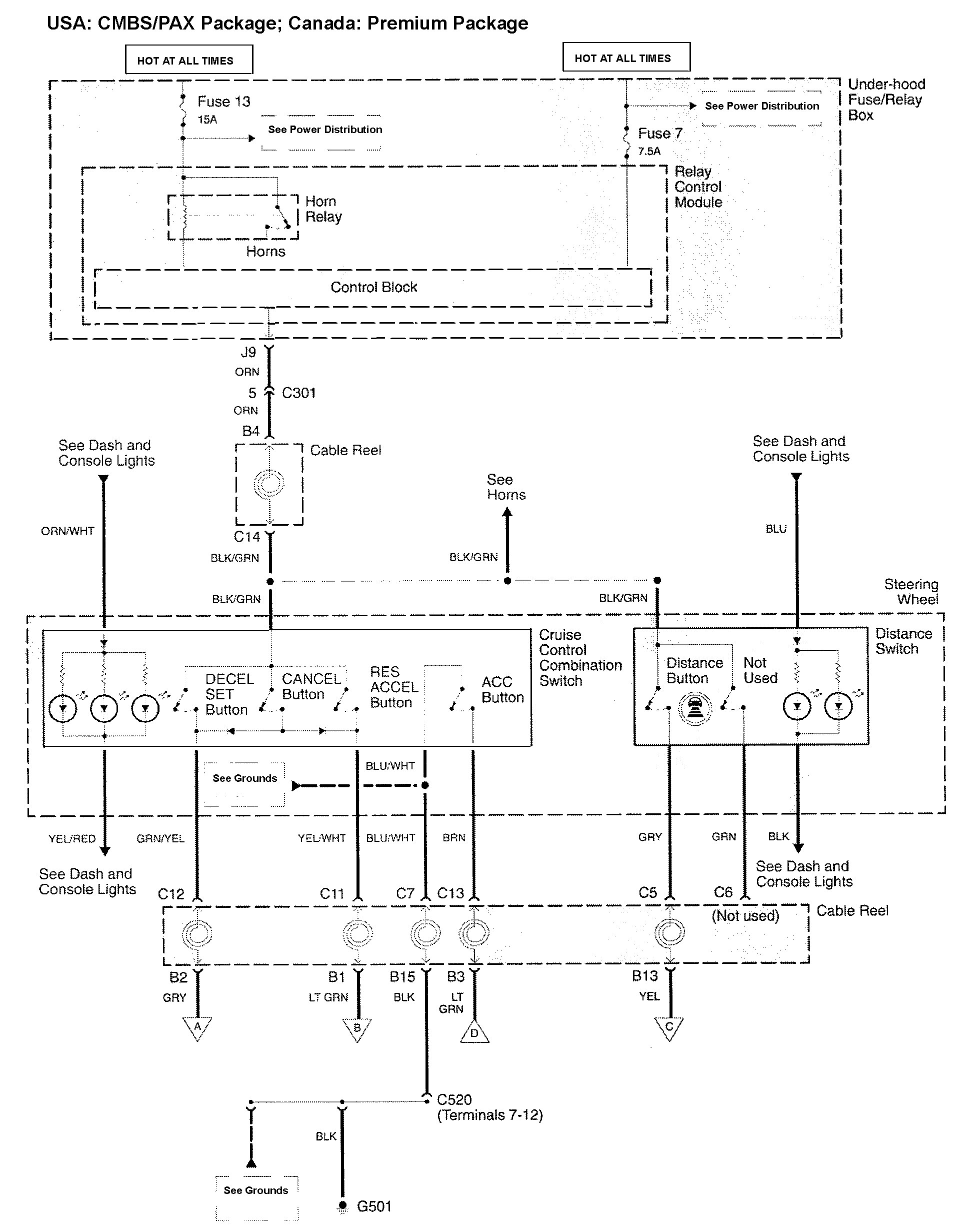
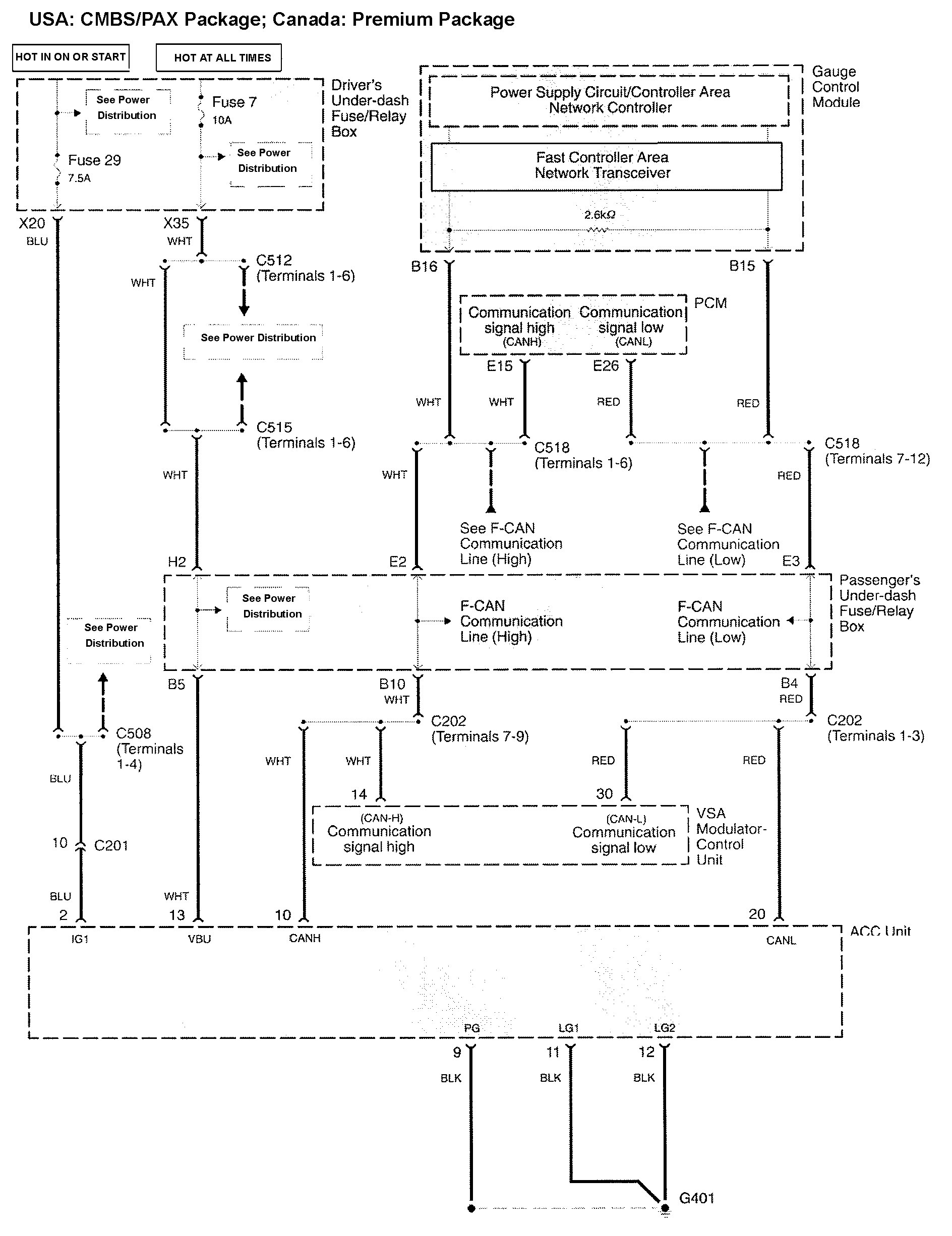
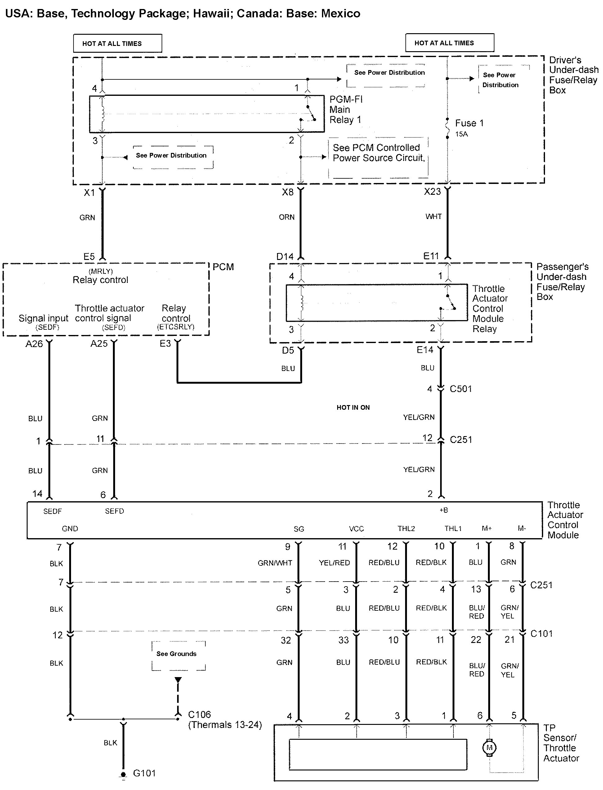
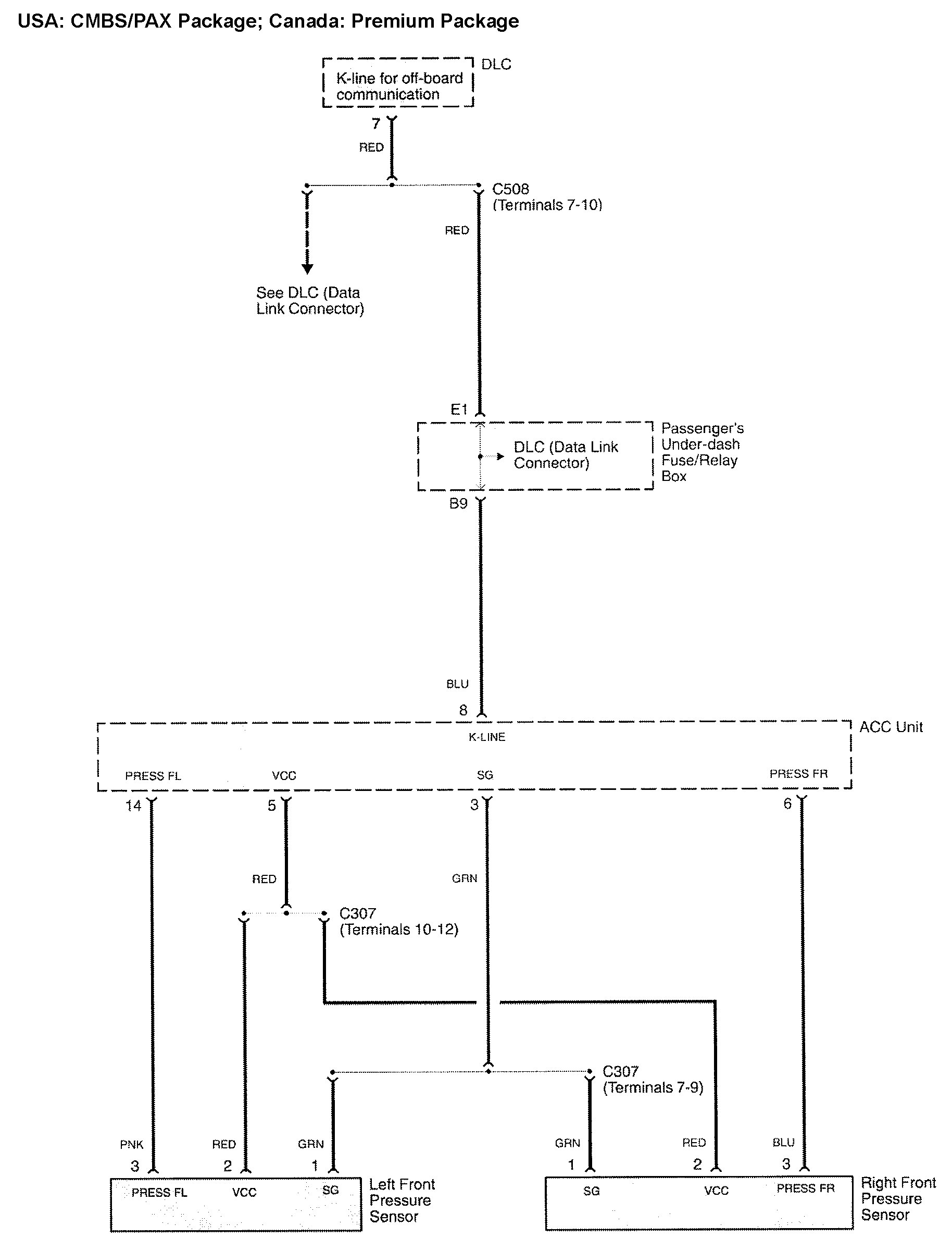
Speed control
Version 1

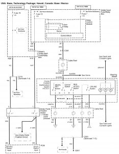
– speed controls (part 1)

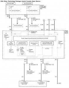
– speed controls (part 2)

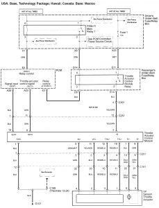
– speed controls (part 3)

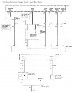
– speed controls (part 4)

– speed controls (part 5)

– speed controls (part 6)

– speed controls (part 7)
Version 2

– speed controls (part 1)

– speed controls (part 2)

– speed controls (part 3)

– speed controls (part 4)
WARNING: Terminal and harness assignments for individual connectors will vary depending on vehicle equipment level, model, and market.
