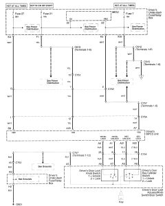
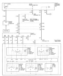
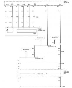
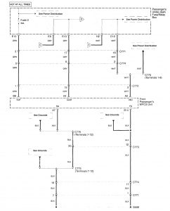
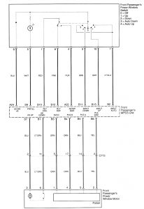
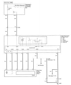
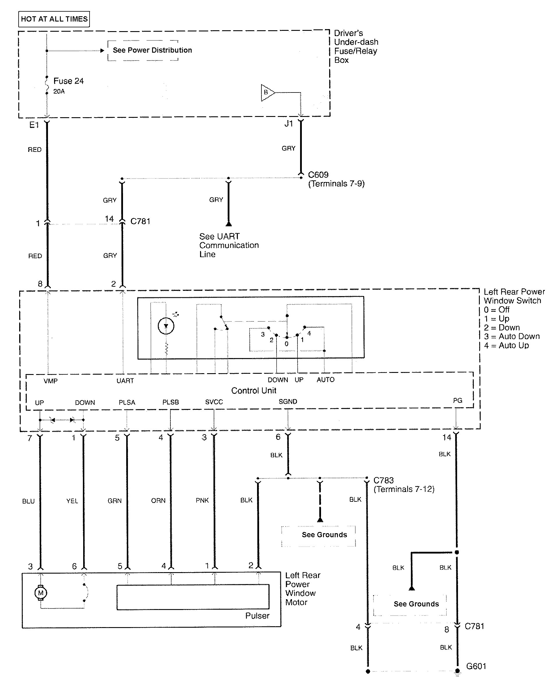
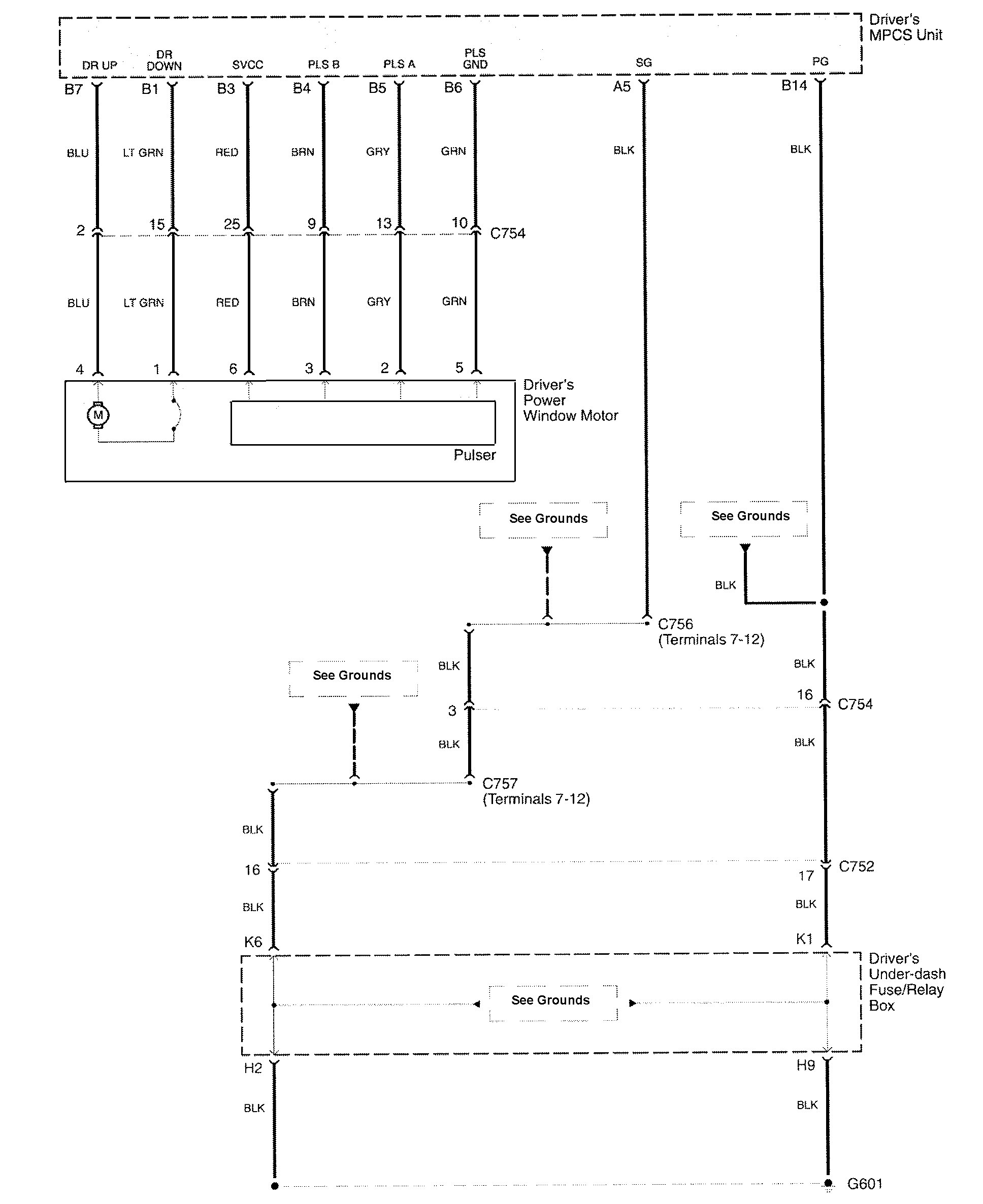
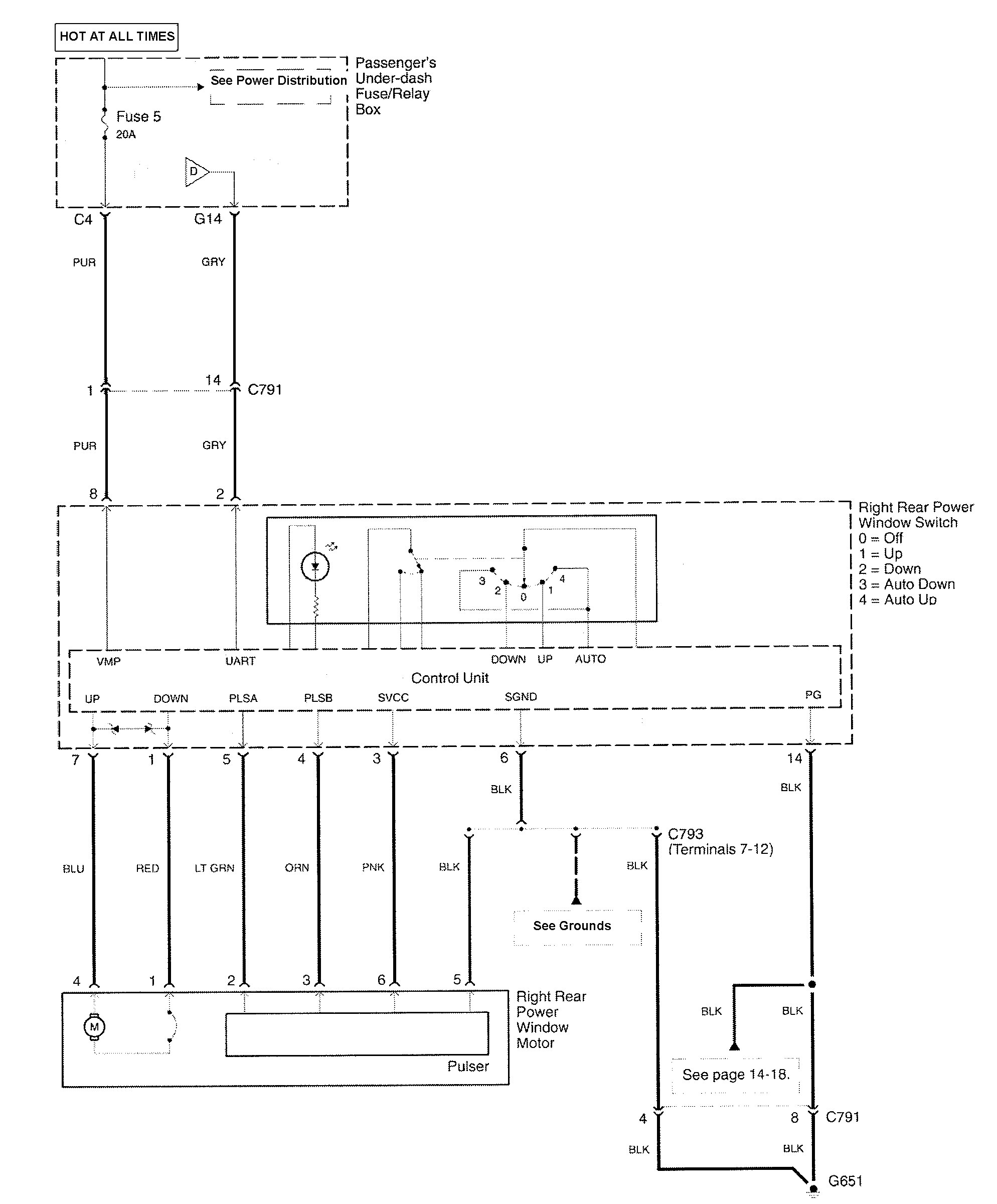
Acura RL (2010 – 2011) – wiring diagrams – power windows
Year of productions: 2010, 2011
Power windows







WARNING: Terminal and harness assignments for individual connectors will vary depending on vehicle equipment level, model, and market.
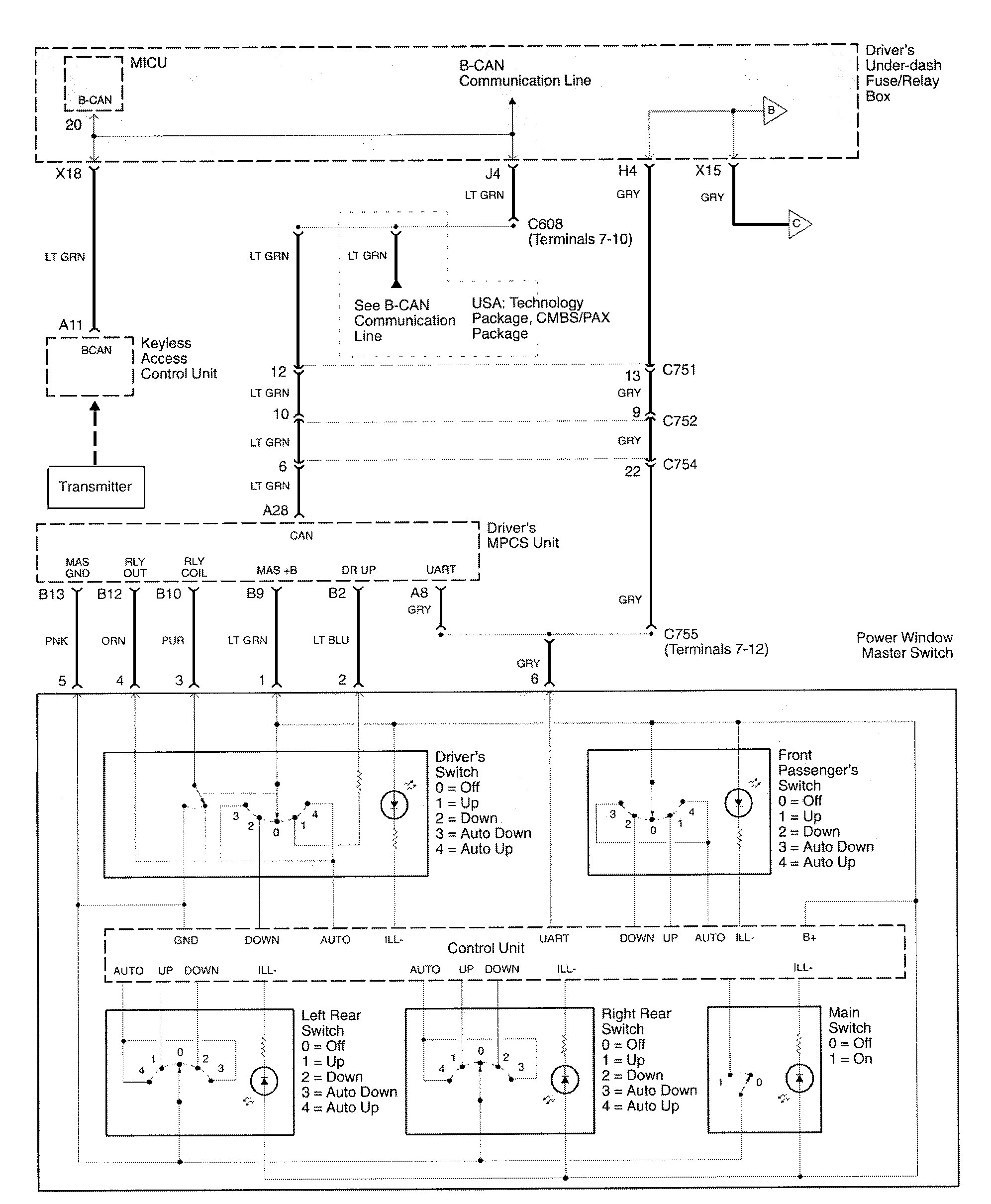
Year of productions: 2010, 2011







WARNING: Terminal and harness assignments for individual connectors will vary depending on vehicle equipment level, model, and market.
Copyright © 2026 | MH Magazine WordPress Theme by MH Themes