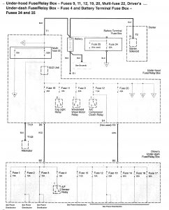
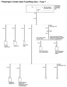
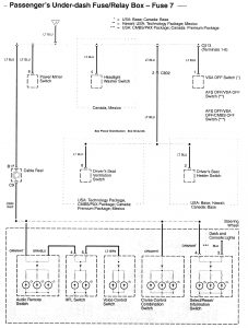
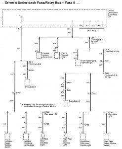
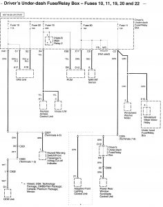
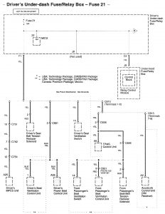
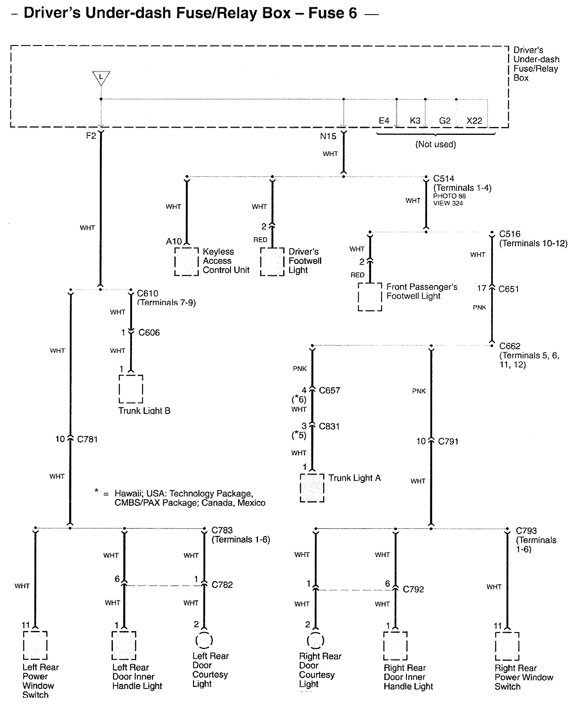
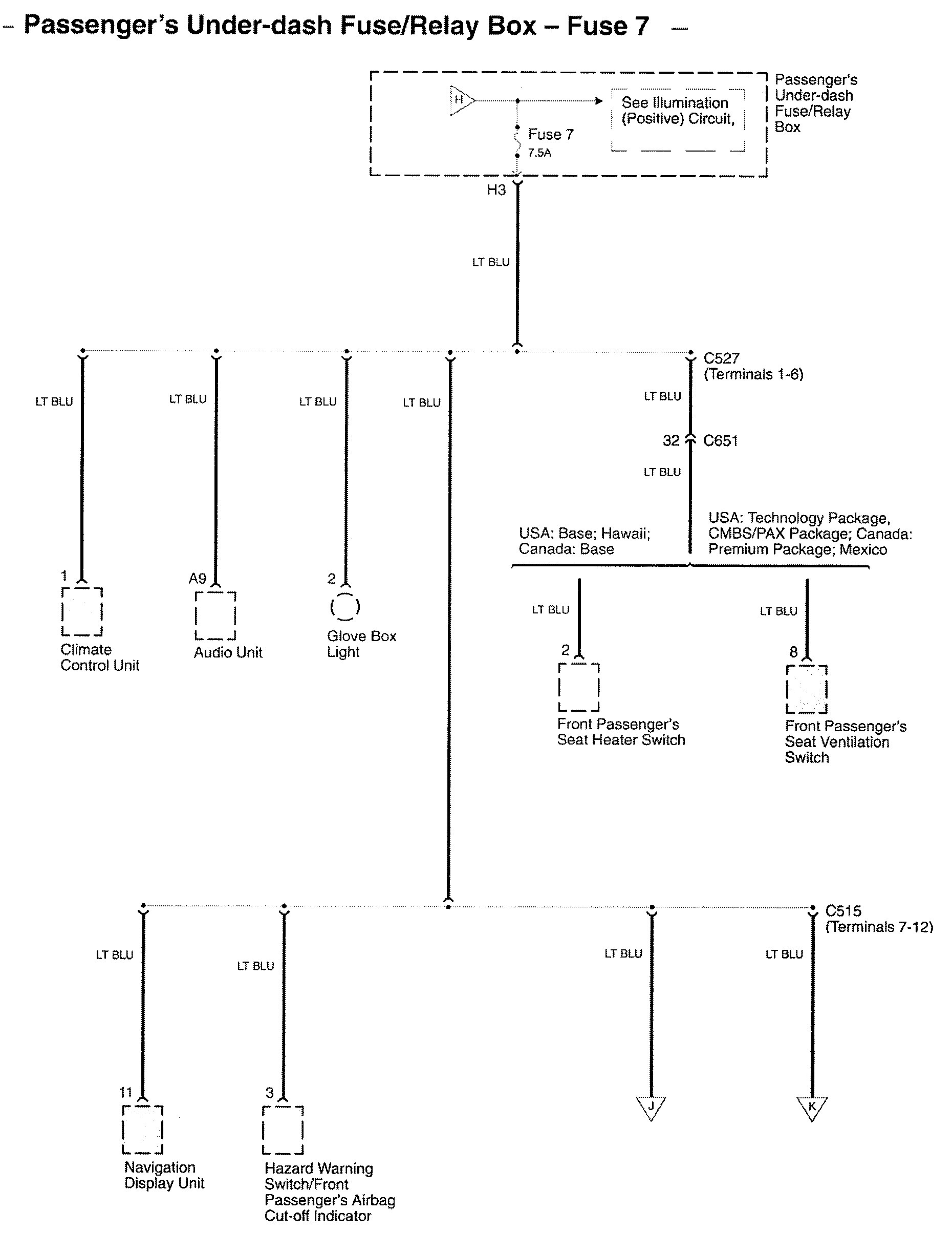
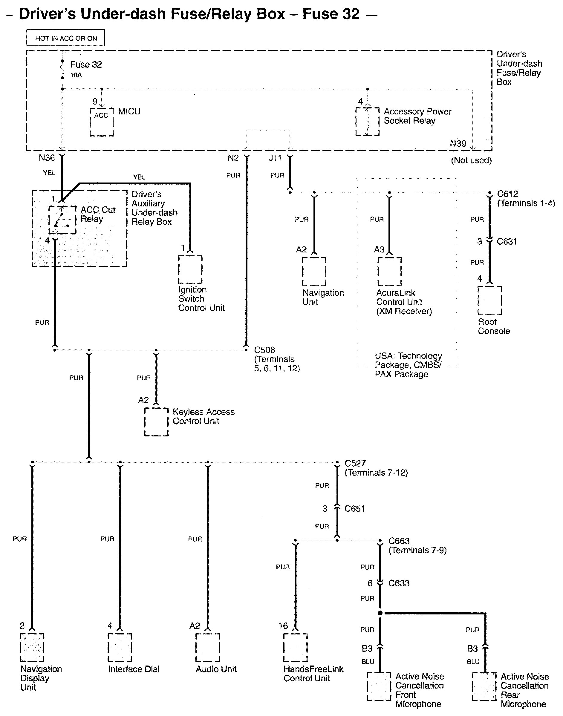
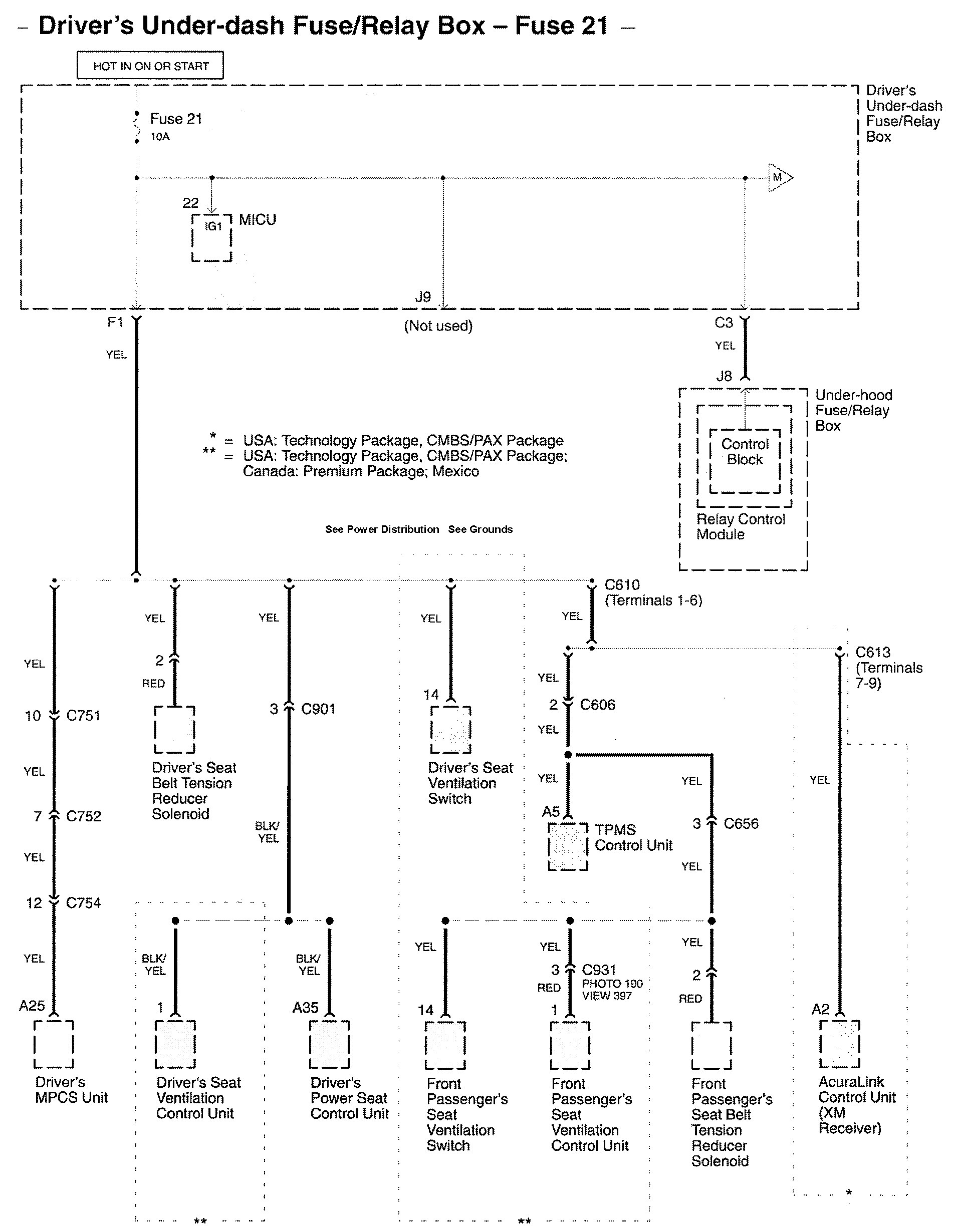
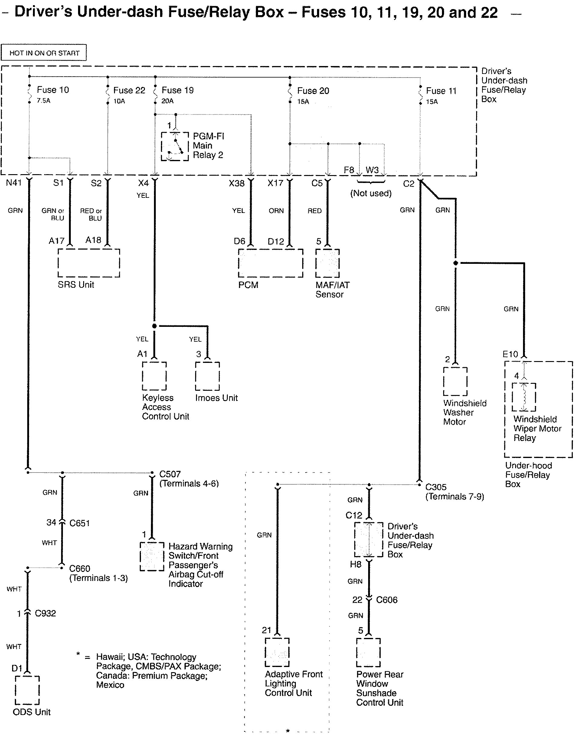
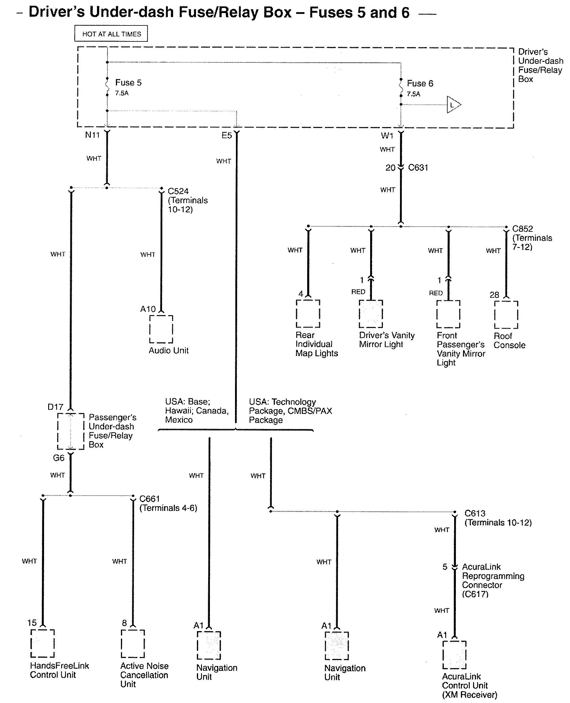
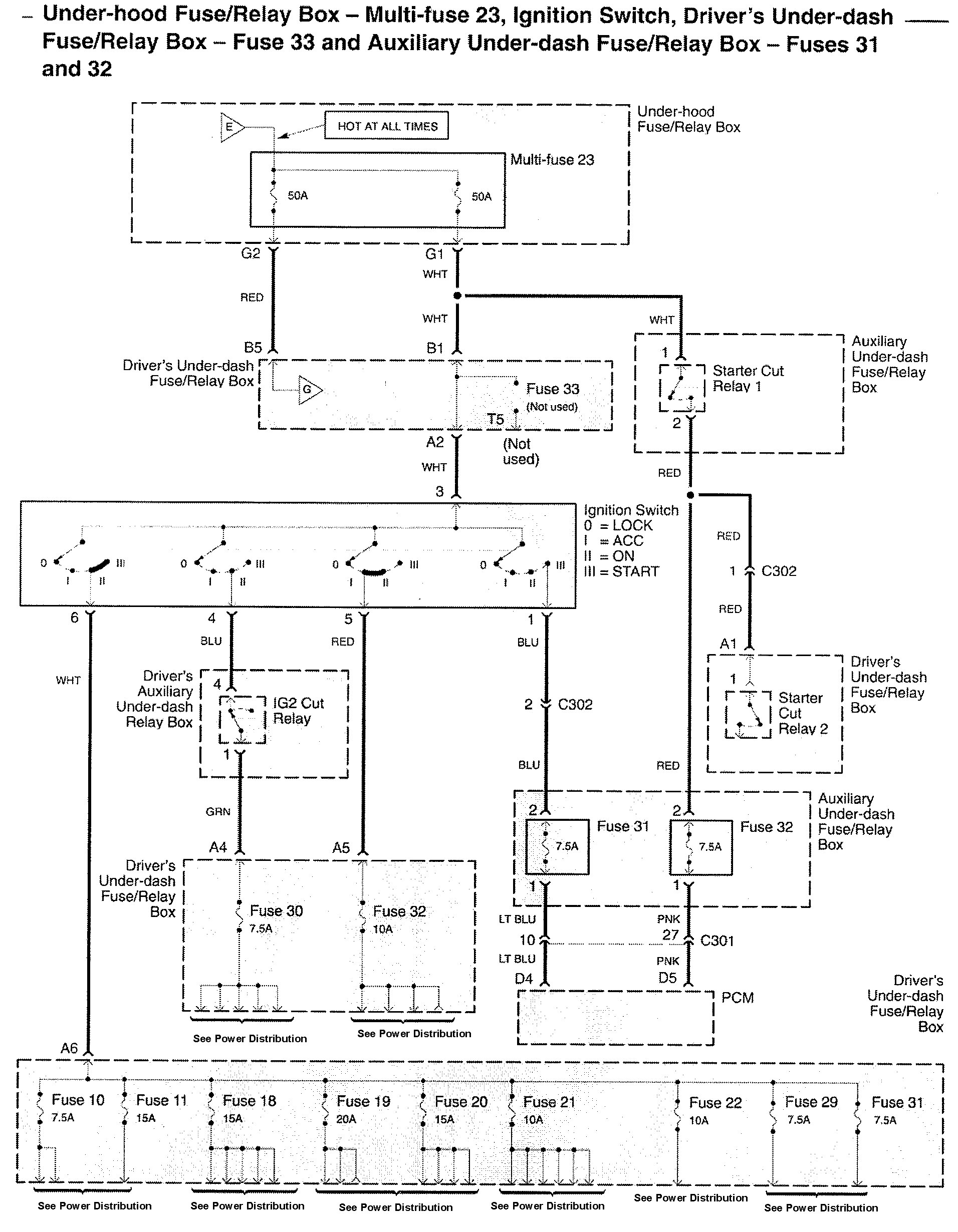
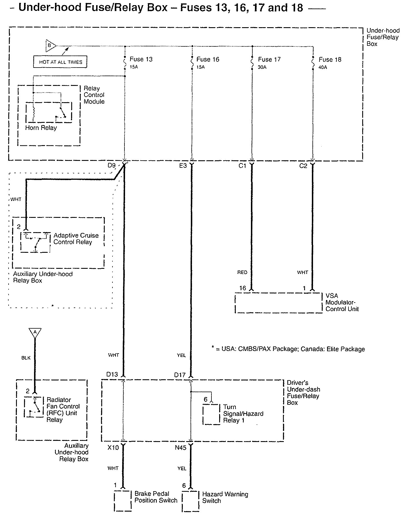
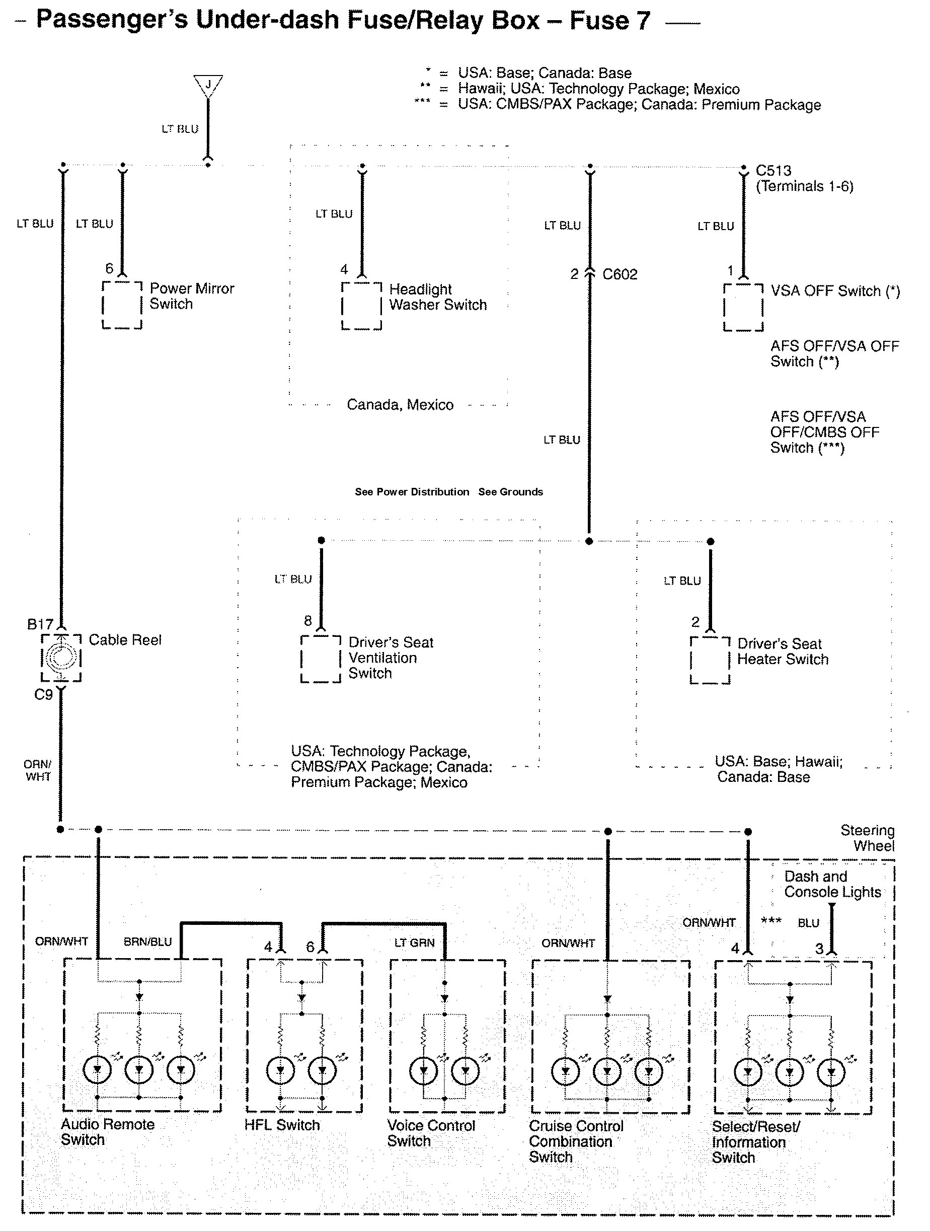
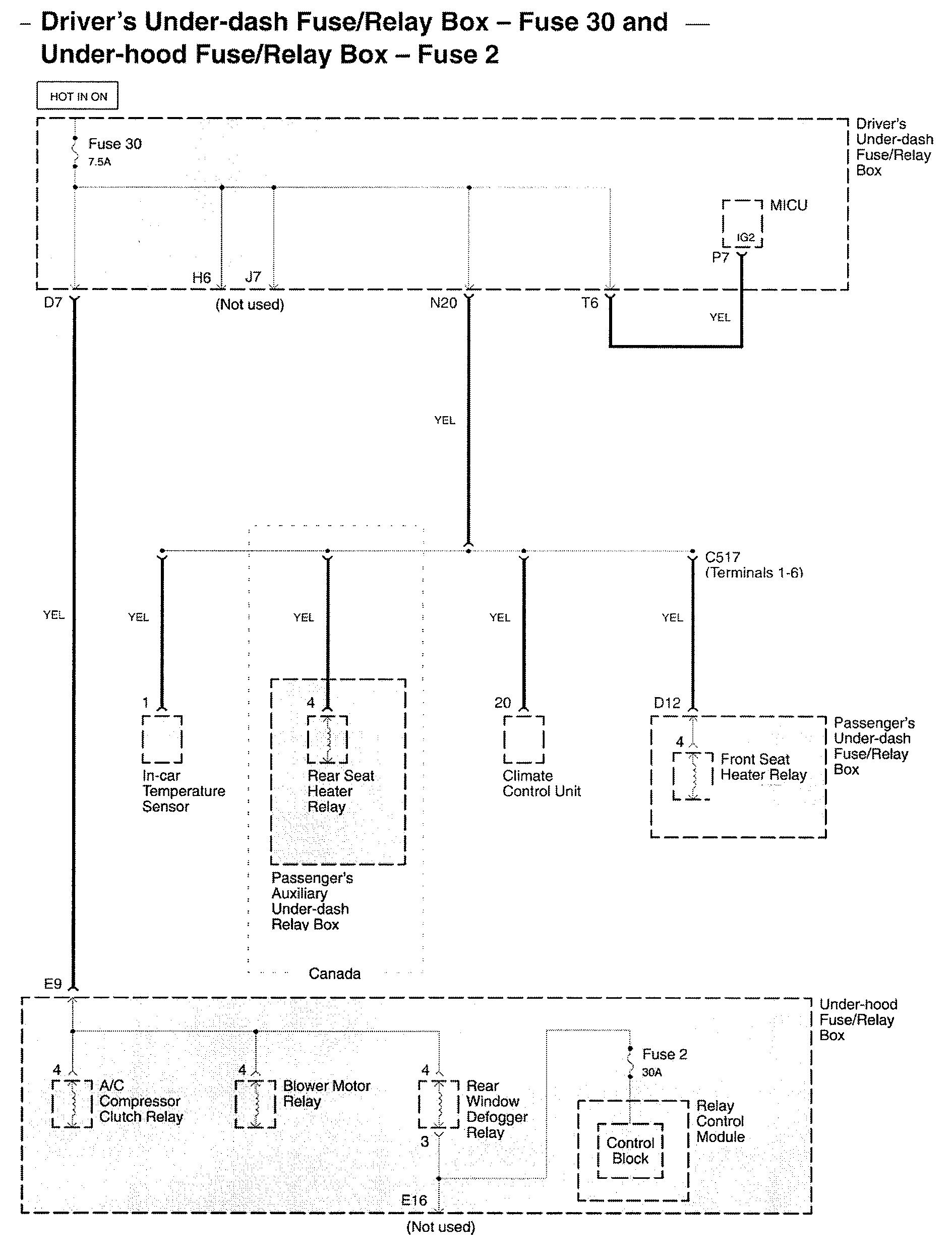
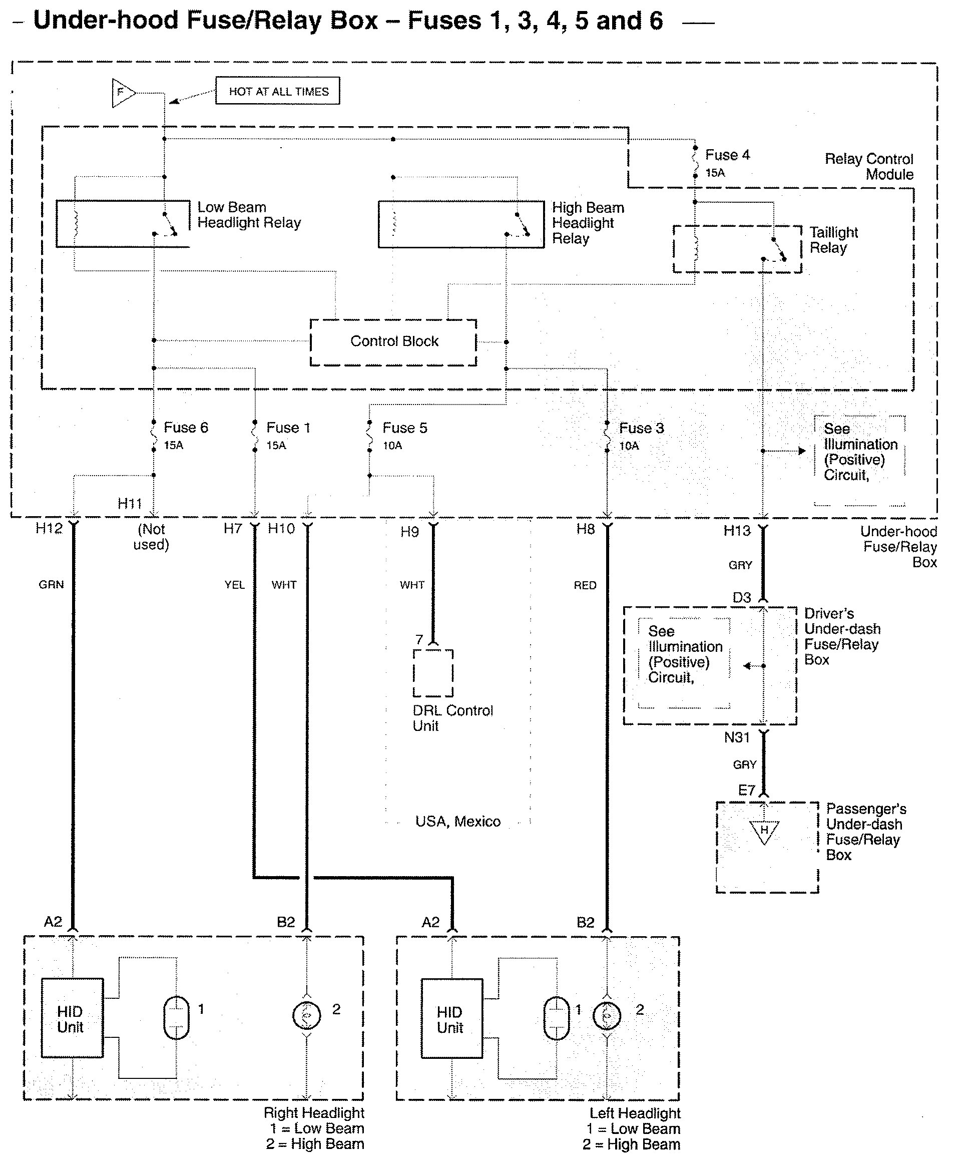
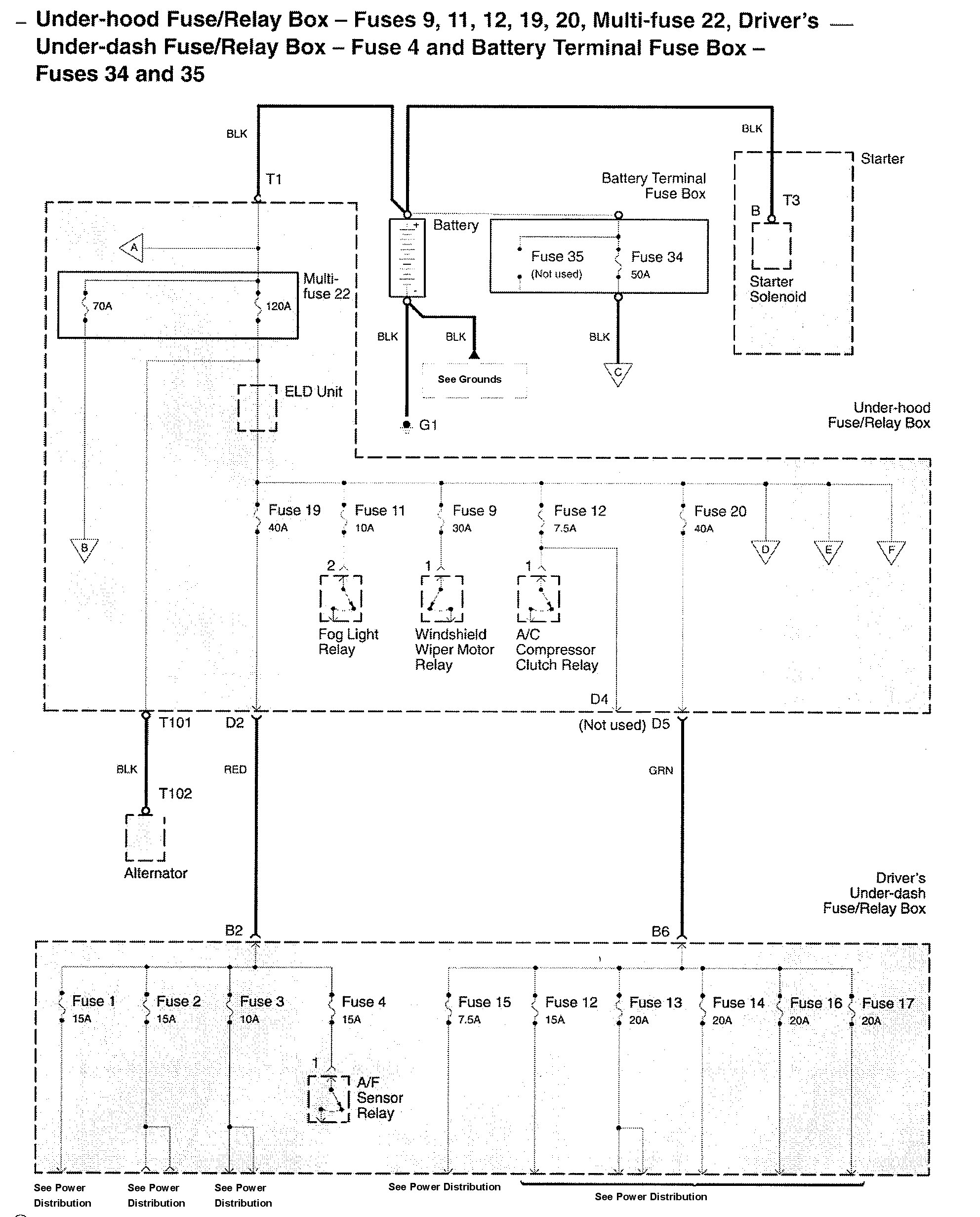
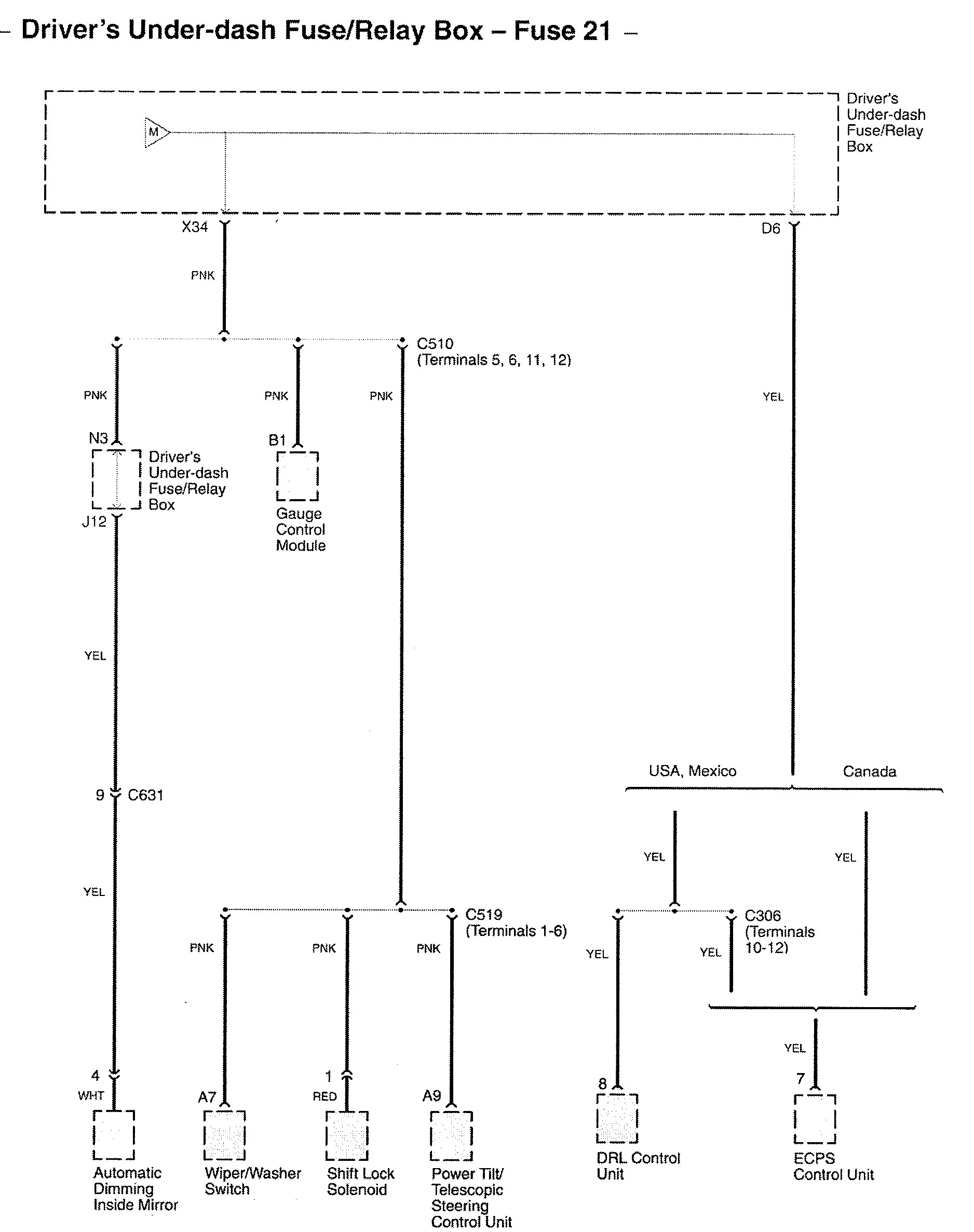
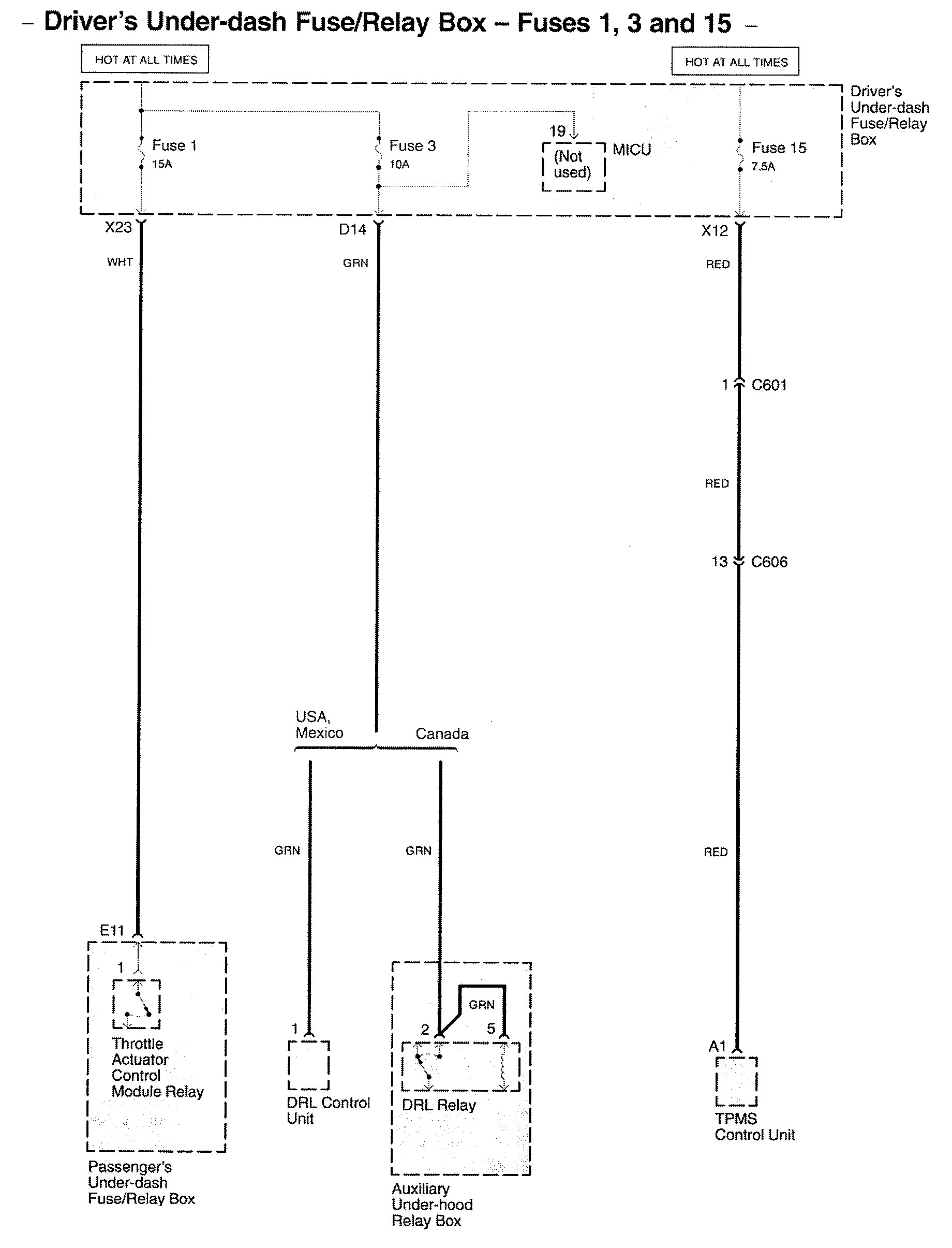
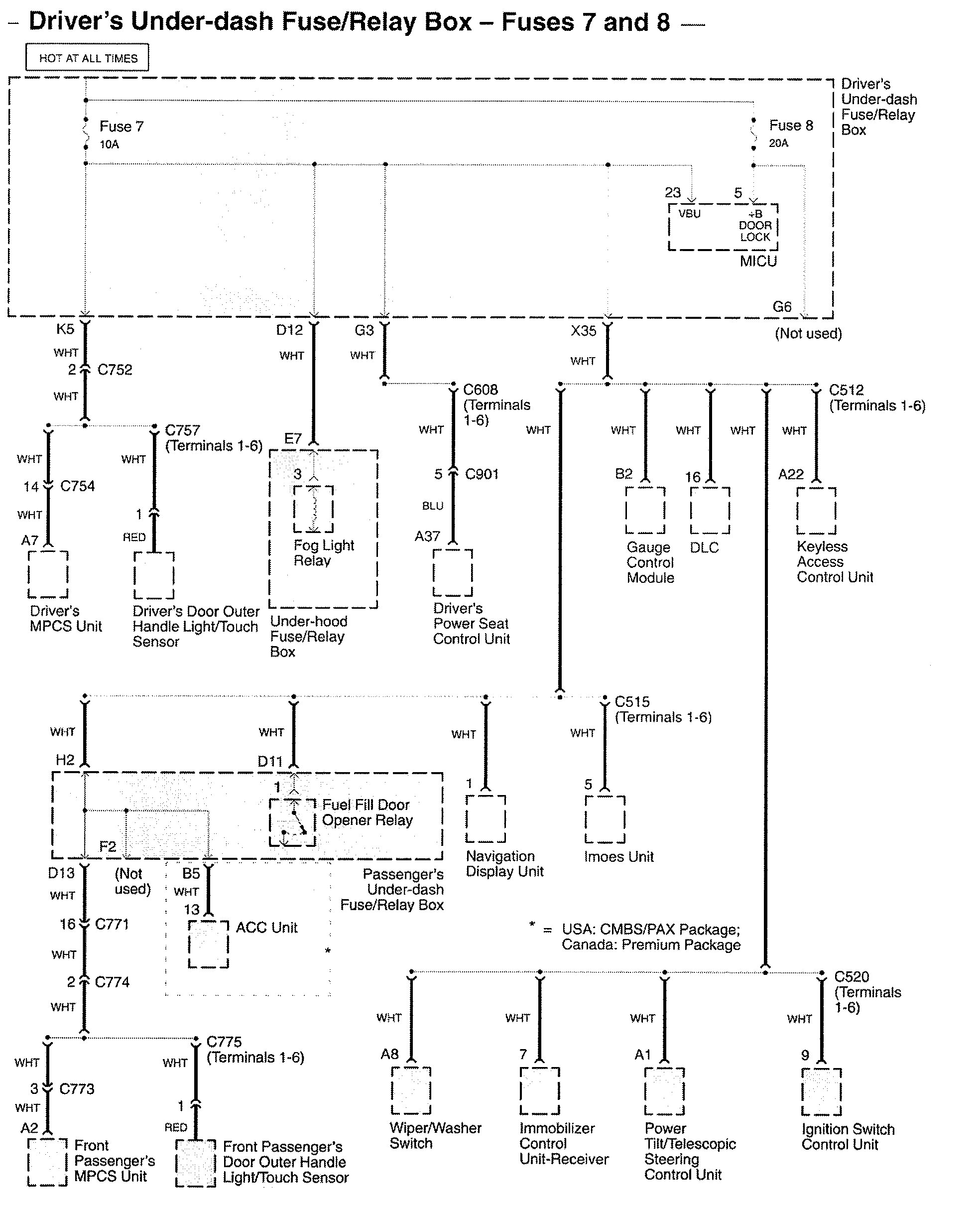
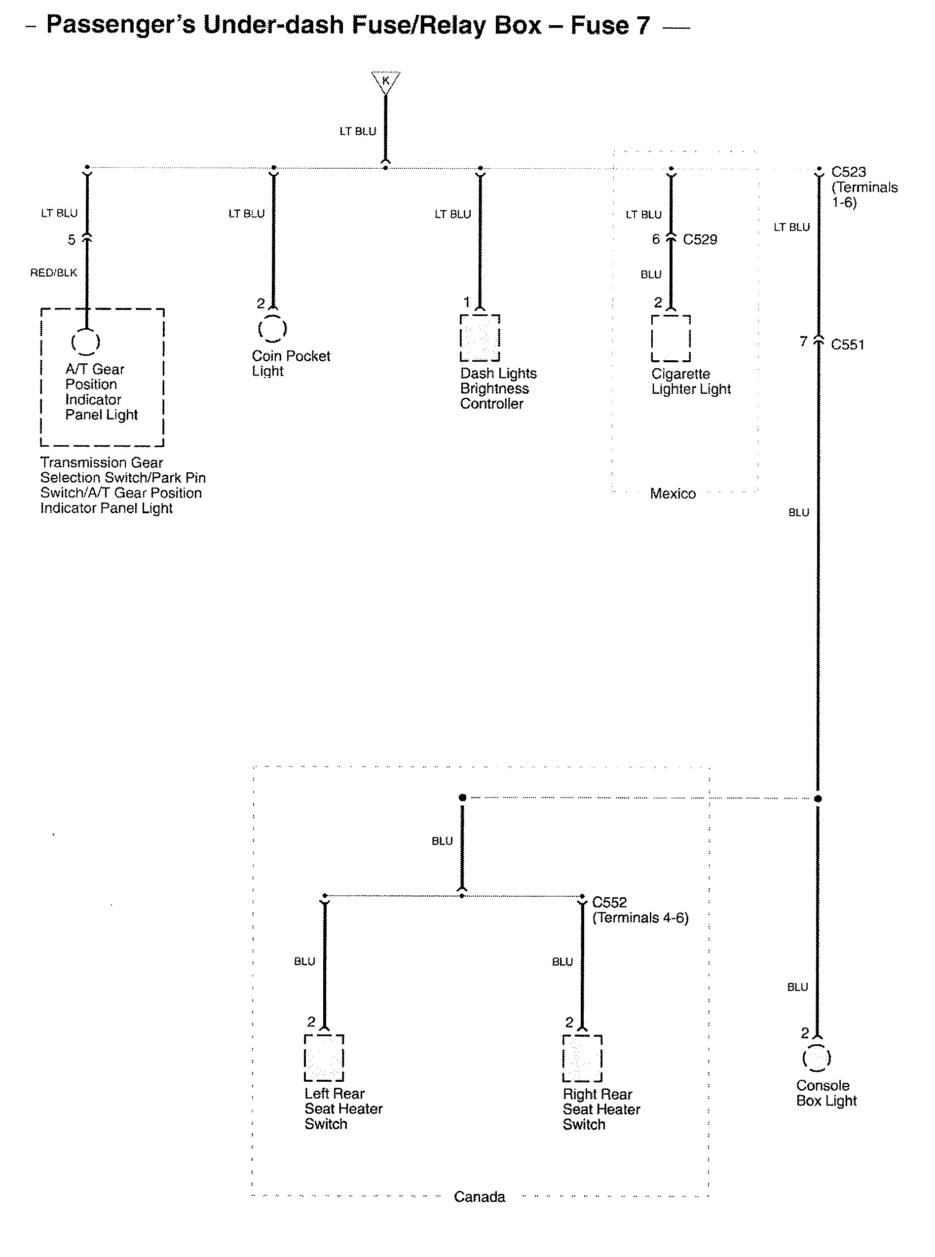
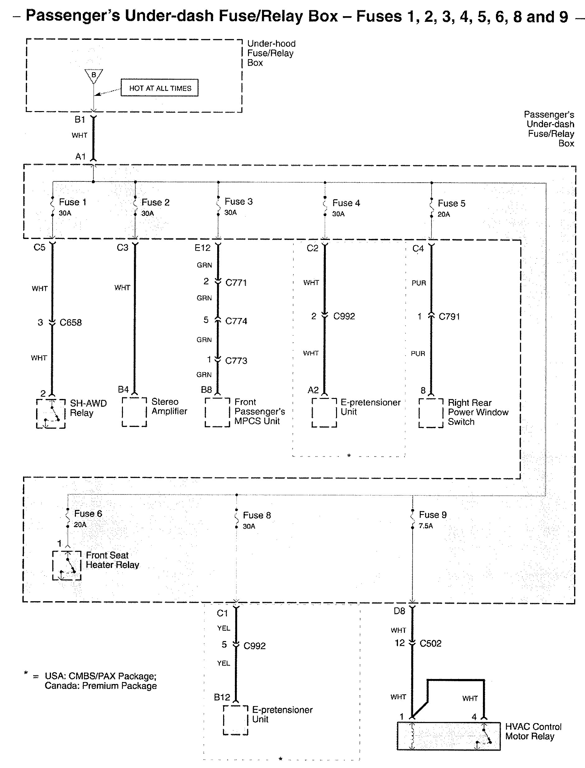
Acura RL (2009 – 2010) – wiring diagrams – power distribution
Year of productions: 2009, 2010
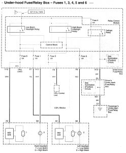
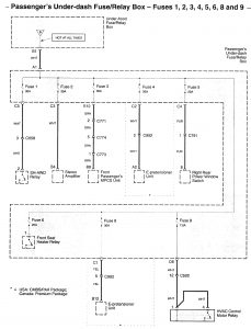
Power distribution






















WARNING: Terminal and harness assignments for individual connectors will vary depending on vehicle equipment level, model, and market.
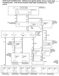
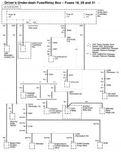
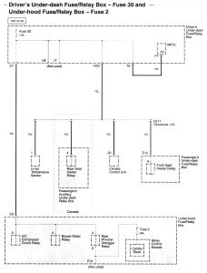
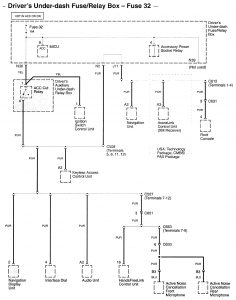
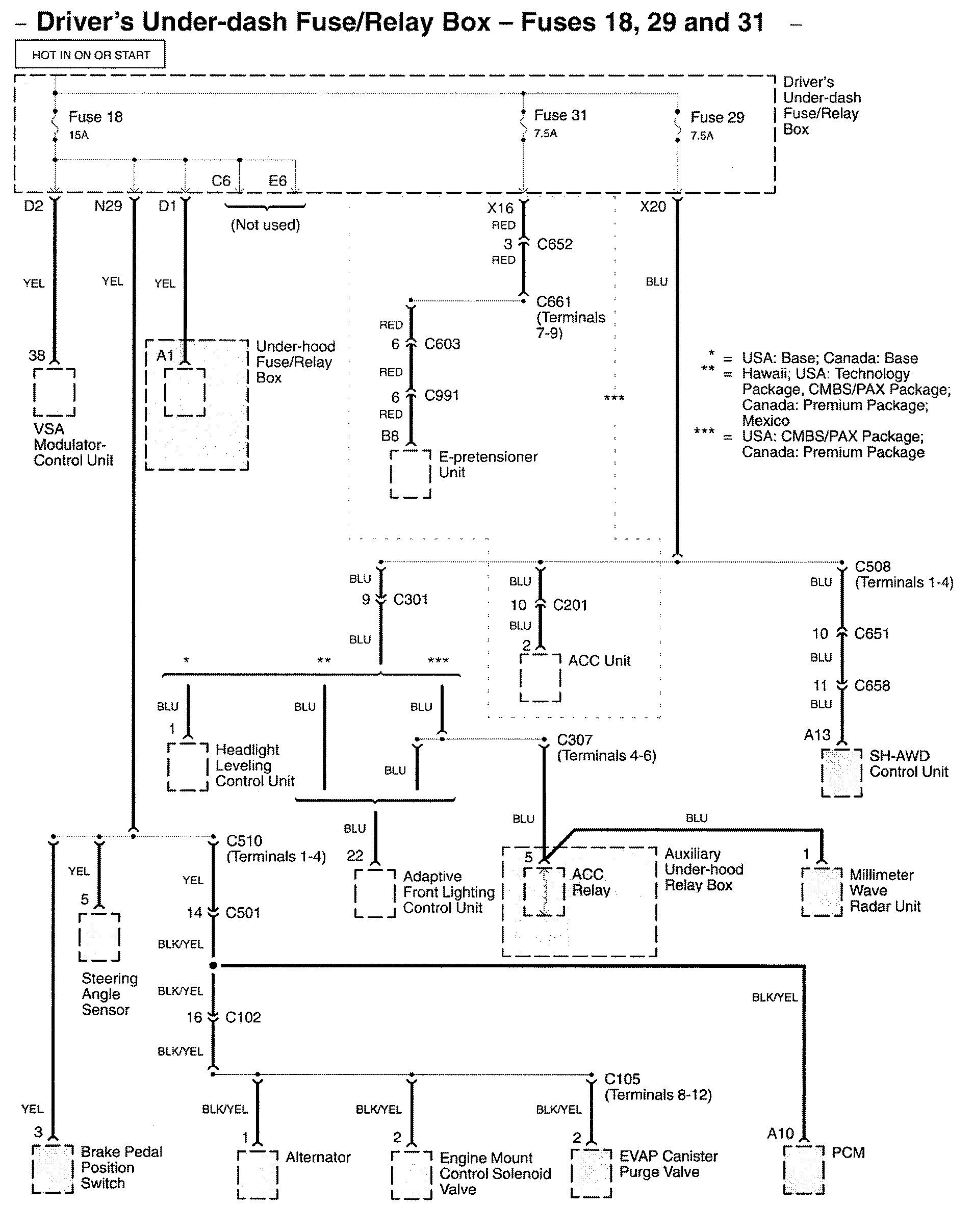
Year of productions: 2009, 2010






















WARNING: Terminal and harness assignments for individual connectors will vary depending on vehicle equipment level, model, and market.
Copyright © 2026 | MH Magazine WordPress Theme by MH Themes