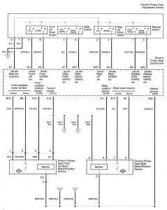
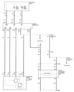
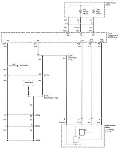
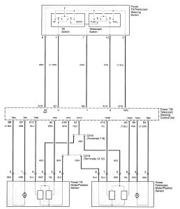
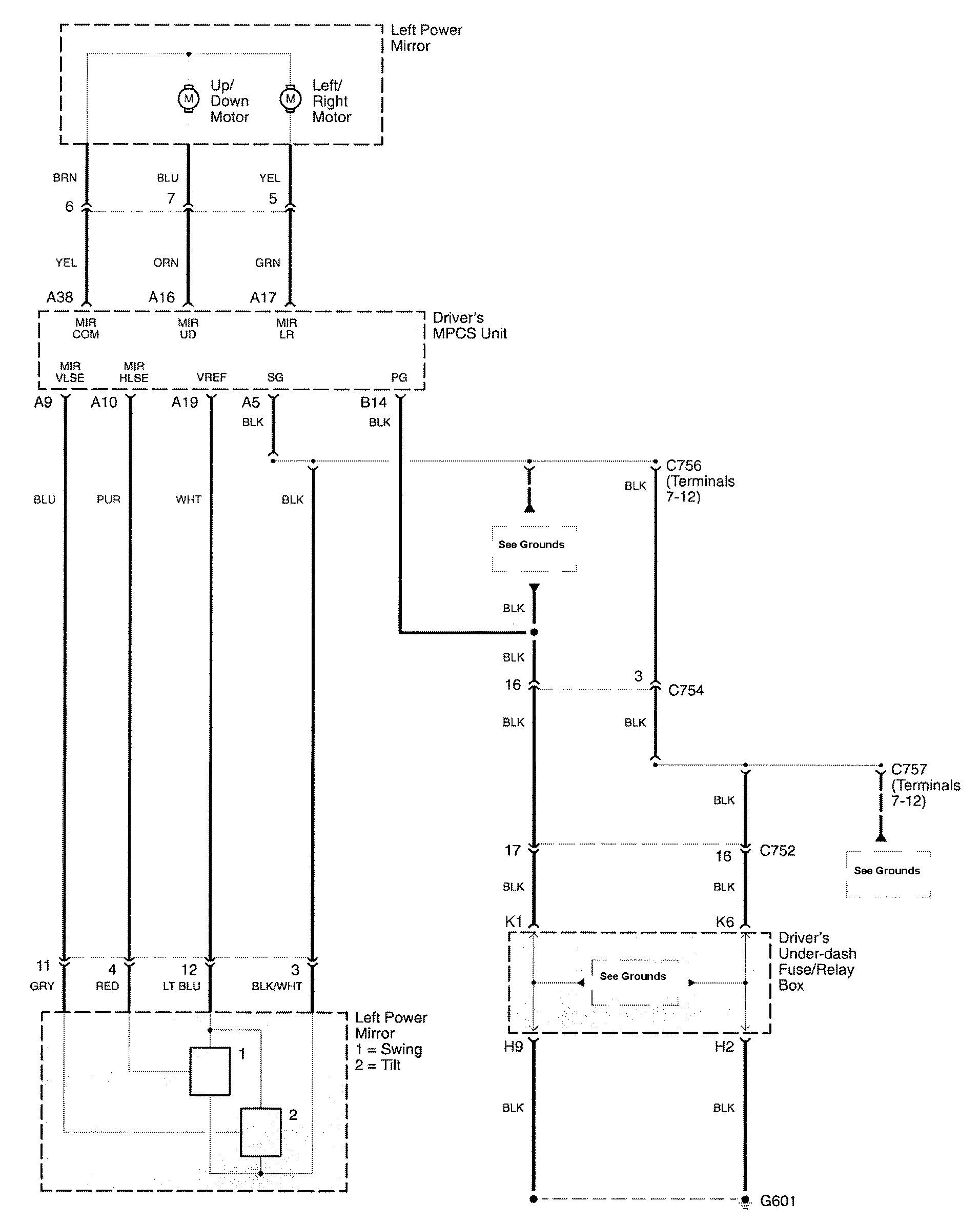
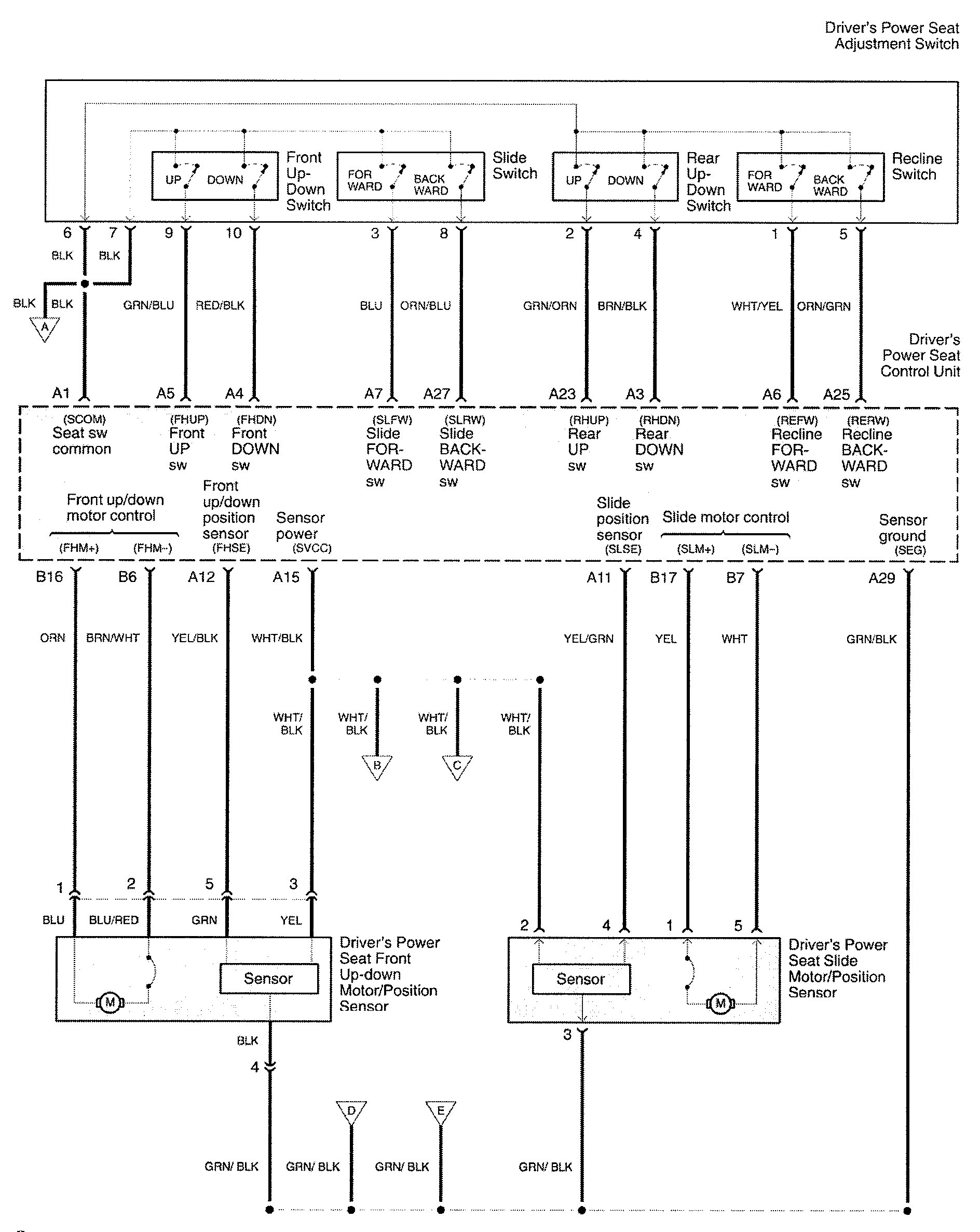
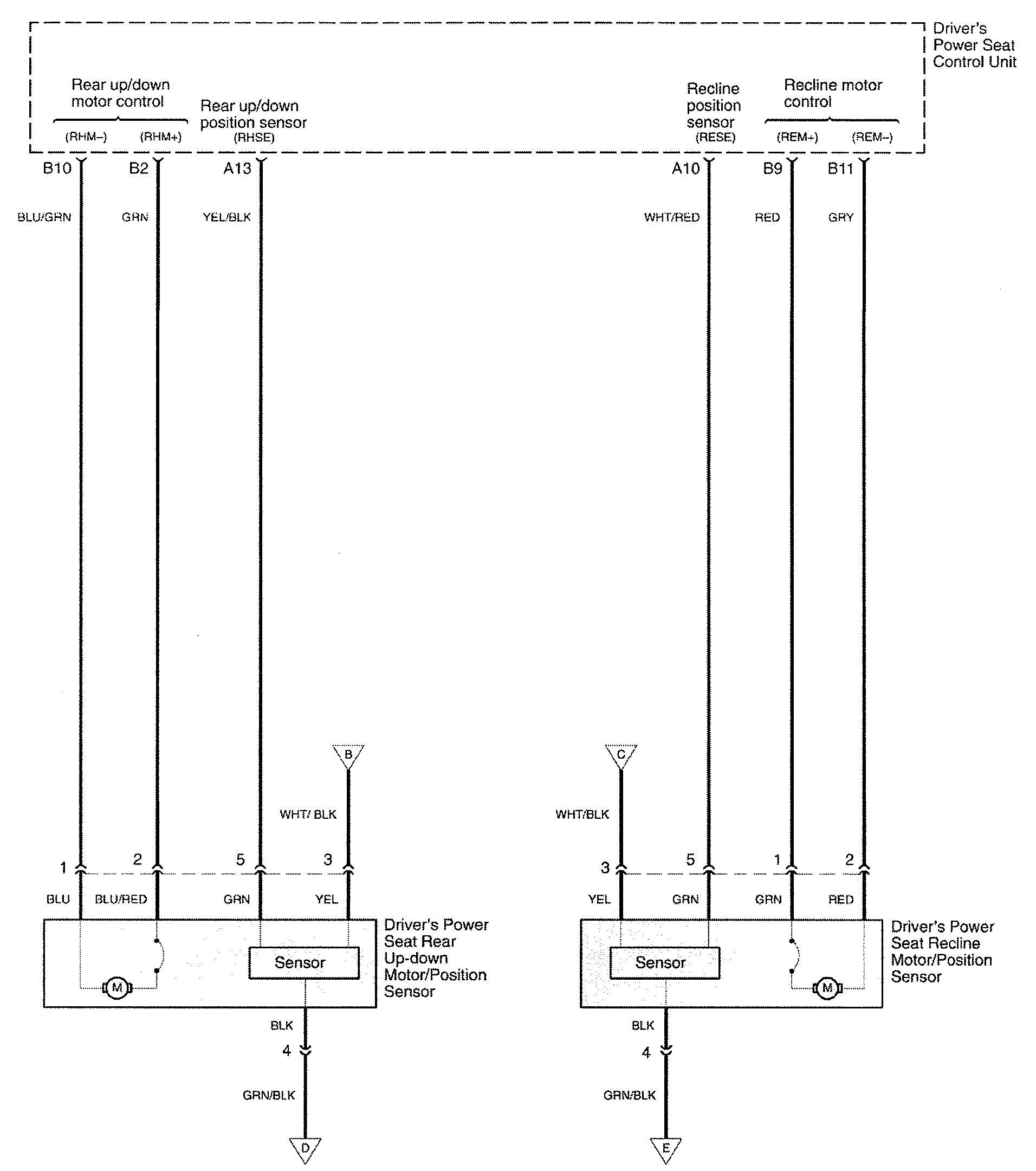
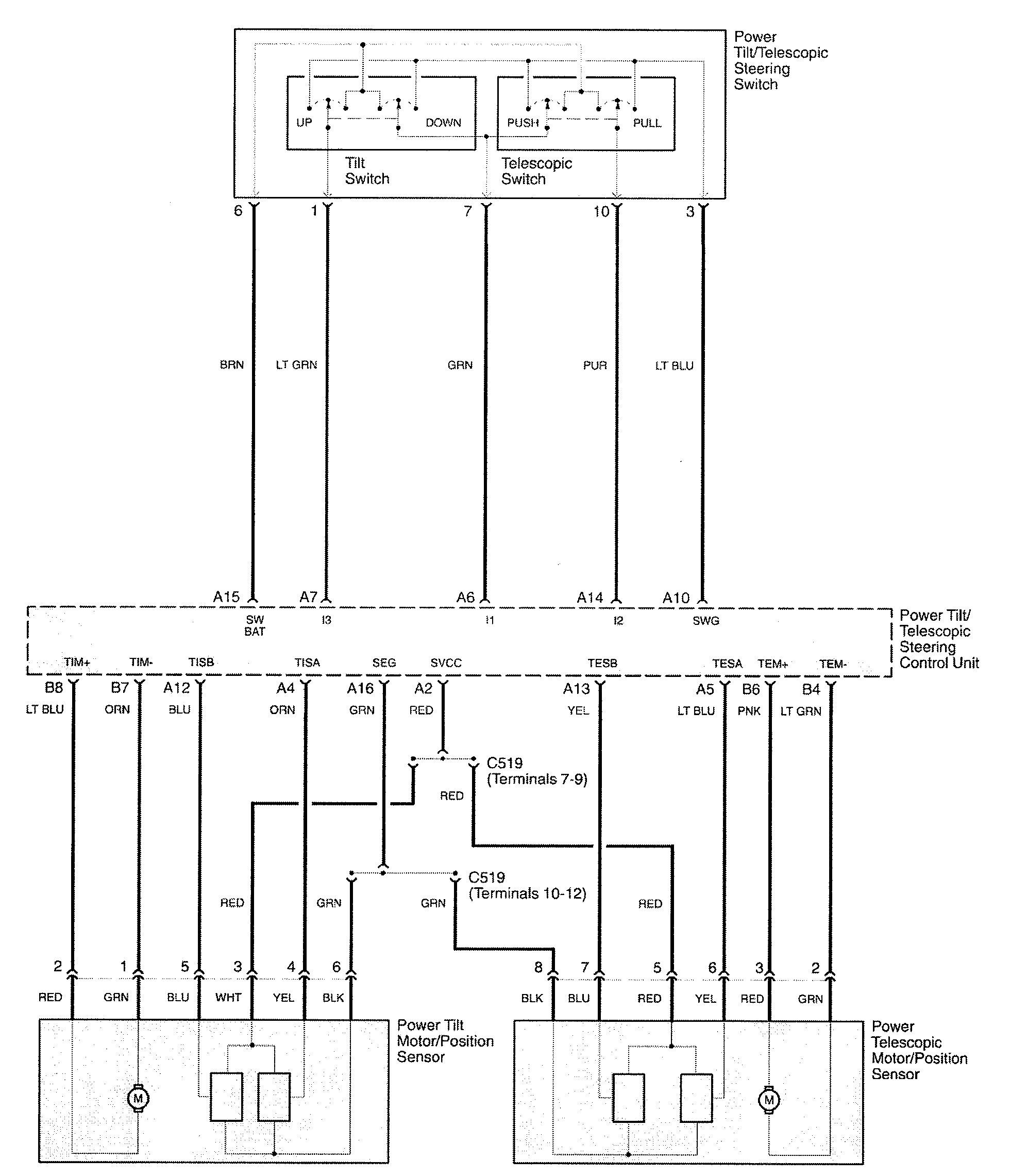
Acura RL (2009) – wiring diagrams – integrated memory system
Year of productions: 2009
Integrated memory system











WARNING: Terminal and harness assignments for individual connectors will vary depending on vehicle equipment level, model, and market.
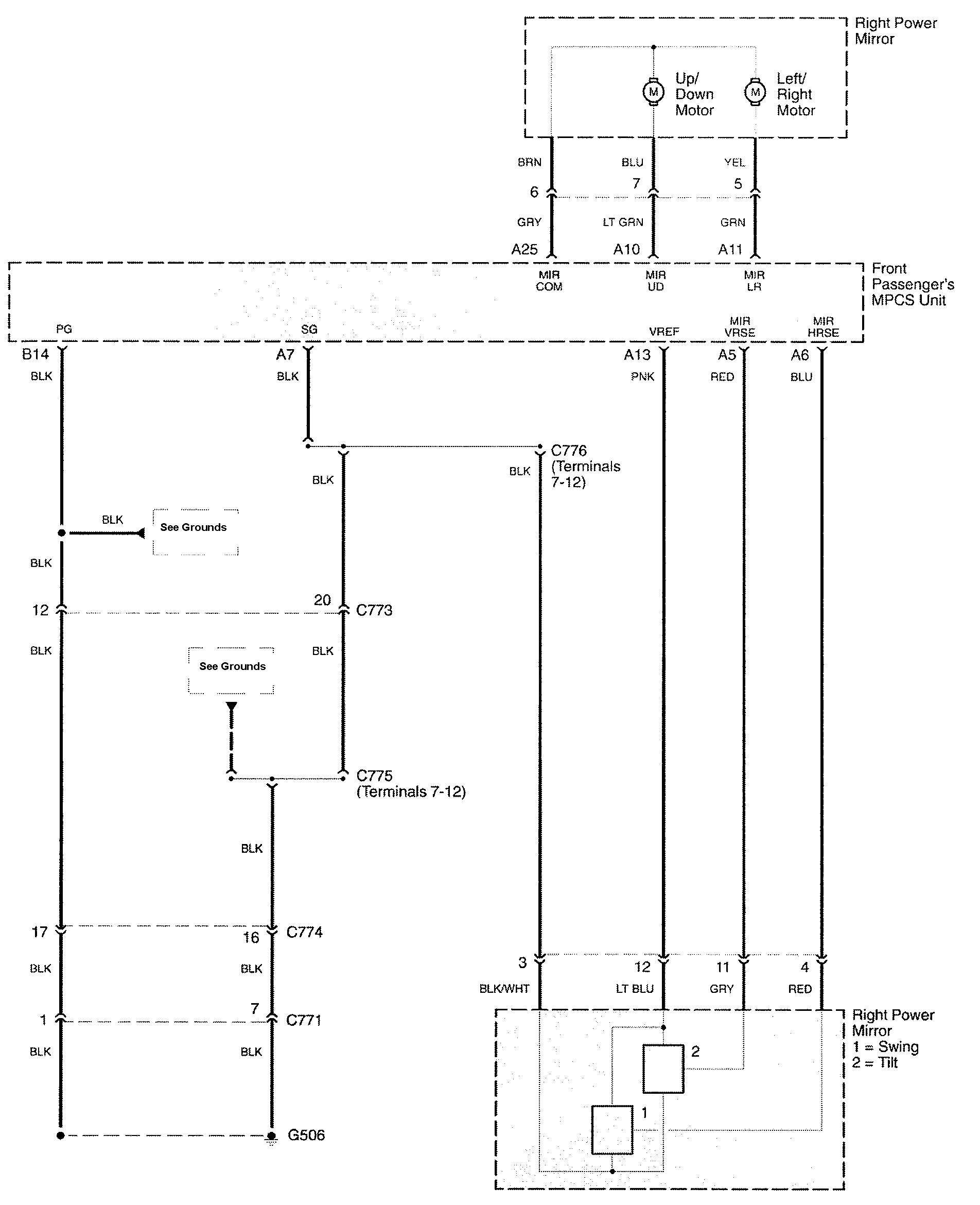
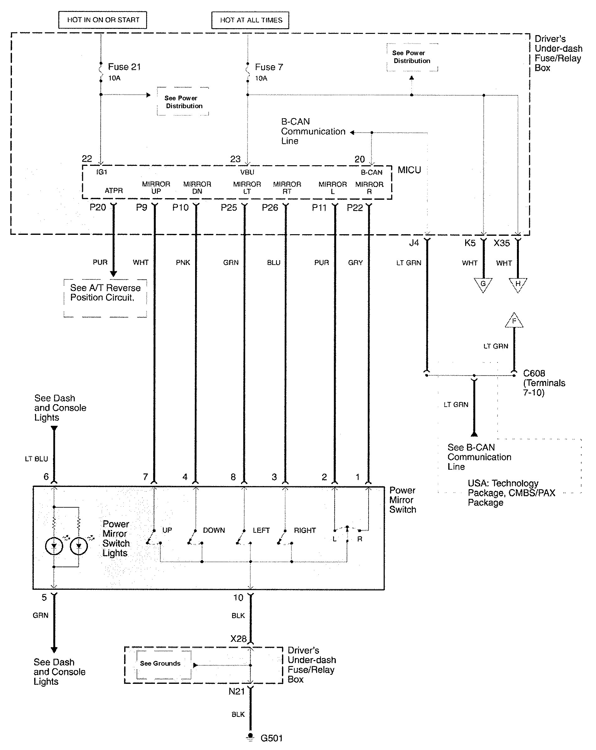
Year of productions: 2009











WARNING: Terminal and harness assignments for individual connectors will vary depending on vehicle equipment level, model, and market.
Copyright © 2025 | MH Magazine WordPress Theme by MH Themes