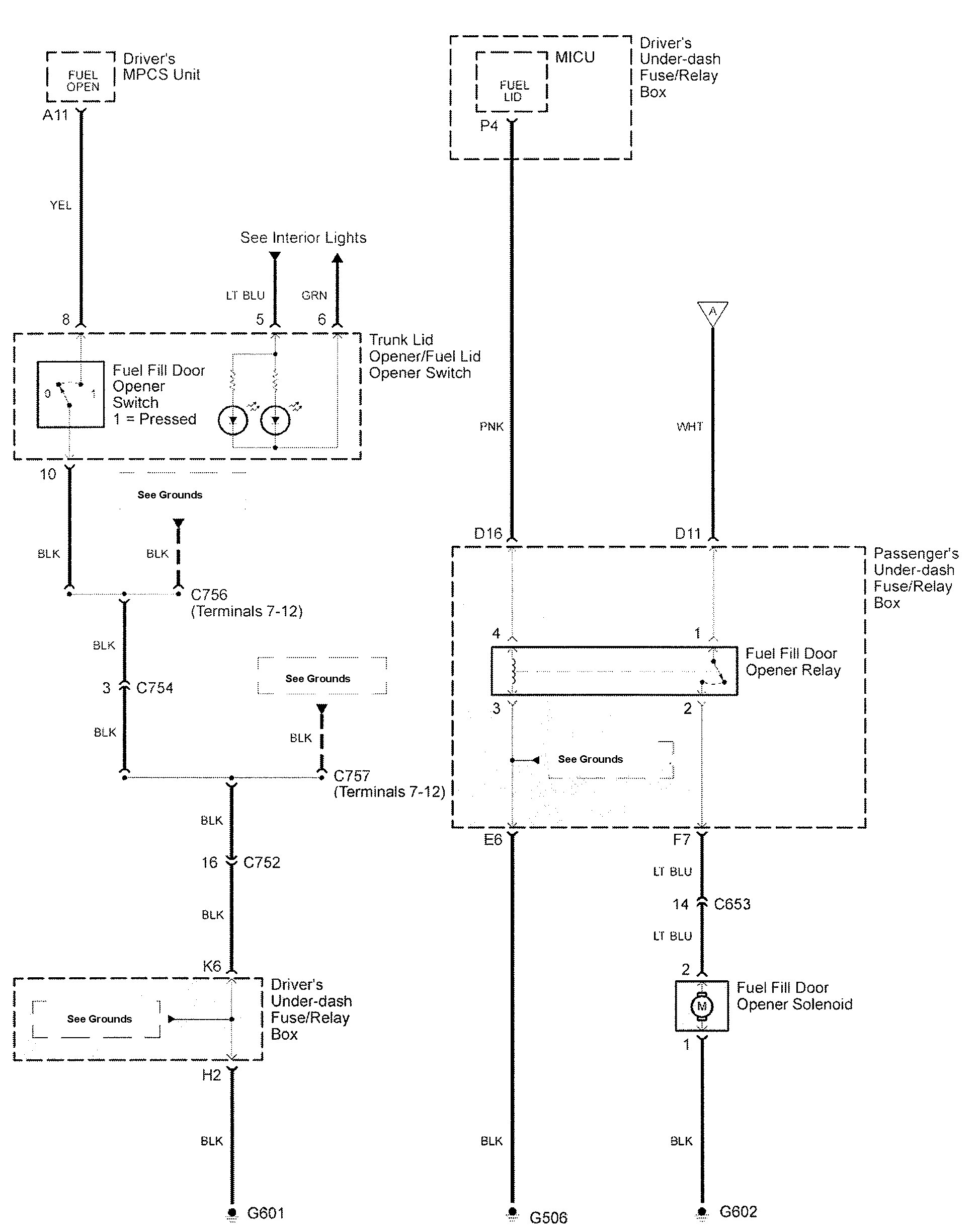
Acura RL (2009 – 2011) – wiring diagrams – fuel door release
Year of productions: 2009, 2010, 2011
Fuel door release


WARNING: Terminal and harness assignments for individual connectors will vary depending on vehicle equipment level, model, and market.
